Foram encontradas 50 questões.
Dispositivos diferenciais-residuais e disjuntores termomagnéticos são elementos que fazem parte do sistema de proteção de uma instalação elétrica. Nesse sentido, é CORRETO afirmar que:
Provas
Questão presente nas seguintes provas
Com relação a programas de navegação (browsers), leia as afirmações abaixo e marque a opção CORRETA.
Provas
Questão presente nas seguintes provas
Os condutores elétricos empregados em instalações residencias devem ser recobertos por uma camada de isolação que pode ser de PVC. (Policloreto de vinila), EPR (Borracha etileno-propileno) e XLPE (polietileno reticulado). Em concordância com a NBR 5410, assinale a opção CORRETO.
Provas
Questão presente nas seguintes provas
Três motores monofásicos de indução 220 V possuem uma potência de entrada de 800 W, fp=0,8 ind, cada. Eles foram ligados a uma fase e a um neutro de um sistema trifásico, formando uma carga trifásica equilibrada em Y. Sendo a rede trifásica de 220/380 V, o valor da corrente de linha e potência ativa da fonte de alimentação será, respectivamente:
Provas
Questão presente nas seguintes provas
Páginas de busca são projetadas para encontrar informações na Internet a partir de palavras-chave fornecidas pelo usuário. São páginas de busca, EXCETO:
Provas
Questão presente nas seguintes provas
Dentro do Regime Disciplinar do servidor público federal disposto na lei 8.112/90, NÃO é prevista como penalidade disciplinar a:
Provas
Questão presente nas seguintes provas
A norma NBR 5410 estabelece critérios a serem seguidos em instalações elétricas de baixa tensão, segundo a referida norma, é CORRETO afirmar que:
Provas
Questão presente nas seguintes provas
O tipo de backup que se caracteriza por realizar cópias de segurança apenas dos últimos arquivos alterados desde o último backup é chamado:
Provas
Questão presente nas seguintes provas
Quatro motores de indução monofásicos de 1cv, cada, quando operam a plena carga, alimentados por uma instalação de 220 Vrms, fazem com que o circuito de alimentação deles funcione com um fator de potência de 0,707 ind. O valor de energia capacitiva que deve ser adicionada para tornar o fator de potência do alimentador igual a 0,92 indé, respectivamente:
(considere 1cv = 750 W; sen(66,93°)=0,92; cos(23,07°)=0,92; tan(66,93°)=2,35; tan(23,07°)=0,43).
Provas
Questão presente nas seguintes provas
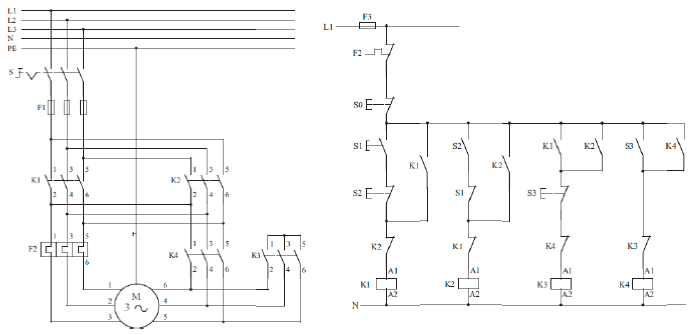
Na Figura 1 é ilustrado um esquema de partida estrela-triângulo com reversão de velocidade, aplicado a um motor de indução trifásico com rotor gaiola de esquilo. Analisando a figura, marque a opção CORRETA.
Figura 1 - Partida estrela-triângulo com reversão.

Provas
Questão presente nas seguintes provas
Cadernos
Caderno Container