Foram encontradas 255 questões.
Os eixos das máquinas CNC podem movimentar-se em linha reta, com velocidades de avanço especificadas no programa. Este tipo de movimento é conhecido como:
Provas
Questão presente nas seguintes provas
Em geral, a força normal resistente à tração pode ser determinada pela consideração da “ruptura da seção líquida (!$ A_n !$)” ou “escoamento da seção bruta (!$ A_g !$)”, conforme definido pela NBR 8800. Em virtude do comprimento do tirante, houve necessidade de uma emenda, conforme esquema a seguir. Percebe-se que a ligação ocorre por meio de duas talas e parafusos (7/8”). Utilizando as duas considerações supracitadas, o intervalo em que o esforço normal resistente se encontra é:
OBS. Admitir que o aço adotado é do tipo MR250 !$ (\, f_y \, = \,250MPa \, e \, f_u \, = \, 400MP). !$

Provas
Questão presente nas seguintes provas
A figura 1 representa a seção transversal de um pilar de (30x50)!$ cm^2 !$, submetido à flexão composta oblíqua, sendo uma força de compressão de valor !$ N_k !$=200kN, e os momentos !$ M_{xk} !$=50kN.m e !$ M_{yk} !$=20kN.m, nos sentidos representados na figura.

Pode-se afirmar que a tensão normal característica atuante no ponto A vale:
Provas
Questão presente nas seguintes provas
Uma viga de concreto armado submetida à flexão simples, executada com concreto C25 e armada com aço CA-50, sendo 4Φ16mm de armadura de tração e 2Φ12.5mm de armadura de compressão, rompe por esmagamento do concreto, na fibra mais comprimida na região de máximo momento, com deformação da armação de tração valendo !$ ε_s !$s=0,5%. É possível afirmar que o Estado Limite Último por solicitações normais ocorreu:
Provas
Questão presente nas seguintes provas
No dimensionamento de pilares de concreto armado segundo a NBR 6118, λ é a esbeltez do pilar e λ1 é definido como valor limite para esbeltez. Nesse sentido, é CORRETO afirmar:
Provas
Questão presente nas seguintes provas
Com o objetivo de determinar a largura de um rio, estabeleceram-se, em uma das margens, dois pontos A e B distante 85,45 metros entre si e formando um alinhamento paralelo a essa margem, e um ponto C na outra margem. Com o teodolito estacionado no ponto A, visou-se o ponto C e, em seguida o ponto B, obtendo um ângulo horizontal (sentido horário) de 30 graus. Depois com estação no ponto B, visou-se os ponto A e C obtendo um ângulo horizontal (sentido horário) de 60 graus. A largura do rio corresponde à menor distância entre o ponto C e o alinhamento !$ \overline{AB} !$ . Pode-se, portanto concluir que essa largura é de:
sen(60°) = 0,866; cos(60°) = 0,5
Provas
Questão presente nas seguintes provas
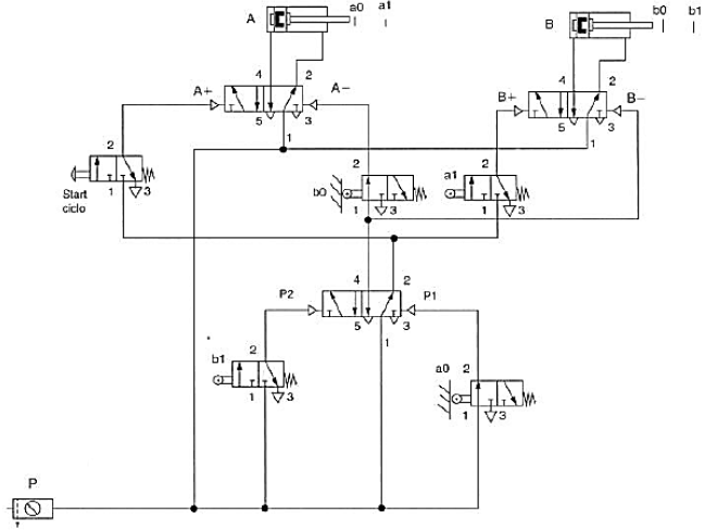
Marque a sequência CORRETA dos movimentos dos atuadores do circuito pneumático a seguir.

Provas
Questão presente nas seguintes provas
De acordo com a Norma Regulamentadora 10 (NR-10), SEGURANÇA EM INSTALAÇÕES E SERVIÇOS EM ELETRICIDADE, somente serão consideradas desenergizadas as instalações elétricas liberadas para trabalho, mediante os procedimentos apropriados, obedecida uma determinada sequência. A afirmativa CORRETA em relação à sequência é:
Provas
Questão presente nas seguintes provas
A opção que indica qualitativamente a ordem decrescente da classe de qualidade IT para a menor, da tolerância obtida quando se comparam diferentes processos de fabricação conforme ANSI B4.2:1994, é:
Provas
Questão presente nas seguintes provas
Nos instrumentos temperados, para cada nota, podem ser encontradas duas notas enarmônicas, EXCETO:
Provas
Questão presente nas seguintes provas
Cadernos
Caderno Container