Magna Concursos

Foram encontradas 60 questões.

1319160 Ano: 2016
Disciplina: Engenharia Eletrônica
Banca: UFRJ
Orgão: UFRJ
Provas:
Existem diversos dispositivos eletrônicos utilizados em eletrônica de potência, dos quais um dos mais versáteis é o SCR (retificador controlado de silício). Dentre suas características, pode-se afirmar que:
 

Provas

Questão presente nas seguintes provas
1313288 Ano: 2016
Disciplina: Engenharia Eletrônica
Banca: UFRJ
Orgão: UFRJ
Provas:
Um técnico, durante medições em um retificador de onda completa monofásico, obtém a forma de onda de saída na tela de um osciloscópio ilustrada na figura a seguir:
Enunciado 1313288-1
Através da análise da forma de onda, pode-se concluir que a frequência e o valor da tensão eficaz de entrada do retificador são, respectivamente:
 

Provas

Questão presente nas seguintes provas
1309789 Ano: 2016
Disciplina: Engenharia Eletrônica
Banca: UFRJ
Orgão: UFRJ
Provas:
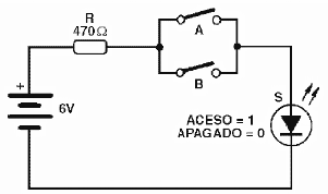
O circuito da figura a seguir representa uma função lógica:
Enunciado 1309789-1
Assinale a alternativa que denomina corretamente essa função.
 

Provas

Questão presente nas seguintes provas
1308012 Ano: 2016
Disciplina: Engenharia Elétrica
Banca: UFRJ
Orgão: UFRJ
Provas:
Uma bateria é conectada a uma resistência no valor de 11,5 Ω, obtendo uma corrente i1. A esta bateria, ligam-se em paralelo mais duas idênticas e a corrente passa a ter o valor de 0,25A. Considerando que a resistência interna das baterias é 1,5 Ω, assinale o valor da corrente i1.
 

Provas

Questão presente nas seguintes provas
1299826 Ano: 2016
Disciplina: Engenharia Eletrônica
Banca: UFRJ
Orgão: UFRJ
Provas:
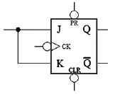
Um técnico deseja montar um circuito contador assíncrono. Para tal, ele necessita de flip-flops do tipo T, conforme ilustrado a seguir:
Enunciado 1299826-1
Considerando que esse tipo de flip-flop não é encontrado em circuitos integrados comerciais, assinale a alternativa que apresenta o flip-flop que exerce a mesma função.
 

Provas

Questão presente nas seguintes provas
1297756 Ano: 2016
Disciplina: Engenharia Elétrica
Banca: UFRJ
Orgão: UFRJ
Provas:
Considerando uma certa quantidade de capacitores disponíveis de 10 uF (microfarad) x 250 V, assinale a alternativa que apresenta o número de capacitores necessários para se obter uma capacitância de 5 uF (microfarad) com uma tensão de trabalho de 1 000 V.
 

Provas

Questão presente nas seguintes provas
980207 Ano: 2016
Disciplina: Engenharia Eletrônica
Banca: UFRJ
Orgão: UFRJ
Provas:
Considere que uma bateria de 12 V alimenta o circuito a seguir no ponto Ve:
Enunciado 980207-1
Assinale a alternativa que apresenta o ganho de tensão do amplificador operacional ideal.
 

Provas

Questão presente nas seguintes provas
979717 Ano: 2016
Disciplina: Engenharia Eletrônica
Banca: UFRJ
Orgão: UFRJ
Provas:
Sabe-se que um ruído pode apresentar uma ameaça ao correto funcionamento de um circuito. Sobre esse problema, analise as afirmativas a seguir:
I - Tensão indesejada induzida em circuitos elétricos;
II - Representa um atraso de propagação de um sinal em um circuito;
III - Captação de radiação eletromagnética de condutores adjacentes;
IV - É uma pequena falha no funcionamento do circuito que estando dentro de uma margem aceitável não compromete seu trabalho.
Assinale a alternativa que contém a(s) afirmativa(s) correta(s).
 

Provas

Questão presente nas seguintes provas

Segundo Maria Sylvia Zanella Di Pietro, “Administração Indireta é o conjunto de pessoas jurídicas, de direito público ou privado, criadas por lei, para desempenhar atividades assumidas pelo Estado, seja como serviço público, seja a título de intervenção no domínio econômico”. Assinale a alternativa correta, quanto à Administração Pública Indireta.

 

Provas

Questão presente nas seguintes provas

Jonas, servidor público da UFRJ, cometeu ato de improbidade administrativa e foi demitido mediante processo administrativo disciplinar. Pelo fato de não concordar com a pena de demissão, Jonas contratou um advogado para interpor recurso administrativo a ser analisado pelo Reitor, autoridade competente que proferiu a decisão de demitir o servidor. Entretanto, na ausência do Reitor, a decisão do recurso foi delegada ao Pró-Reitor de Pessoal. De acordo com a Lei nº 9.784/99, que regula o processo administrativo no âmbito da Administração Pública Federal, assinale a alternativa correta quanto ao caso descrito.

 

Provas

Questão presente nas seguintes provas