Foram encontradas 50 questões.
O respeito à ética no serviço público é essencial para o bom funcionamento do Estado e para a construção de uma sociedade mais justa e democrática. O cumprimento dos princípios éticos fortalece a confiança dos cidadãos nas instituições públicas e contribui para o desenvolvimento e o progresso do país. Além disso, a ética no serviço público é fundamental para combater a corrupção e promover a accountability, garantindo que os servidores sejam responsabilizados por suas ações e decisões. De acordo com o Código de Ética Profissional do Servidor Público Civil do Poder Executivo Federal, é dever fundamental do servidor:
Provas
Observe o circuito abaixo, montado com base em um amplificador operacional. Assinale a alternativa que apresenta o seu ganho.

Provas
Considerando o circuito lógico apresentado, que possui quatro entradas (A, B, C e D) e uma saída (Y), assinale a opção que representa sua expressão lógica simplificada.

Provas
Fontes de alimentação lineares são equipamentos utilizados em bancadas de eletrônica com o propósito de alimentar circuitos que estejam em teste, desenvolvimento ou manutenção. Sua construção envolve o uso de estágios de transformador, retificador, filtro e regulador. Durante o teste de uma fonte de alimentação, observou-se que sua tensão de saída, medida com auxílio de voltímetro, apresentava valores menores, conforme cargas de maior potência eram conectadas à saída da fonte. Assinale a alternativa que apresenta o estágio provavelmente defeituoso.
Provas
O Flip Flop JK é um elemento de memória que, diferentemente de uma porta lógica, cuja saída depende somente das entradas naquele instante, tem sua saída dependente também do estado atual do próprio Flip Flop. Suponha um arranjo de três Flip Flops, como apresentado abaixo.

Suponha agora a conexão de todas as entradas “J” e “K” ao valor lógico 1, a saída “Q” do Flip Flop JK 1 à entrada CLK do Flip Flop JK 2, a saída “Q” do Flip Flop JK 2 à entrada CLK do Flip Flop JK 3. Tome as saídas “Q” dos três Flip Flops como as saídas do circuito. Aplique um sinal quadrado, de clock, à entrada CLK do Flip Flop JK 1. Considerando esses procedimentos, assinale a alternativa que apresenta o tipo de circuito que terá sido montado.
Provas
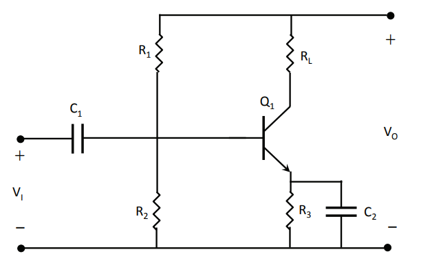
Dentre as diversas aplicações dos transistores bipolares, podemos citar os amplificadores, como o que está apresentado na figura.

Assinale a alternativa que apresenta, neste caso, a classe do amplificador e seu máximo rendimento teórico.
Provas
Considere os símbolos de circuitos apresentados a seguir. Assinale a alternativa que apresenta os componentes que eles representam, respectivamente.

Provas
Um determinado processo industrial é representado pela tabela verdade abaixo, composta por três entradas (A, B e C) e uma saída (Y).
A | B | C | Y |
0 | 0 | 0 | 0 |
0 | 0 | 1 | 0 |
0 | 1 | 0 | 0 |
0 | 1 | 1 | 1 |
1 | 0 | 0 | 0 |
1 | 0 | 1 | 1 |
1 | 1 | 0 | 1 |
1 | 1 | 1 | 1 |
Assinale a alternativa que indica a opção simplificada da expressão que realiza a tabela apresentada.
Provas
Os circuitos retificadores de onda completa são aplicados na conversão de sinais de corrente alternada para sinais contendo componentes em corrente contínua. Supondo que um sinal senoidal apresenta uma amplitude de pico a pico Vpp e uma frequência F, assinale a alternativa que indica o que acontecerá com estes parâmetros após uma retificação de onda completa.
Provas
Em sistemas digitais, é comum utilizar os sistemas de numeração binário (base 2), octal (base 8) e hexadecimal (base 16). Assinale a alternativa que indica o resultado da soma apresentada a seguir.

Provas
Caderno Container