Foram encontradas 30 questões.
A operação de carregamento de uma bateria é realizada por meio de uma ponte retificada completa de diodos, alimentada por tensão CA de 100 volts, conforme a figura abaixo.

A amplitude de tensão de alimentação foi escolhida de forma a ser a mínima necessária para garantir, ao final do carregamento, um valor especificado da corrente média. A tensão (E) da bateria varia do início ao término da carga, mas sua resistência (R) é considerada constante e igual a 1 \( \Omega \). Os diodos são considerados ideais e com comutação instantânea.
Assim, quando a tensão da bateria for 50 volts, o ângulo de condução de cada diodo, em radianos, será:
Provas
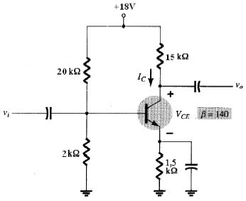
Considere a figura abaixo.

A corrente de polarização Ic, para a configuração do circuito, considerando-se que Vbe = 0,7V, é:
Provas

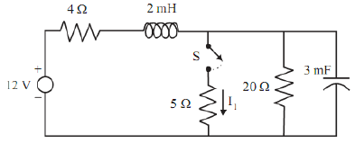
Após passar o transitório de fechar a chave S, a corrente I1 será:
Provas

A chave S, no circuito, ficou aberta por um longo tempo, de modo que o circuito alcançou o regime permanente. Imediatamente após ser fechada a chave S, o valor da corrente I1 passará a medir:
Provas
Considere o circuito abaixo.

Nesse circuito, visto dos terminais A-B, a resistência (RT) e a tensão Thevenan (VT), são, respectivamente:
Provas
Analise a figura abaixo.

No circuito representado pela figura, a corrente i3 tem o seguinte valor:
Provas
A figura abaixo representa o lugar das raízes de uma planta.

Essa planta é determinada pela expressão:
Provas
As figuras abaixo apresentam os diagramas de Bode para a função de transferência em malha aberta de um determinado sistema físico.

A margem de ganho, em dB, e a margem de fase, em graus, valem, respectivamente:
Provas
Um sistema tem a sua entrada x(t) relacionada com a saída y(t), de acordo com a seguinte equação diferencial:
\( \large{d^2y\over dt^2} + 5{dy\over dt} = 10x(t) \)
Considerando-se nulas todas as condições iniciais e aplicando-se, nesse sistema, uma realimentação de saída, com a lei de controle dada por \( x(t) = -Ky(t)+r(t) \), onde K é uma constante, a expressão da Função de Transferência que relaciona a saída Y(s) com a entrada de referência R(s) é:
Provas
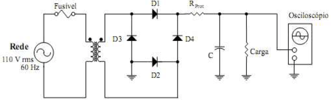
Você é o engenheiro responsável por um laboratório que dispõe de duas fontes de alimentação CC com defeito, construídas segundo o esquema abaixo.

Seu chefe pediu-lhe que emitisse um parecer sobre a possível causa desse defeito.
Para emiti-lo, leve em conta também os dados seguintes:
- Os diodos e o capacitor são os únicos elementos passíveis de apresentar defeitos.
- Em cada fonte, há um único componente defeituoso.
- Os defeitos possíveis são: curtocircuito ou interrupção (componente aberto).
- Formas de onda obtidas com o osciloscópio.

Considerando-se as formas de onda obtidas com o osciloscópio, a provável causa do defeito de cada uma das fontes está especificada na opção
Provas
Caderno Container