Foram encontradas 50 questões.
Considere a seguinte descrição: "Estaca executada por perfuração do solo com uma sonda ou piteira e revestimento total com camisa metálica, realizando-se o lançamento do concreto e retirada gradativa do revestimento com simultâneo apicoamento do concreto". Esse trecho descreve uma fundação do tipo
Provas
A Norma NBR 6122/2010 define que uma fundação em sapata é o elemento de fundação superficial, de concreto armado, dimensionado de modo que as tensões de tração nela resultantes sejam resistidas pelo emprego de armadura, especialmente disposta para esse fim. São exemplos de fundações do tipo sapata:
Provas
A NR 18 do Ministério do Trabalho e Emprego, nas suas disposições finais, cita a obrigatoriedade, por parte do empregador, do fornecimento de água potável, filtrada e fresca para os trabalhadores, por meio de bebedouros de jato inclinado ou equipamentos similares. Estabelece, ainda, que a distância máxima a ser percorrida pelos trabalhadores do posto de trabalho ao bebedouro não seja superior a
Provas
O ensaio de compressão axial do concreto revelou que a carga de ruptura registrada no ensaio de um corpo de prova cilíndrico, com diâmetro de 10 cm e altura de 20 cm, foi de 18,05 toneladas. Nesse caso, a resistência à compressão do concreto, em MPa, é de , aproximadamente,
Provas
O Cimento Portland é o aglomerante mais utilizado na construção civil, para obras correntes, sob a forma de argamassa, concreto simples, armado e protendido. O tipo de cimento Portland especialmente indicado para a fabricação de tubos e canaletas de concr eto que se destinam à condução de líquidos agressivos é o
Provas
Para concretos autoadensáveis, é importante observar propriedades como fluidez, tendência a bloqueamento e a segregação, de forma bastante similar a uma concretagem real. O ensaio que permite observar essas propriedades é o
Provas
Os aditivos utilizados em concreto destinam-se a modificar as propriedades da mistura no estado fresco e/ou endurecido. A quantidade de aditivo utilizada no concreto é geralmente calculada a partir do
Provas
Para dimensionar a armadura longitudinal de uma seção de concreto armado submetida a flexão simples, um engenheiro utiliza as simplificações previstas em norma e a formulação do equilíbrio da seção, tal como descrito na figura abaixo.

Suponha que as dimensões da seção bw e h e a altura útil d sejam conhecidas, bem como as resistências de cálculo dos materiais f cd e fyd, dado um momento de cálculo Md. Utilizando uma única equação, a profundidade x da linha neutra pode ser diretamente obtida
Provas
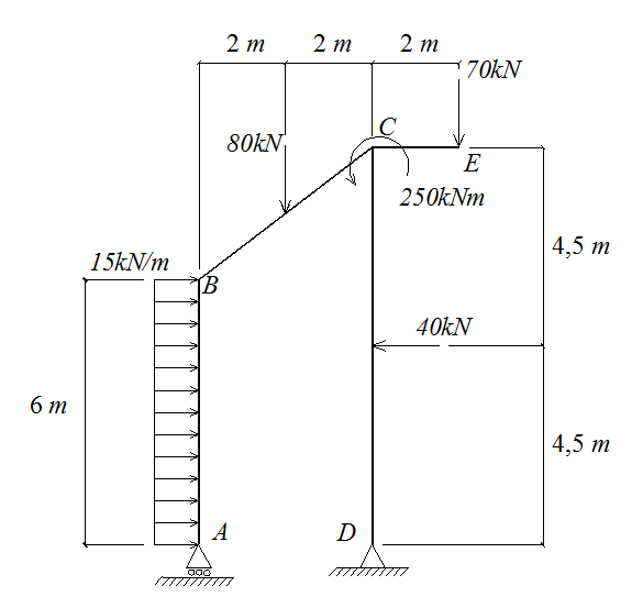
A figura abaixo representa um pórtico plano isostático

Ao realizar o cálculo do momento fletor para esse pórtico o engenheiro calculista conclui que o valor do momento fletor na seção C da barra BC da estrutura possui um módulo de:
Provas
Uma viga AB, engastada em A e submetida a uma taxa de carregamento transversal linear de ordenada máxima q, encontra-se suspensa por um cabo na seção B, conforme ilustrado na figura abaixo.

O comprimento da viga AB é l, e sua rigidez flexional é constante e vale EI z. O cabo apresenta comprimento h, e sua rigidez axial é constante e de valor EA. Para determinar as reações de apoio e os esforços internos solicitantes, um engenheiro estrutural utilizou os dados referentes aos deslocamentos transversais v(x) de uma viga engastada e livre, descritos no quadro abaixo.

Após realizar os cálculos, o engenheiro conclui corretamente que o módulo do esforço cortante da viga AB na seção B é dado por:
Provas
Caderno Container