Foram encontradas 50 questões.
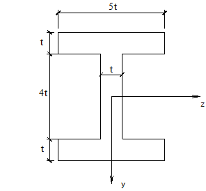
Um engenheiro necessita determinar a distribuição da componente de tensão de cisalhamento na seção transversal reta de uma viga. Nesse contexto, use como parâmetro a figura abaixo.

Considerando essa figura, ao dimensionar uma viga com seção transversal reta I, com as dimensões relativas à espessura da alma t e utilizando como simplificação a hipótese das seções planas, o engenheiro conclui que a componente de tensão de cisalhamento na seção transversal apresenta um comportamento que varia
Provas
luz do que dispõe a Lei nº 9.784/99, concluída a instrução do processo administrativo, a Administração deve decidir no prazo de até
Provas
Segundo as disposições da lei que regula o processo administrativo no âmbito da Administração Pública Federal (Lei nº 9.784/99), os interessados serão intimados de prova ou diligência ordenada com antecedência mínima de
Provas
Considerando as disposições expressas na Lei nº 9.784, 29 de janeiro de 1999, analise as afirmativas abaixo.
I Divulgação oficial dos atos administrativos, ressalvadas as hipóteses de sigilo previstas na Constituição, é um dos critérios a serem observados nos processos administrativos.
II Considera-se entidade a unidade de atuação dotada de personalidade jurídica.
III O administrado tem direito a ter ciência da tramitação dos processos administrativos em que tenha a condição de interessado, sendo vedado vista dos autos e obtenção de cópias.
IV A decisão de recursos administrativos pode ser objeto de delegação.
Das afirmativas, estão corretas
Provas
O auxílio-funeral é devido à família do servidor falecido na atividade ou aposentado. Segundo as normas previstas no Regime Jurídico dos Servidores Públicos Civis da Uni ão (Lei nº 8.112/90), esse benefício é pago no valor equivalente a
Provas
- Legislação Administrativa
- Lei 8.112/1990: RJUDos Direitos e VantagensLicenças, Afastamentos e Concessões
luz do que dispõe a Lei nº 8.112/90, o servidor terá direito à licença para atividade política, sem remuneração, durante o período que mediar entre a sua escolha em convenção partidária, como candidato a cargo eletivo, e a véspera do registro de sua candidatura perante a Justiça Eleitoral. De acordo com as disposições da referida lei, a partir do registro da candidatura e até o décimo dia seguinte ao da eleição, o servidor fará jus à licença, assegurados os vencimentos do cargo efetivo, somente pelo período de
Provas
Nos termos do que estabelece o Regime Jurídico dos Servidores Públicos Civis da União (Lei nº 8.112/90), a penalidade disciplinar de suspensão não pode ultrapassar
Provas
De acordo com as disposições previstas no Regime Jurídico dos Servidores Públicos Civis da União (Lei nº 8.112/90), o serviço noturno, prestado em horário compreendido entre vinte e duas horas de um dia e cinco horas do dia seguinte, terá o valor-hora acrescido de
Provas
Considerando o que expressamente dispõe o Regime Jurídico dos Servidores Públicos Civis da União (Lei nº 8.112/90), analise as afirmativas abaixo.
I Será concedido horário especial ao servidor portador de deficiência, quando comprovada a necessidade por junta médica oficial, sendo obrigatória a compensação de horário pelo servidor.
II Sem qualquer prejuízo, poderá o servidor ausentar-se do serviço por dois dias, para doação de sangue.
III Será concedido horário especial ao servidor estudante, quando com provada a incompatibilidade entre o horário escolar e o da repartição, sem prejuízo do exercício do cargo.
IV O afastamento para servir em organismo internacional de que o Brasil participe ou com o qual coopere é considerado como de efetivo exercício.
Das afirmativas, estão corretas
Provas
A Lei nº 8.112/90 assegura ao servidor o direito de requerer aos Poderes Públicos, em defesa de direito ou interesse legítimo. De acordo com as normas dessa lei, o prazo para pedido de reconsideração, a contar da publicação ou da ciência pelo interessado, é de
Provas
Caderno Container