Foram encontradas 910 questões.
A barra engastada e livre esquematizada na figura abaixo possui seção reta circular constante e é composta de um material elástico linear.

Fonte: Autoria própria.
Nesse caso, ao ser submetida a um torque concentrado em sua extremidade livre,
Provas
A barra ilustrada abaixo está submetida a uma carga axial de 60kN, aplicada na seção B. Antes da aplicação da carga, a barra encontra-se engastada na seção A e livre na seção C, havendo uma fenda de 0,3 cm entre a seção C e um engaste. Após a aplicação da carga, a barra deforma-se, e a seção C encosta no engaste à direita, de modo que há impedimento de deslocamento axial na seção C.

Fonte: Autoria própria.
Tomando por base os comprimentos dos trechos ilustrados na figura e o valor da rigidez axial da barra EA = 104 kN, na situação final, a reação axial na seção A tem módulo
Provas
De acordo com a normativa ABNT NBR 5626:2020, ao elaborar um projeto de sistemas prediais de água fria e água quente (SPAFAQ), devem-se considerar requisitos e informações preliminares necessários. Sendo assim, avalie abaixo os requisitos e as informações a serem atendidos na elaboração dos referidos projetos SPAFAQ.
I Devem ser previamente levantadas as características do consumo predial, tais como volumes, vazões máximas e médias, perfil de consumo estimado, entre outras.
II Devem ser estabelecidas as características da oferta de água como disponibilidade de vazão, faixa de variação das pressões, constância do abastecimento, características da água, entre outras, não sendo exigida a definição mínimas de reservação.
III Devem ser projetados de modo que assegurem o fornecimento de água de forma contínua, em quantidade adequada e com pressões e vazões compatíveis com o funcionamento previsto dos aparelhos sanitários, peças de utilização e demais componentes e em temperaturas adequadas ao uso.
IV Devem proporcionar o equilíbrio de pressões da água fria e da água quente a jusante de misturadores convencionais, quando empregados, e minimizar a ocorrência de patologias
Estão corretos os requisitos e/ou informações descritos nos itens.
Provas
A ABNT NBR 8160:1999 estabelece as exigências e recomendações relativas ao projeto, à execução, ao ensaio e à manutenção dos sistemas prediais de esgoto sanitário. Sobre os trechos de tubulações no projeto de esgotamento sanitário, essa normativa estabelece que
Provas
A capacidade resistente do solo depende das características geotécnicas do subsolo e de diversos outros fatores, entre os quais podem ser citados: o tipo e a profundidade da fundação, as dimensões e a forma dos elementos de fundação, a influência do lençol freático e a estratigrafia do terreno. De posse desse conjunto de informações, é possível determinar o valor da tensão resistente de cálculo, para as situações em que serão utilizadas fundação direta, ou do esforço resistente, quando a opção for por fundação profunda. No caso da adoção de fundação direta, a determinação da tensão resistente de cálculo a partir do estado-limite último pode ser feita utilizando métodos
Provas
Ao analisar os documentos de um parecer que apresenta a solução de fundação de uma obra, o engenheiro civil responsável por executar a obra depara com o texto abaixo:
|
“Trata-se de uma estaca armada e preenchida com argamassa de cimento e areia, moldada in loco executada por perfuração rotativa e rotopercussiva, revestida integralmente, no trecho em solo, por um conjunto de tubos metálicos recuperáveis” |
de ensaios de provas de carga, o engenheiro conclui que a solução descrita no parecer é de uma fundação profunda do tipo
Provas
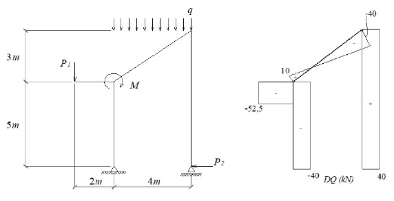
O pórtico isostático biapoiado, ilustrado na figura abaixo, encontra-se submetido a uma taxa de carregamento uniforme, duas forças concentradas e uma carga momento concentrada.

Fonte: Autoria própria.
Considerando-se o diagrama de força cortante (DQ) do pórtico, conclui-se que o valor M da carga momento aplicada é de
Provas
A viga prismática, constituída de um material linear elástico e simplesmente apoiada, esquematizada na figura abaixo, possui um vão de 5 m e se encontra submetida a uma taxa de carregamento uniforme de 10 kN/m e uma força concentrada de 30 kN aplicada a uma distância de 2 m do apoio da esquerda. Para verificar a resistência da estrutura, é necessário determinar os valores das componentes de tensão existentes.

Fonte: Autoria própria.
Considerando os dados contidos na figura, a componente de tensão cisalhante !$ t_{xy} !$ atinge o maior módulo
Provas
Em uma edificação foi escolhido como material estrutural o concreto armado, moldado in situ. Para a correta execução de tal edificação, o profissional deve atentar-se ao correto processo construtivo, de modo a evitar patologias que ocasionem a ruptura ou que afetem a durabilidade da construção. Ao iniciar a concretagem, para a correta execução da estrutura, é indispensável garantir
Provas
A escolha adequada do material é de suma importância para a construção civil. Os materiais metálicos e cerâmicos são largamente utilizados na engenharia civil, e é indispensável ao engenheiro civil conhecer as principais características de cada um desses materiais. É correto afirmar, por exemplo, que
Provas
Caderno Container