Foram encontradas 64 questões.
Quanto aos transistores, assinale a alternativa incorreta.
Provas
Quanto ao circuito a seguir, que contém um diodo (D1) com queda de tensão de 0,7 V, assinale a alternativa verdadeira.

Provas
Sobre o amplificador operacional, assinale a alternativa correta.
Provas
Assinale a alternativa que representa a tensão na saída (\( V \)\( s \)\( a \)í\( d \)\( a \)) do amplificador operacional apresentado a seguir.

Provas
Considerando o circuito com amplificador operacional indicado na figura a seguir, assinale a alternativa que representa a razão da tensão de saída e a tensão de entrada ( \( \dfrac{Vo}{V_1} \) ).

Provas
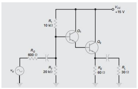
Considere o circuito amplificador do tipo darling a seguir com a tensão base emissor em 0,7 V e com cada transistor tendo ganho de corrente (\(\beta\)) de 100 para responder às questões 29 e 30.

Quanto vale a corrente contínua do emissor do transistor Q2?
Provas
Considere o circuito amplificador do tipo darling a seguir com a tensão base emissor em 0,7 V e com cada transistor tendo ganho de corrente (\(\beta\)) de 100 para responder às questões 29 e 30.

Quanto vale o ganho de corrente total do circuito?
Provas
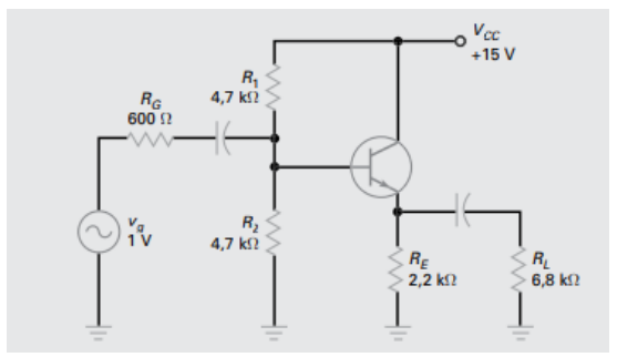
Considere o circuito a seguir com a tensão base emissor em 0,7 V para responder às questões 27 e 28.

Quanto vale a corrente contínua no emissor do transistor?
Provas
Considere o circuito a seguir com a tensão base emissor em 0,7 V para responder às questões 27 e 28.

Quanto vale a tensão na base do transistor do circuito?
Provas
Analise as proposições a seguir sobre dispositivos semicondutores:
1) Quanto maior a distância de um elétron em relação ao núcleo, maior o estado de energia.
2) Os elétrons livres, em um material devido somente a causas externas, são chamados de portadores intrínsecos.
3) Em dispositivos condutores, a resistência diminui à medida que o calor aumenta.
Está(ão) correta(s)
Provas
Caderno Container