Foram encontradas 64 questões.
Respondida
Dada a tabela verdade abaixo, assinale a alternativa que corresponde à sua função mínima a ser implementada.
A
B
C
D
F(A,B,C,D)
0
0
0
0
1
0
0
0
1
0
0
0
1
0
X
0
0
1
1
0
0
1
0
0
0
0
1
0
1
1
0
1
1
0
0
0
1
1
1
X
1
0
0
0
1
1
0
0
1
0
1
0
1
0
X
1
0
1
1
0
1
1
0
0
0
1
1
0
1
1
1
1
1
0
0
1
1
1
1
X
Respondida
Dentre as atividades abaixo, identifique aquela que não corresponde a uma etapa de Auditoria Energética com vistas ao uso eficiente de eletricidade.
Respondida
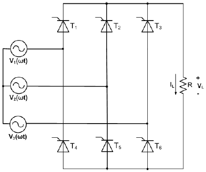
O circuito apresentado na figura abaixo se refere ao:
Respondida
As atividades de manutenção: revisar o comutador, realizar o teste funcional do relé Buchholz e realizar análise cromatográfica do líquido isolante são realizadas no seguinte equipamento de uma subestação:
Respondida
Quanto aos instrumentos de medição, assinale a alternativa incorreta .
Respondida
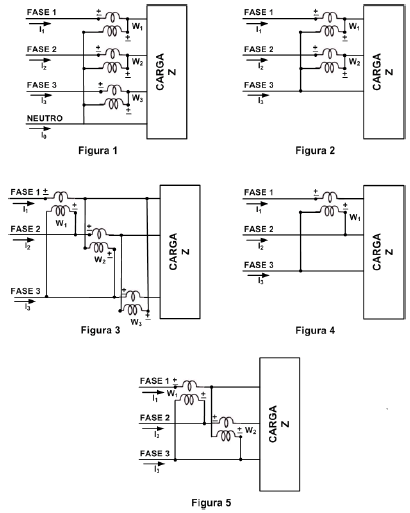
Sobre os métodos de medição de potência, assinale a alternativa correta .
Respondida
Não caracteriza uma atividade de manutenção preventiva em instalações elétricas:
A
inspecionar o estado de isolação dos condutores e de seus elementos de conexão, fixação e suporte, com vistas a detectar sinais de aquecimento excessivo, rachaduras e ressecamento.
B
verificar a estrutura dos quadros e painéis observando o estado geral quanto à fixação, integralidade mecânica, pintura, corrosão, fechaduras e dobradiças.
C
substituir isoladores utilizados em ramal de ligação na tensão de 380/220V devido a dano causado por vandalismo.
D
inspecionar, para componentes com partes internas móveis, o estado dos contatos e das câmaras de arco, sinais de aquecimento, limpeza, fixação, ajustes e aferições – se possível, realizar algumas manobras no componente, verificando seu funcionamento.
E
efetuar ensaio geral de funcionamento, simulando todas as situações de comando, seccionamento, proteção, sinalização e observando, também, os ajustes e aferições dos componentes (relés, sensores, temporizadores etc.), bem como a utilização de fusíveis, disjuntores, chaves seccionadoras, etc., em conformidade com o projeto.
Respondida
Quanto às práticas recomendadas para a conservação e o uso eficiente da energia elétrica, assinale a alternativa incorreta .
Respondida
Quando há possíveis soluções para o tratamento de fatores que afetam a qualidade da energia elétrica, é correto afirmar que:
A
uma solução indicada para mitigar os efeitos da variação de tensão causada por descargas atmosféricas é o uso do dispositivo diferencial residual (DR), combinado com a equipotencialização pela conexão de todas as cargas ao sistema de aterramento da instalação, conforme previsto na NBR 5419.
B
a distribuição equilibrada das cargas monofásicas que compõem uma unidade consumidora pode reduzir a circulação de corrente de sequência negativa que afeta, por exemplo, o desempenho de motores de indução.
C
o emprego de cargas lineares que utilizam fontes chaveadas, como, por exemplo, televisores, computadores e equipamentos de som, contribui para reduzir o efeito flicker provocado pela flutuação de tensão.
D
a transposição de fases em linhas de transmissão que operam em tensões iguais ou superiores a 230kv eliminam as componentes harmônicas de ordem ímpar que costumam trazer as amplitudes relevantes.
E
a utilização de elementos de compensação, como banco de capacitores, tem efeito sobre o fator de potência de uma unidade consumidora, de forma a proporcionar o aumento da potência reativa naquela instalação.
Respondida
Quanto ao acionamento de motores trifásicos de indução tipo gaiola, assinale a alternativa correta .
A
Sempre que possível, a partida desse tipo de motor deve ser indireta. Esse procedimento é feito a plena tensão, por meio de um dispositivo de comando – geralmente um contator.
B
Para a partida direta podem ser utilizados sistemas de partida direta com tensão reduzida. Essa partida é utilizada nos casos em que, por imposição da concessionária local, motores acima de 5 cv partam com tensão reduzida.
C
Para a partida estrela-triângulo é fundamental que o motor possa trabalhar com ligação em dupla tensão, por exemplo, 220/380V, 380/660V, ou 440/760V. Os motores devem ter, no mínimo, 6 bornes.
D
A partida utilizando chave compensadora é muito utilizada, uma vez que em relação à partida estrela-triângulo tem custos menores, seus componentes ocupam menos espaço e oferece maior número de manobras.
E
O sistema de partida suave (soft starter ) é um dispositivo eletrônico formado por uma ponte de tiristores (SCR) que controlam a corrente de partida de motores. Tem como limitações a baixa confiabilidade de seus componentes e insere quedas de tensão um pouco maiores que as soluções estrela-triângulo e a chave compensadora.