Foram encontradas 64 questões.
O casal Silva, formado pelo Sr. e Srª Silva, convidaram quatro casais amigos para um jantar. Os casais convidados são formados pelos Sr. e Srª A, B, C e D. Nesses casais, estão um(a) ensaísta, um(a) historiador(a), um(a) dramaturgo(a), um(a) romancista e o respectivo cônjuge. Os anfitriões e os convidados se sentaram em uma mesa redonda, com dez cadeiras, com homens e mulheres em cadeiras alternadas e nenhum marido se sentou ao lado de sua esposa. Os presentes se conheciam, com exceção da Srª A, que não conhecia o(a) historiador(a), e da Srª C, que não conhecia o(a) ensaísta. Admita que a relação de conhecer alguém é simétrica, ou seja, se uma pessoa X conhece a pessoa Y, então Y também conhece X. O arranjo dos assentos atendia às seguintes condições:
1) o Sr. B se sentou entre a Srª C e a romancista.
2) a Srª A sentou ao lado do marido da romancista.
3) a esposa do ensaísta sentou entre o marido da dramaturga e o historiador.
4) a esposa do historiador sentou à esquerda do Sr. Silva.
5) o Sr. A sentou à direita da Srª Silva e à esquerda da Srª B.
Quem sentou à direita do Sr. D?
Provas
Questão presente nas seguintes provas
Um de cada quatro amigos calculou o produto das idades, em anos, dos outros três. Os resultados obtidos foram 864, 1008, 1344 e 1512. Assinale a soma das idades dos quatro amigos, em anos.
Provas
Questão presente nas seguintes provas
Em uma mercearia, uma dúzia de laranjas custa o triplo do que custam dez maracujás. Depois de um mês, o preço das laranjas caiu 5% e o dos maracujás subiu 3%. Em relação ao mês passado, quanto se gastaria na compra de uma dúzia de laranjas e de dez maracujás?
Provas
Questão presente nas seguintes provas
Entre os temas ensinados aos jovens brasileiros no ensino básico, estão, por exemplo, a fase inicial da colonização, a resistência dos quilombos à escravidão e a Inconfidência Mineira. Nessas aulas, porém, os alunos ouvem falar pouco ou nada da ativista de ascendência indígena Madalena Caramuru, que viveu no século XVI, da guerreira quilombola Dandara ou da inconfidente Hipólita Jacinta de Melo.
Na literatura, estudam romances de José de Alencar e de outros autores do Romantismo, mas não são informados da existência de Maria Firmina dos Reis, autora de “Úrsula”, um dos primeiros romances de autoria feminina do Brasil, primeiro de autoria negra e primeiro escrito ficcional de cunho abolicionista. Outras, como Anita Garibaldi, são mencionadas, mas quase sempre à sombra de seus companheiros homens.
O apagamento de brasileiras responsáveis por contribuições importantes se repete em diversas áreas de atuação. Em uma tentativa de reparar esse desconhecimento, o livro “Extraordinárias mulheres que revolucionaram o Brasil”, lançado pela Companhia das Letras na última semana de novembro, reúne a trajetória de 44 mulheres, com ilustração inédita de cada uma delas.
[...] Outras obras que têm o propósito de resgatar a biografia de mulheres cuja contribuição histórica é pouco difundida, ou mesmo desconhecida, foram publicadas em vários países. O contexto é a reivindicação de representatividade que tem sido pautada por feministas e profissionais das artes, da ciência, da tecnologia, entre outros campos.
“Extraordinárias Mulheres” é o primeiro dessa onda que se propõe a compilar os dados biográficos e os feitos de mulheres nascidas no Brasil ou “abrasileiradas” – que adotaram o país para viver, como é o caso da arquiteta Lina Bo Bardi e da missionária e ativista Dorothy Stang.
O projeto das jornalistas Duda Porto de Souza e Aryane Cararo é fruto de dois anos de pesquisa – um mergulho na vida de quase 300 mulheres, a partir das quais as autoras chegaram às 44 que estão no livro. Consultaram arquivos de jornais, livros, documentos e realizaram entrevistas.
Apesar da vocação educativa explícita, seu público-alvo transcende uma faixa etária específica, segundo as autoras.
“Espero que seja um passo inicial. Que sirva de inspiração para crianças, jovens e adultos irem atrás de outras brasileiras brilhantes. E que a gente possa contar uma história um pouco mais igualitária, justa, dando nomes e rostos a quem fez o país chegar até aqui”, disse Aryane Cararo.
“Que a gente possa contar a história de Anita, a mulher que enfrentou tropas imperiais no Brasil e lutou pela unificação da Itália. E não a Anita do Garibaldi. De Dandara, a mulher que não queria fechar o quilombo para novos escravos fugitivos, e não a mulher de Zumbi. De Dinalva, que quase ficou invisível na história da luta armada no Brasil na época da ditadura. De Marinalva, que está fazendo história agorinha mesmo”, complementa a autora.
O livro também conta com uma extensa linha do tempo que mostra conquistas de direitos obtidas pelas mulheres do século XVI até o presente, e traz informações que esclarecem como era ser mulher em determinadas épocas.
Disponível em: https://www.nexojornal.com.br/expresso/2017/11/24/O-livro-que-conta-a-história-do-Brasil-pela-trajetória-de-mulheres-extraordinárias. Acesso em 03/05/18. Adaptado.
“Apesar da vocação educativa explícita, seu público-alvo transcende uma faixa etária específica”. Neste trecho do Texto, evidencia-se uma relação semântica de:
Provas
Questão presente nas seguintes provas
Para o circuito amplificador apresentado abaixo, qual o valor do ganho !$ A_V=V_{OUT}/V_{IN} !$?

Provas
Questão presente nas seguintes provas
Entre os temas ensinados aos jovens brasileiros no ensino básico, estão, por exemplo, a fase inicial da colonização, a resistência dos quilombos à escravidão e a Inconfidência Mineira. Nessas aulas, porém, os alunos ouvem falar pouco ou nada da ativista de ascendência indígena Madalena Caramuru, que viveu no século XVI, da guerreira quilombola Dandara ou da inconfidente Hipólita Jacinta de Melo.
Na literatura, estudam romances de José de Alencar e de outros autores do Romantismo, mas não são informados da existência de Maria Firmina dos Reis, autora de “Úrsula”, um dos primeiros romances de autoria feminina do Brasil, primeiro de autoria negra e primeiro escrito ficcional de cunho abolicionista. Outras, como Anita Garibaldi, são mencionadas, mas quase sempre à sombra de seus companheiros homens.
O apagamento de brasileiras responsáveis por contribuições importantes se repete em diversas áreas de atuação. Em uma tentativa de reparar esse desconhecimento, o livro “Extraordinárias mulheres que revolucionaram o Brasil”, lançado pela Companhia das Letras na última semana de novembro, reúne a trajetória de 44 mulheres, com ilustração inédita de cada uma delas.
[...] Outras obras que têm o propósito de resgatar a biografia de mulheres cuja contribuição histórica é pouco difundida, ou mesmo desconhecida, foram publicadas em vários países. O contexto é a reivindicação de representatividade que tem sido pautada por feministas e profissionais das artes, da ciência, da tecnologia, entre outros campos.
“Extraordinárias Mulheres” é o primeiro dessa onda que se propõe a compilar os dados biográficos e os feitos de mulheres nascidas no Brasil ou “abrasileiradas” – que adotaram o país para viver, como é o caso da arquiteta Lina Bo Bardi e da missionária e ativista Dorothy Stang.
O projeto das jornalistas Duda Porto de Souza e Aryane Cararo é fruto de dois anos de pesquisa – um mergulho na vida de quase 300 mulheres, a partir das quais as autoras chegaram às 44 que estão no livro. Consultaram arquivos de jornais, livros, documentos e realizaram entrevistas.
Apesar da vocação educativa explícita, seu público-alvo transcende uma faixa etária específica, segundo as autoras.
“Espero que seja um passo inicial. Que sirva de inspiração para crianças, jovens e adultos irem atrás de outras brasileiras brilhantes. E que a gente possa contar uma história um pouco mais igualitária, justa, dando nomes e rostos a quem fez o país chegar até aqui”, disse Aryane Cararo.
“Que a gente possa contar a história de Anita, a mulher que enfrentou tropas imperiais no Brasil e lutou pela unificação da Itália. E não a Anita do Garibaldi. De Dandara, a mulher que não queria fechar o quilombo para novos escravos fugitivos, e não a mulher de Zumbi. De Dinalva, que quase ficou invisível na história da luta armada no Brasil na época da ditadura. De Marinalva, que está fazendo história agorinha mesmo”, complementa a autora.
O livro também conta com uma extensa linha do tempo que mostra conquistas de direitos obtidas pelas mulheres do século XVI até o presente, e traz informações que esclarecem como era ser mulher em determinadas épocas.
Disponível em: https://www.nexojornal.com.br/expresso/2017/11/24/O-livro-que-conta-a-história-do-Brasil-pela-trajetória-de-mulheres-extraordinárias. Acesso em 03/05/18. Adaptado.
Assinale a alternativa na qual o emprego do sinal indicativo de crase está correto.
Provas
Questão presente nas seguintes provas
Num prédio de 3 pavimentos, a porta do elevador recebe de um circuito lógico o comando para abrir apenas em certas condições de segurança. O elevador só deve ter sua porta aberta (P=1) quando não estiver em movimento (M=0) e quando estiver posicionado em algum andar específico (A1, A2, A3). Por exemplo, se o elevador estiver no primeiro andar, A1=1 e A2=A3=0. Considerando que não é possível ao elevador estar em mais de um andar ao mesmo tempo, e que ele deve estar em algum andar específico e sem movimento para que sua porta seja aberta, assinale a alternativa que corresponde à função P(A1,A2,A3,M) que faz a porta do elevador abrir:
Provas
Questão presente nas seguintes provas
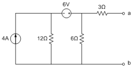
Dado o circuito em corrente contínua linear indicado pela figura abaixo:

Provas
Questão presente nas seguintes provas
Entre os temas ensinados aos jovens brasileiros no ensino básico, estão, por exemplo, a fase inicial da colonização, a resistência dos quilombos à escravidão e a Inconfidência Mineira. Nessas aulas, porém, os alunos ouvem falar pouco ou nada da ativista de ascendência indígena Madalena Caramuru, que viveu no século XVI, da guerreira quilombola Dandara ou da inconfidente Hipólita Jacinta de Melo.
Na literatura, estudam romances de José de Alencar e de outros autores do Romantismo, mas não são informados da existência de Maria Firmina dos Reis, autora de “Úrsula”, um dos primeiros romances de autoria feminina do Brasil, primeiro de autoria negra e primeiro escrito ficcional de cunho abolicionista. Outras, como Anita Garibaldi, são mencionadas, mas quase sempre à sombra de seus companheiros homens.
O apagamento de brasileiras responsáveis por contribuições importantes se repete em diversas áreas de atuação. Em uma tentativa de reparar esse desconhecimento, o livro “Extraordinárias mulheres que revolucionaram o Brasil”, lançado pela Companhia das Letras na última semana de novembro, reúne a trajetória de 44 mulheres, com ilustração inédita de cada uma delas.
[...] Outras obras que têm o propósito de resgatar a biografia de mulheres cuja contribuição histórica é pouco difundida, ou mesmo desconhecida, foram publicadas em vários países. O contexto é a reivindicação de representatividade que tem sido pautada por feministas e profissionais das artes, da ciência, da tecnologia, entre outros campos.
“Extraordinárias Mulheres” é o primeiro dessa onda que se propõe a compilar os dados biográficos e os feitos de mulheres nascidas no Brasil ou “abrasileiradas” – que adotaram o país para viver, como é o caso da arquiteta Lina Bo Bardi e da missionária e ativista Dorothy Stang.
O projeto das jornalistas Duda Porto de Souza e Aryane Cararo é fruto de dois anos de pesquisa – um mergulho na vida de quase 300 mulheres, a partir das quais as autoras chegaram às 44 que estão no livro. Consultaram arquivos de jornais, livros, documentos e realizaram entrevistas.
Apesar da vocação educativa explícita, seu público-alvo transcende uma faixa etária específica, segundo as autoras.
“Espero que seja um passo inicial. Que sirva de inspiração para crianças, jovens e adultos irem atrás de outras brasileiras brilhantes. E que a gente possa contar uma história um pouco mais igualitária, justa, dando nomes e rostos a quem fez o país chegar até aqui”, disse Aryane Cararo.
“Que a gente possa contar a história de Anita, a mulher que enfrentou tropas imperiais no Brasil e lutou pela unificação da Itália. E não a Anita do Garibaldi. De Dandara, a mulher que não queria fechar o quilombo para novos escravos fugitivos, e não a mulher de Zumbi. De Dinalva, que quase ficou invisível na história da luta armada no Brasil na época da ditadura. De Marinalva, que está fazendo história agorinha mesmo”, complementa a autora.
O livro também conta com uma extensa linha do tempo que mostra conquistas de direitos obtidas pelas mulheres do século XVI até o presente, e traz informações que esclarecem como era ser mulher em determinadas épocas.
Disponível em: https://www.nexojornal.com.br/expresso/2017/11/24/O-livro-que-conta-a-história-do-Brasil-pela-trajetória-de-mulheres-extraordinárias. Acesso em 03/05/18. Adaptado.
Observe o cumprimento das normas de regência, no seguinte trecho do Texto:
Outras obras que têm o propósito de resgatar a biografia de mulheres cuja contribuição histórica é pouco difundida [...].
As normas de regência também estão cumpridas em:
Provas
Questão presente nas seguintes provas
Entre os temas ensinados aos jovens brasileiros no ensino básico, estão, por exemplo, a fase inicial da colonização, a resistência dos quilombos à escravidão e a Inconfidência Mineira. Nessas aulas, porém, os alunos ouvem falar pouco ou nada da ativista de ascendência indígena Madalena Caramuru, que viveu no século XVI, da guerreira quilombola Dandara ou da inconfidente Hipólita Jacinta de Melo.
Na literatura, estudam romances de José de Alencar e de outros autores do Romantismo, mas não são informados da existência de Maria Firmina dos Reis, autora de “Úrsula”, um dos primeiros romances de autoria feminina do Brasil, primeiro de autoria negra e primeiro escrito ficcional de cunho abolicionista. Outras, como Anita Garibaldi, são mencionadas, mas quase sempre à sombra de seus companheiros homens.
O apagamento de brasileiras responsáveis por contribuições importantes se repete em diversas áreas de atuação. Em uma tentativa de reparar esse desconhecimento, o livro “Extraordinárias mulheres que revolucionaram o Brasil”, lançado pela Companhia das Letras na última semana de novembro, reúne a trajetória de 44 mulheres, com ilustração inédita de cada uma delas.
[...] Outras obras que têm o propósito de resgatar a biografia de mulheres cuja contribuição histórica é pouco difundida, ou mesmo desconhecida, foram publicadas em vários países. O contexto é a reivindicação de representatividade que tem sido pautada por feministas e profissionais das artes, da ciência, da tecnologia, entre outros campos.
“Extraordinárias Mulheres” é o primeiro dessa onda que se propõe a compilar os dados biográficos e os feitos de mulheres nascidas no Brasil ou “abrasileiradas” – que adotaram o país para viver, como é o caso da arquiteta Lina Bo Bardi e da missionária e ativista Dorothy Stang.
O projeto das jornalistas Duda Porto de Souza e Aryane Cararo é fruto de dois anos de pesquisa – um mergulho na vida de quase 300 mulheres, a partir das quais as autoras chegaram às 44 que estão no livro. Consultaram arquivos de jornais, livros, documentos e realizaram entrevistas.
Apesar da vocação educativa explícita, seu público-alvo transcende uma faixa etária específica, segundo as autoras.
“Espero que seja um passo inicial. Que sirva de inspiração para crianças, jovens e adultos irem atrás de outras brasileiras brilhantes. E que a gente possa contar uma história um pouco mais igualitária, justa, dando nomes e rostos a quem fez o país chegar até aqui”, disse Aryane Cararo.
“Que a gente possa contar a história de Anita, a mulher que enfrentou tropas imperiais no Brasil e lutou pela unificação da Itália. E não a Anita do Garibaldi. De Dandara, a mulher que não queria fechar o quilombo para novos escravos fugitivos, e não a mulher de Zumbi. De Dinalva, que quase ficou invisível na história da luta armada no Brasil na época da ditadura. De Marinalva, que está fazendo história agorinha mesmo”, complementa a autora.
O livro também conta com uma extensa linha do tempo que mostra conquistas de direitos obtidas pelas mulheres do século XVI até o presente, e traz informações que esclarecem como era ser mulher em determinadas épocas.
Disponível em: https://www.nexojornal.com.br/expresso/2017/11/24/O-livro-que-conta-a-história-do-Brasil-pela-trajetória-de-mulheres-extraordinárias. Acesso em 03/05/18. Adaptado.
Acerca da proposta temática do Texto, é correto afirmar que ela:
Provas
Questão presente nas seguintes provas
Cadernos
Caderno Container