Foram encontradas 50 questões.
A soma binária de 1011101(2) + 1011111(2) tem como resultado, na base 10, o valor
Provas
Questão presente nas seguintes provas
A Tabela a seguir apresenta as potências ativa e reativa consumidas por instrumentos que serão alimentados por um transformador de corrente (TC).
| INSTRUMENTO | POTÊNCIA ATIVA (W) | POTÊNCIA REATIVA (Var) |
| Medidor de kWh (bobina de corrente) | 1,2 | 0,8 |
| Medidor de kVarh (bobina de corrente) | 1,2 | 0,8 |
Sabendo-se que as perdas nos condutores de ligação entre o TC e os instrumentos são iguais a 6,6 W, a carga nominal padronizada do TC imediatamente superior à potência total consumida será
Provas
Questão presente nas seguintes provas
- Transformadores e Máquinas ElétricasMáquinas EstáticasTransformadores Trifásicos e Autotransformadores
Um transformador de 30 kVA, 2.300/230 V é ligado como um autotransformador conforme a Figura a seguir:

De acordo com os elementos apresentados, os valores nominais de Ia, Ib e Ic são, respectivamente,
Provas
Questão presente nas seguintes provas
O diodo no circuito representado na figura ao lado é de um dispositivo grande, capaz de conduzir altas correntes. A corrente de fuga inversa do diodo é razoavelmente independente da temperatura. O nível de tensão em V é igual a 1,0 V a 20 ºC.

O valor de V para uma temperatura de 0 ºC será, aproximadamente,
Provas
Questão presente nas seguintes provas
O que a nova classe média pensa sobre sustentabilidade
Bruno Calixto
Na última década, uma parcela da população brasileira experimentou uma forte mudança social. Estima-se que mais de 30 milhões de pessoas deixaram a linha da pobreza, com aumento de renda e acesso a crédito e a bens de consumo. Esse grupo, que está sendo chamado de nova classe média, é um dos principais alvos das políticas sociais do governo federal. Mas, por ser um grupo grande e heterogêneo, sabe-se pouco sobre o que pensa de temas importantes, como a questão ambiental. O que a nova classe média pensa sobre sustentabilidade?
A pesquisadora Izabelle Vieira, da Universidade Federal Rural do Rio de Janeiro (UFRRJ), tenta responder a essa pergunta. A ideia é entender como essa parcela da população, que vive a festejada conquista de poder consumir mais, encara o discurso de sustentabilidade, que diz que o consumo deve ser controlado.
"O objetivo é conhecer as práticas reais e entender como esse grupo percebe as questões de consumo sustentável", diz Izabelle.
A dificuldade começa na definição do grupo a ser estudado. O conceito de nova classe média é novo, cunhado pelo economista Marcelo Neri, atual presidente do Instituto de Pesquisa Econômica Aplicada (Ipea). Mas não há consenso sobre isso entre a comunidade acadêmica. Para muitos pesquisadores, não é possível ainda dizer que surgiu uma nova classe no Brasil. Para fazer a pesquisa, Izabelle considerou como "nova classe média" o grupo social que estava na base da pirâmide e experimentou grande incremento de renda na última década, com aumento do salário mínimo, emprego e acesso ao crédito. São famílias que hoje possuem renda mensal entre R$ 1.000 e R$ 5.000 e que vivem nas periferias das grandes cidades.
O estudo ainda não está completo, mas os resultados iniciais mostram que o consumo sustentável não é prioridade para essas famílias, e que as questões ambientais são percebidas como distantes da realidade, mais associadas à ideia de proteção de florestas e rios e não com o dia a dia das grandes cidades. "Sustentabilidade não é um termo que costuma ser utilizado", diz Izabelle.
Isso não quer dizer que o assunto seja completamente ignorado. As pessoas enfatizam os problemas da comunidade, especialmente a questão do lixo. Além disso, as famílias da nova classe média mostram alguns comportamentos considerados sustentáveis, como economizar água e apagar as luzes ao sair dos quartos. Mas a motivação não é ambiental, é econômica. "Apagar a luz ou evitar o desperdício de água significa dinheiro no final do mês. Pode significar sair uma vez a mais para jantar no mês".
A pesquisadora ressalta que o objetivo do estudo não é defender a sustentabilidade nem criticar as famílias da nova classe média. "Não adianta simplesmente culpar o consumidor desse grupo por não adotar essas práticas. O consumo sustentável esbarra em questões materiais básicas e até diferenças filosóficas."
As questões materiais são evidentes: a população que vive nas periferias das grandes cidades brasileiras precisa lidar, diariamente, com a ausência de serviços básicos. Se falta coleta de lixo e saneamento, como esperar serviços como a coleta seletiva e a reciclagem? As famílias da nova classe média dificilmente conseguem seguir o que organizações ambientais definem como parâmetros para o consumo sustentável.
Com poder aquisitivo limitado, essas famílias não conseguem comprar produtos orgânicos ou certificados, que são mais caros que outros produtos. Também não têm acesso a informações como as condições de fabricação de um determinado produto ou a relação de empresas com a comunidade, e o preço costuma ser o fator mais importante na hora da compra.
Além das questões materiais, há diferenças filosóficas, especialmente na ideia de justiça social. As famílias se comparam com classes econômicas mais ricas e questionam que, justamente agora que elas têm acesso a bens de consumo, se fale em consumir menos em prol do planeta. Muitos interpretam que a ideia de limitar o consumo acaba punindo a nova classe média, já que só agora esse grupo tem condições de ter um carro e bens de consumo.
Um dos resultados desse pensamento é que a nova classe média não se vê como o sujeito, como os autores do comportamento sustentável. Diferentemente do que prega o movimento ambiental, que defende que cada pessoa pode agir para melhorar o mundo, a nova classe média, segundo a pesquisa, parece acreditar que quem deve agir são os governos, as empresas e as ONGs. Também há dificuldade em saber o que cada um pode fazer. "Não está claro para as pessoas o que elas podem fazer pelo meio ambiente", diz Izabelle.
Disponível em: <http://epoca.globo.com/colunas-e-blogs/blog-do-planeta/noticia/
2013/11/o-que-bnova-classe-mediab-pensa-sobre>. Acesso em: 03 mar. 2014. [Adaptado]
Sobre o texto em estudo, é correto afirmar:
Provas
Questão presente nas seguintes provas
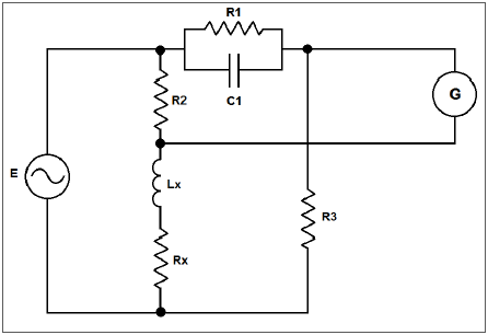
A Figura ao lado mostra um circuito em ponte, utilizado para a medição de uma indutância de uma bobina em função de uma capacitância conhecida. Para ser utilizada nessa ponte, a bobina deverá ter fator de qualidade Q médio (1 < Q < 10).
Nessa Figura, E é uma fonte de corrente alternada, R1, R2 e R3 são resistores, C1 é um capacitor, Rx é a resistência da bobina, Lx é a indutância da bobina e G é um galvanômetro.

Considerando os elementos apresentados, trata-se de uma ponte de
Provas
Questão presente nas seguintes provas
Isso não quer dizer que o assunto seja completamente ignorado. As pessoas enfatizam os problemas da comunidade, especialmente a questão do lixo. Além disso, as famílias da nova classe média mostram alguns comportamentos considerados sustentáveis, como economizar água e apagar as luzes ao sair dos quartos.
A expressão “ao sair dos quartos” tem valor
Provas
Questão presente nas seguintes provas
Uma carga trifásica solicita 420 kW com um fator de potência em atraso de 0,76 quando ligada a uma rede de 380 V. Um banco de capacitores será ligado em paralelo com essa carga para aumentar o fator de potência total para 0,94 em atraso. A potência reativa fornecida por esse banco e a redução resultante na corrente total após a correção do fator de potência serão iguais, respectivamente, a

Provas
Questão presente nas seguintes provas
O que a nova classe média pensa sobre sustentabilidade
Bruno Calixto
Na última década, uma parcela da população brasileira experimentou uma forte mudança social. Estima-se que mais de 30 milhões de pessoas deixaram a linha da pobreza, com aumento de renda e acesso a crédito e a bens de consumo. Esse grupo, que está sendo chamado de nova classe média, é um dos principais alvos das políticas sociais do governo federal. Mas, por ser um grupo grande e heterogêneo, sabe-se pouco sobre o que pensa de temas importantes, como a questão ambiental. O que a nova classe média pensa sobre sustentabilidade?
A pesquisadora Izabelle Vieira, da Universidade Federal Rural do Rio de Janeiro (UFRRJ), tenta responder a essa pergunta. A ideia é entender como essa parcela da população, que vive a festejada conquista de poder consumir mais, encara o discurso de sustentabilidade, que diz que o consumo deve ser controlado.
"O objetivo é conhecer as práticas reais e entender como esse grupo percebe as questões de consumo sustentável", diz Izabelle.
A dificuldade começa na definição do grupo a ser estudado. O conceito de nova classe média é novo, cunhado pelo economista Marcelo Neri, atual presidente do Instituto de Pesquisa Econômica Aplicada (Ipea). Mas não há consenso sobre isso entre a comunidade acadêmica. Para muitos pesquisadores, não é possível ainda dizer que surgiu uma nova classe no Brasil. Para fazer a pesquisa, Izabelle considerou como "nova classe média" o grupo social que estava na base da pirâmide e experimentou grande incremento de renda na última década, com aumento do salário mínimo, emprego e acesso ao crédito. São famílias que hoje possuem renda mensal entre R$ 1.000 e R$ 5.000 e que vivem nas periferias das grandes cidades.
O estudo ainda não está completo, mas os resultados iniciais mostram que o consumo sustentável não é prioridade para essas famílias, e que as questões ambientais são percebidas como distantes da realidade, mais associadas à ideia de proteção de florestas e rios e não com o dia a dia das grandes cidades. "Sustentabilidade não é um termo que costuma ser utilizado", diz Izabelle.
Isso não quer dizer que o assunto seja completamente ignorado. As pessoas enfatizam os problemas da comunidade, especialmente a questão do lixo. Além disso, as famílias da nova classe média mostram alguns comportamentos considerados sustentáveis, como economizar água e apagar as luzes ao sair dos quartos. Mas a motivação não é ambiental, é econômica. "Apagar a luz ou evitar o desperdício de água significa dinheiro no final do mês. Pode significar sair uma vez a mais para jantar no mês".
A pesquisadora ressalta que o objetivo do estudo não é defender a sustentabilidade nem criticar as famílias da nova classe média. "Não adianta simplesmente culpar o consumidor desse grupo por não adotar essas práticas. O consumo sustentável esbarra em questões materiais básicas e até diferenças filosóficas."
As questões materiais são evidentes: a população que vive nas periferias das grandes cidades brasileiras precisa lidar, diariamente, com a ausência de serviços básicos. Se falta coleta de lixo e saneamento, como esperar serviços como a coleta seletiva e a reciclagem? As famílias da nova classe média dificilmente conseguem seguir o que organizações ambientais definem como parâmetros para o consumo sustentável.
Com poder aquisitivo limitado, essas famílias não conseguem comprar produtos orgânicos ou certificados, que são mais caros que outros produtos. Também não têm acesso a informações como as condições de fabricação de um determinado produto ou a relação de empresas com a comunidade, e o preço costuma ser o fator mais importante na hora da compra.
Além das questões materiais, há diferenças filosóficas, especialmente na ideia de justiça social. As famílias se comparam com classes econômicas mais ricas e questionam que, justamente agora que elas têm acesso a bens de consumo, se fale em consumir menos em prol do planeta. Muitos interpretam que a ideia de limitar o consumo acaba punindo a nova classe média, já que só agora esse grupo tem condições de ter um carro e bens de consumo.
Um dos resultados desse pensamento é que a nova classe média não se vê como o sujeito, como os autores do comportamento sustentável. Diferentemente do que prega o movimento ambiental, que defende que cada pessoa pode agir para melhorar o mundo, a nova classe média, segundo a pesquisa, parece acreditar que quem deve agir são os governos, as empresas e as ONGs. Também há dificuldade em saber o que cada um pode fazer. "Não está claro para as pessoas o que elas podem fazer pelo meio ambiente", diz Izabelle.
Disponível em: <http://epoca.globo.com/colunas-e-blogs/blog-do-planeta/noticia/
2013/11/o-que-bnova-classe-mediab-pensa-sobre>. Acesso em: 03 mar. 2014. [Adaptado]
O principal objetivo da pesquisa de Izabelle Vieira é
Provas
Questão presente nas seguintes provas
De acordo com a NR 10 - Segurança em Instalações e Serviços em Eletricidade, o trabalhador previamente qualificado e com registro no competente conselho de classe é denominado profissional legalmente
Provas
Questão presente nas seguintes provas
Cadernos
Caderno Container