Foram encontradas 50 questões.
Os geradores elétricos são máquinas elétricas rotativas que produzem eletricidade pelo processo magnético. Tanto os geradores de corrente contínua quanto os de corrente alternada produzem eletricidade baseando-se no movimento relativo entre condutores e campo magnético. Os geradores de corrente alternada podem ser construídos segundo duas formas construtivas: geradores de campo magnético fixo e condutores móveis e geradores de campo magnético móvel e condutores fixos. Para o modelo de geradores de campo magnético fixo e condutores móveis, a característica construtiva que diferencia o gerador de corrente alternada do gerador de corrente contínua é
Provas
Questão presente nas seguintes provas
A figura abaixo apresenta o circuito de polarização e o gráfico demonstrativo do ponto de trabalho Q de um transistor.

A reta R e a curva C representam, respectivamente,
Provas
Questão presente nas seguintes provas
O motor elétrico trifásico de 12 terminais externos possibilita a ligação à rede elétrica em 04 (quatro) tensões trifásicas distintas: 220/380/440/760V. As conexões para a tensão trifásica de 220V nesse motor são representadas por:
Provas
Questão presente nas seguintes provas
Na figura abaixo, está representado um micrômetro, em que destacam-se a bainha e o tambor, possibilitando a leitura da medida indicada pelo mesmo.

O micrômetro tem um parafuso micrométrico com passo de 0,5 mm e um tambor com cinquenta divisões. O valor da medição indicada na figura deste micrômetro é
Provas
Questão presente nas seguintes provas
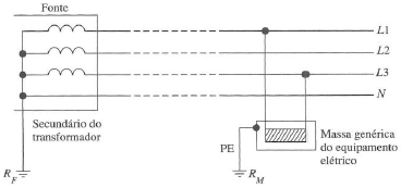
Os esquemas de aterramento são definidos na NBR 5410. Nas aplicações onde é indispensável a continuidade dos serviços como em grandes aplicações industriais e hospitais, o esquema mais adequado, segundo a NBR 5410, é
Provas
Questão presente nas seguintes provas
Na primeira linha do sétimo parágrafo, o uso dos dois pontos introduz uma
Provas
Questão presente nas seguintes provas
Na figura abaixo, apresenta-se o gráfico tensão !$ \sigma !$ versus deformação !$ \varepsilon !$, típico do ensaio a tração de um aço dúctil.

Considere OA, OB, OC e OD os valores das tensões correspondentes aos pontos A, B, C e D respectivamente e OE, OF, OG e OH os valores das deformações correspondentes aos pontos E, F, G e H. Com base no gráfico, o módulo de elasticidade ou módulo de Young do material é determinado pela razão:
Provas
Questão presente nas seguintes provas
Na programação para usinagem em tornos e centros de usinagem CNC são utilizados códigos especiais, funções miscelâneas e funções preparatórias. As funções preparatórias indicam ao comando o modo de trabalho, ou seja, indicam a máquina o que fazer, preparando-a para executar um tipo de operação. A respeito das funções preparatórias afirma-se:
| I | G41 é utilizada para executar compensação do raio da ferramenta à esquerda. |
| II | G02 é utilizada para executar interpolação circular no sentido horário. |
| III | G76 é utilizada para executar ciclo de desbaste transversal. |
| IV | G83 é utilizada para executar ciclo de furação. |
Estão corretas as afirmativas
Provas
Questão presente nas seguintes provas
Considere o período a seguir.
Estima-se que mais de 30 milhões de pessoas deixaram a linha de pobreza, com o aumento de renda e acesso a crédito e a bens de consumo.
Sobre os termos sublinhados, é correto afirmar que,
Provas
Questão presente nas seguintes provas
O processo não manual destinado à obtenção de superfícies geradas por um movimento retilíneo alternativo da peça ou da ferramenta é denominado
Provas
Questão presente nas seguintes provas
Cadernos
Caderno Container