Foram encontradas 50 questões.
O que a nova classe média pensa sobre sustentabilidade
Bruno Calixto
Na última década, uma parcela da população brasileira experimentou uma forte mudança social. Estima-se que mais de 30 milhões de pessoas deixaram a linha da pobreza, com aumento de renda e acesso a crédito e a bens de consumo. Esse grupo, que está sendo chamado de nova classe média, é um dos principais alvos das políticas sociais do governo federal. Mas, por ser um grupo grande e heterogêneo, sabe-se pouco sobre o que pensa de temas importantes, como a questão ambiental. O que a nova classe média pensa sobre sustentabilidade?
A pesquisadora Izabelle Vieira, da Universidade Federal Rural do Rio de Janeiro (UFRRJ), tenta responder a essa pergunta. A ideia é entender como essa parcela da população, que vive a festejada conquista de poder consumir mais, encara o discurso de sustentabilidade, que diz que o consumo deve ser controlado.
"O objetivo é conhecer as práticas reais e entender como esse grupo percebe as questões de consumo sustentável", diz Izabelle.
A dificuldade começa na definição do grupo a ser estudado. O conceito de nova classe média é novo, cunhado pelo economista Marcelo Neri, atual presidente do Instituto de Pesquisa Econômica Aplicada (Ipea). Mas não há consenso sobre isso entre a comunidade acadêmica. Para muitos pesquisadores, não é possível ainda dizer que surgiu uma nova classe no Brasil. Para fazer a pesquisa, Izabelle considerou como "nova classe média" o grupo social que estava na base da pirâmide e experimentou grande incremento de renda na última década, com aumento do salário mínimo, emprego e acesso ao crédito. São famílias que hoje possuem renda mensal entre R$ 1.000 e R$ 5.000 e que vivem nas periferias das grandes cidades.
O estudo ainda não está completo, mas os resultados iniciais mostram que o consumo sustentável não é prioridade para essas famílias, e que as questões ambientais são percebidas como distantes da realidade, mais associadas à ideia de proteção de florestas e rios e não com o dia a dia das grandes cidades. "Sustentabilidade não é um termo que costuma ser utilizado", diz Izabelle.
Isso não quer dizer que o assunto seja completamente ignorado. As pessoas enfatizam os problemas da comunidade, especialmente a questão do lixo. Além disso, as famílias da nova classe média mostram alguns comportamentos considerados sustentáveis, como economizar água e apagar as luzes ao sair dos quartos. Mas a motivação não é ambiental, é econômica. "Apagar a luz ou evitar o desperdício de água significa dinheiro no final do mês. Pode significar sair uma vez a mais para jantar no mês".
A pesquisadora ressalta que o objetivo do estudo não é defender a sustentabilidade nem criticar as famílias da nova classe média. "Não adianta simplesmente culpar o consumidor desse grupo por não adotar essas práticas. O consumo sustentável esbarra em questões materiais básicas e até diferenças filosóficas."
As questões materiais são evidentes: a população que vive nas periferias das grandes cidades brasileiras precisa lidar, diariamente, com a ausência de serviços básicos. Se falta coleta de lixo e saneamento, como esperar serviços como a coleta seletiva e a reciclagem? As famílias da nova classe média dificilmente conseguem seguir o que organizações ambientais definem como parâmetros para o consumo sustentável.
Com poder aquisitivo limitado, essas famílias não conseguem comprar produtos orgânicos ou certificados, que são mais caros que outros produtos. Também não têm acesso a informações como as condições de fabricação de um determinado produto ou a relação de empresas com a comunidade, e o preço costuma ser o fator mais importante na hora da compra.
Além das questões materiais, há diferenças filosóficas, especialmente na ideia de justiça social. As famílias se comparam com classes econômicas mais ricas e questionam que, justamente agora que elas têm acesso a bens de consumo, se fale em consumir menos em prol do planeta. Muitos interpretam que a ideia de limitar o consumo acaba punindo a nova classe média, já que só agora esse grupo tem condições de ter um carro e bens de consumo.
Um dos resultados desse pensamento é que a nova classe média não se vê como o sujeito, como os autores do comportamento sustentável. Diferentemente do que prega o movimento ambiental, que defende que cada pessoa pode agir para melhorar o mundo, a nova classe média, segundo a pesquisa, parece acreditar que quem deve agir são os governos, as empresas e as ONGs. Também há dificuldade em saber o que cada um pode fazer. "Não está claro para as pessoas o que elas podem fazer pelo meio ambiente", diz Izabelle.
Disponível em: <http://epoca.globo.com/colunas-e-blogs/blog-do-planeta/noticia/
2013/11/o-que-bnova-classe-mediab-pensa-sobre>. Acesso em: 03 mar. 2014. [Adaptado]
De acordo com o texto, a nova classe média é representada por
Provas
Questão presente nas seguintes provas
A rotação (em rpm) que se deve utilizar, quando o operador deseja fazer um furo em uma peça com uma broca de 10 mm de diâmetro e com uma velocidade de corte 18 m/min é de
Provas
Questão presente nas seguintes provas
O circuito a seguir apresenta um voltímetro e um amperímetro considerados ideais.

A fonte é uma bateria de resistência interna r. O reostato R não apresenta variação de resistência com a temperatura. Quando o cursor B é deslocado de C para A, o gráfico que corresponde à relação entre as grandezas registradas no voltímetro e no amperímetro é
Provas
Questão presente nas seguintes provas

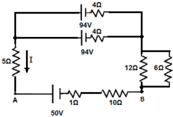
A ddp, em volt, entre os pontos A e B é:
Provas
Questão presente nas seguintes provas
Os transistores são utilizados, principalmente, como dispositivos para amplificação de sinais ou como elementos para chaveamento tipo (liga-desliga). Portanto, o transistor deve estar polarizado, ou seja, fixado num ponto de operação ou ponto quiescente conforme o gráfico abaixo.

Com relação a corrente de base (ib), a corrente de saída (ic) e a tensão de saída (VCE) para um ponto de trabalho localizado na região ativa da curva característica de saída, o transistor permite variações:
Provas
Questão presente nas seguintes provas
Na expressão “nova classe média”, as aspas têm a função de
Provas
Questão presente nas seguintes provas
Em lâmpadas incandescentes, a elevada temperatura do filamento causa a evaporação de partículas de tungstênio, que se condensam na superfície interna do bulbo, resultando, assim, no seu escurecimento. Para evitar o escurecimento do bulbo, além dos gases normais que são utilizados para redução da evaporação de partículas, são adicionados elementos químicos cuja função é estabelecer o ciclo regenerativo no filamento da lâmpada.
Os elementos químicos que estabelecem o referido ciclo regenerativo são:
Provas
Questão presente nas seguintes provas
As correias são elementos de máquinas cuja função é manter o vínculo entre duas polias e transmitir força. A respeito da transmissão por correias e engrenagens afirma-se:
| I | Na transmissão de correias montadas com baixa tensão, pode ocorrer deslizamento e, consequentemente, produção de calor excessivo nas correias, ocasionando danos prematuros. |
| II | Há maior vida útil e menor nível de ruído na transmissão de engrenagens em relação à transmissão por correias. |
| III | Para maiores distâncias entre centros de eixos, o sistema de transmissão por correias é aplicado com maior facilidade do que o de engrenagens. |
| IV | Uma vantagem da transmissão por correia em relação à transmissão por engrenagens é a absorção de choques. |
Estão corretas as afirmativas
Provas
Questão presente nas seguintes provas

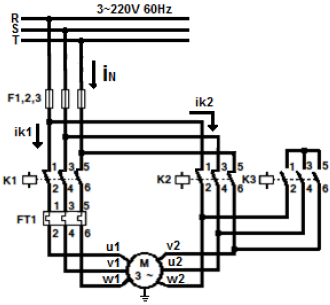
O sistema de partida estrela-triângulo representado acima está demonstrando o funcionamento do motor na conexão triângulo. Se o motor estiver com carga nominal acoplada no eixo, têm-se a corrente nominal iN através dos conjuntos de proteção fusíveis. No caso, as intensidades de corrente elétrica através dos contatores k1 e k2, serão, respectivamente,
Provas
Questão presente nas seguintes provas
Na figura a seguir são apresentadas à esquerda, a perspectiva isométrica de uma peça e, à direita, as correspondentes vistas ortográficas.

A partir da análise da figura, é correto afirmar que
Provas
Questão presente nas seguintes provas
Cadernos
Caderno Container