Foram encontradas 50 questões.
Um sistema de transmissão com quatro engrenagens é representado na figura abaixo.

A engrenagem A, com 25 dentes e rotação 1.000 rpm, está acoplada na engrenagem B. As engrenagens B e C, com número de dentes 50 e 20, respectivamente, estão fixadas em um mesmo eixo. A rotação da engrenagem D, com 80 dentes, que está acoplada à engrenagem C, é
Provas
Questão presente nas seguintes provas
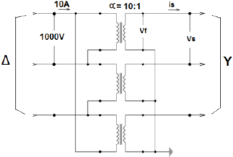
Um transformador trifásico, com ligação !$ \Delta !$-Y, conforme mostrado na figura abaixo apresenta os seguintes dados: Tensão de linha primária VL = 1000V, Corrente de linha primária IL = 10A e relação de transformação !$ \alpha !$ = 10:1.

Os valores da tensão de linha secundária VS, da tensão de fase secundária Vf e da corrente de linha secundária iS valem, respectivamente,
Provas
Questão presente nas seguintes provas
No circuito com a ponte de diodos abaixo, o sinal senoidal V2 é aplicado à ponte. O diodo D3 apresenta defeito e, no ponto em que ele se encontra, o circuito fica na condição ‘aberto’.

Dessa forma, o gráfico para representar o sinal de saída Vs para essa condição será:
Provas
Questão presente nas seguintes provas
O que a nova classe média pensa sobre sustentabilidade
Bruno Calixto
Na última década, uma parcela da população brasileira experimentou uma forte mudança social. Estima-se que mais de 30 milhões de pessoas deixaram a linha da pobreza, com aumento de renda e acesso a crédito e a bens de consumo. Esse grupo, que está sendo chamado de nova classe média, é um dos principais alvos das políticas sociais do governo federal. Mas, por ser um grupo grande e heterogêneo, sabe-se pouco sobre o que pensa de temas importantes, como a questão ambiental. O que a nova classe média pensa sobre sustentabilidade?
A pesquisadora Izabelle Vieira, da Universidade Federal Rural do Rio de Janeiro (UFRRJ), tenta responder a essa pergunta. A ideia é entender como essa parcela da população, que vive a festejada conquista de poder consumir mais, encara o discurso de sustentabilidade, que diz que o consumo deve ser controlado.
"O objetivo é conhecer as práticas reais e entender como esse grupo percebe as questões de consumo sustentável", diz Izabelle.
A dificuldade começa na definição do grupo a ser estudado. O conceito de nova classe média é novo, cunhado pelo economista Marcelo Neri, atual presidente do Instituto de Pesquisa Econômica Aplicada (Ipea). Mas não há consenso sobre isso entre a comunidade acadêmica. Para muitos pesquisadores, não é possível ainda dizer que surgiu uma nova classe no Brasil. Para fazer a pesquisa, Izabelle considerou como "nova classe média" o grupo social que estava na base da pirâmide e experimentou grande incremento de renda na última década, com aumento do salário mínimo, emprego e acesso ao crédito. São famílias que hoje possuem renda mensal entre R$ 1.000 e R$ 5.000 e que vivem nas periferias das grandes cidades.
O estudo ainda não está completo, mas os resultados iniciais mostram que o consumo sustentável não é prioridade para essas famílias, e que as questões ambientais são percebidas como distantes da realidade, mais associadas à ideia de proteção de florestas e rios e não com o dia a dia das grandes cidades. "Sustentabilidade não é um termo que costuma ser utilizado", diz Izabelle.
Isso não quer dizer que o assunto seja completamente ignorado. As pessoas enfatizam os problemas da comunidade, especialmente a questão do lixo. Além disso, as famílias da nova classe média mostram alguns comportamentos considerados sustentáveis, como economizar água e apagar as luzes ao sair dos quartos. Mas a motivação não é ambiental, é econômica. "Apagar a luz ou evitar o desperdício de água significa dinheiro no final do mês. Pode significar sair uma vez a mais para jantar no mês".
A pesquisadora ressalta que o objetivo do estudo não é defender a sustentabilidade nem criticar as famílias da nova classe média. "Não adianta simplesmente culpar o consumidor desse grupo por não adotar essas práticas. O consumo sustentável esbarra em questões materiais básicas e até diferenças filosóficas."
As questões materiais são evidentes: a população que vive nas periferias das grandes cidades brasileiras precisa lidar, diariamente, com a ausência de serviços básicos. Se falta coleta de lixo e saneamento, como esperar serviços como a coleta seletiva e a reciclagem? As famílias da nova classe média dificilmente conseguem seguir o que organizações ambientais definem como parâmetros para o consumo sustentável.
Com poder aquisitivo limitado, essas famílias não conseguem comprar produtos orgânicos ou certificados, que são mais caros que outros produtos. Também não têm acesso a informações como as condições de fabricação de um determinado produto ou a relação de empresas com a comunidade, e o preço costuma ser o fator mais importante na hora da compra.
Além das questões materiais, há diferenças filosóficas, especialmente na ideia de justiça social. As famílias se comparam com classes econômicas mais ricas e questionam que, justamente agora que elas têm acesso a bens de consumo, se fale em consumir menos em prol do planeta. Muitos interpretam que a ideia de limitar o consumo acaba punindo a nova classe média, já que só agora esse grupo tem condições de ter um carro e bens de consumo.
Um dos resultados desse pensamento é que a nova classe média não se vê como o sujeito, como os autores do comportamento sustentável. Diferentemente do que prega o movimento ambiental, que defende que cada pessoa pode agir para melhorar o mundo, a nova classe média, segundo a pesquisa, parece acreditar que quem deve agir são os governos, as empresas e as ONGs. Também há dificuldade em saber o que cada um pode fazer. "Não está claro para as pessoas o que elas podem fazer pelo meio ambiente", diz Izabelle.
Disponível em: <http://epoca.globo.com/colunas-e-blogs/blog-do-planeta/noticia/
2013/11/o-que-bnova-classe-mediab-pensa-sobre>. Acesso em: 03 mar. 2014. [Adaptado]
Sobre o texto em estudo, é correto afirmar:
Provas
Questão presente nas seguintes provas
No circuito CA misto representado abaixo, a fonte CA é de 50∠0º Vrms. Os componentes estão representados por suas respectivas reatâncias e resistências.

O valor da impedância equivalente do circuito ZEQ e da corrente total iT serão, respectivamente,
Provas
Questão presente nas seguintes provas
Isso não quer dizer que o assunto seja completamente ignorado. As pessoas enfatizam os problemas da comunidade, especialmente a questão do lixo. Além disso, as famílias da nova classe média mostram alguns comportamentos considerados sustentáveis, como economizar água e apagar as luzes ao sair dos quartos.
A expressão “ao sair dos quartos” tem valor
Provas
Questão presente nas seguintes provas

A potência, em watt, dissipada pela resistência de 5!$ \Omega !$ é:
Provas
Questão presente nas seguintes provas
A martensita obtida pela têmpera é extremamente dura e frágil. Para os componentes mecânicos atingirem valores adequados de resistência mecânica e tenacidade deve-se realizar, após a têmpera, outro tratamento térmico chamado de
Provas
Questão presente nas seguintes provas
No modelo de ponte de Wheatstone representada no esquema ao lado, G é um galvanômetro; F é uma fonte DC; R1, R2 e R4 são resistências, sendo que R2 e R3 podem ser ajustadas através do cursor C e a ponte está em equilíbrio quando o cursor encontra-se em D.

Se R4 for duplicada, para a ponte manter o equilíbrio, o cursor C deve ser:
Provas
Questão presente nas seguintes provas
O que a nova classe média pensa sobre sustentabilidade
Bruno Calixto
Na última década, uma parcela da população brasileira experimentou uma forte mudança social. Estima-se que mais de 30 milhões de pessoas deixaram a linha da pobreza, com aumento de renda e acesso a crédito e a bens de consumo. Esse grupo, que está sendo chamado de nova classe média, é um dos principais alvos das políticas sociais do governo federal. Mas, por ser um grupo grande e heterogêneo, sabe-se pouco sobre o que pensa de temas importantes, como a questão ambiental. O que a nova classe média pensa sobre sustentabilidade?
A pesquisadora Izabelle Vieira, da Universidade Federal Rural do Rio de Janeiro (UFRRJ), tenta responder a essa pergunta. A ideia é entender como essa parcela da população, que vive a festejada conquista de poder consumir mais, encara o discurso de sustentabilidade, que diz que o consumo deve ser controlado.
"O objetivo é conhecer as práticas reais e entender como esse grupo percebe as questões de consumo sustentável", diz Izabelle.
A dificuldade começa na definição do grupo a ser estudado. O conceito de nova classe média é novo, cunhado pelo economista Marcelo Neri, atual presidente do Instituto de Pesquisa Econômica Aplicada (Ipea). Mas não há consenso sobre isso entre a comunidade acadêmica. Para muitos pesquisadores, não é possível ainda dizer que surgiu uma nova classe no Brasil. Para fazer a pesquisa, Izabelle considerou como "nova classe média" o grupo social que estava na base da pirâmide e experimentou grande incremento de renda na última década, com aumento do salário mínimo, emprego e acesso ao crédito. São famílias que hoje possuem renda mensal entre R$ 1.000 e R$ 5.000 e que vivem nas periferias das grandes cidades.
O estudo ainda não está completo, mas os resultados iniciais mostram que o consumo sustentável não é prioridade para essas famílias, e que as questões ambientais são percebidas como distantes da realidade, mais associadas à ideia de proteção de florestas e rios e não com o dia a dia das grandes cidades. "Sustentabilidade não é um termo que costuma ser utilizado", diz Izabelle.
Isso não quer dizer que o assunto seja completamente ignorado. As pessoas enfatizam os problemas da comunidade, especialmente a questão do lixo. Além disso, as famílias da nova classe média mostram alguns comportamentos considerados sustentáveis, como economizar água e apagar as luzes ao sair dos quartos. Mas a motivação não é ambiental, é econômica. "Apagar a luz ou evitar o desperdício de água significa dinheiro no final do mês. Pode significar sair uma vez a mais para jantar no mês".
A pesquisadora ressalta que o objetivo do estudo não é defender a sustentabilidade nem criticar as famílias da nova classe média. "Não adianta simplesmente culpar o consumidor desse grupo por não adotar essas práticas. O consumo sustentável esbarra em questões materiais básicas e até diferenças filosóficas."
As questões materiais são evidentes: a população que vive nas periferias das grandes cidades brasileiras precisa lidar, diariamente, com a ausência de serviços básicos. Se falta coleta de lixo e saneamento, como esperar serviços como a coleta seletiva e a reciclagem? As famílias da nova classe média dificilmente conseguem seguir o que organizações ambientais definem como parâmetros para o consumo sustentável.
Com poder aquisitivo limitado, essas famílias não conseguem comprar produtos orgânicos ou certificados, que são mais caros que outros produtos. Também não têm acesso a informações como as condições de fabricação de um determinado produto ou a relação de empresas com a comunidade, e o preço costuma ser o fator mais importante na hora da compra.
Além das questões materiais, há diferenças filosóficas, especialmente na ideia de justiça social. As famílias se comparam com classes econômicas mais ricas e questionam que, justamente agora que elas têm acesso a bens de consumo, se fale em consumir menos em prol do planeta. Muitos interpretam que a ideia de limitar o consumo acaba punindo a nova classe média, já que só agora esse grupo tem condições de ter um carro e bens de consumo.
Um dos resultados desse pensamento é que a nova classe média não se vê como o sujeito, como os autores do comportamento sustentável. Diferentemente do que prega o movimento ambiental, que defende que cada pessoa pode agir para melhorar o mundo, a nova classe média, segundo a pesquisa, parece acreditar que quem deve agir são os governos, as empresas e as ONGs. Também há dificuldade em saber o que cada um pode fazer. "Não está claro para as pessoas o que elas podem fazer pelo meio ambiente", diz Izabelle.
Disponível em: <http://epoca.globo.com/colunas-e-blogs/blog-do-planeta/noticia/
2013/11/o-que-bnova-classe-mediab-pensa-sobre>. Acesso em: 03 mar. 2014. [Adaptado]
O principal objetivo da pesquisa de Izabelle Vieira é
Provas
Questão presente nas seguintes provas
Cadernos
Caderno Container