Foram encontradas 60 questões.
Assinale a alternativa que corresponde a vista isométrica CORRETA.

Provas
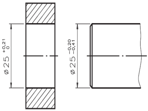
Assinale a alternativa CORRETA quanto ao tipo de ajuste mostrado na figura abaixo:

Provas
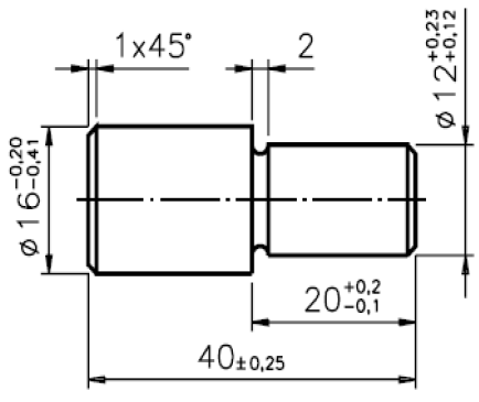
Sobre as medidas e tolerâncias indicadas na peça abaixo, assinale a alternativa CORRETA:

Provas
Assinale a alternativa que relaciona INCORRETAMENTE os símbolos e seus significados.

Provas
Assinale a alternativa que indica a leitura CORRETA do micrômetro:

Provas
Assinale a alternativa que contém uma afirmação INCORRETA sobre o trabalho em equipes multidisciplinares.
Provas
Assinale a alternativa que relaciona CORRETAMENTE as normas ISO 9000, 14000 e 18000 com as áreas para as quais elas estabelecem os requisitos exigidos.
Provas
Assinale a alternativa que relaciona CORRETAMENTE as categorias genéricas de um produto em sistemas de gestão da qualidade.
Provas
Sobre o Ciclo de Vida de um Produto, é INCORRETO afirmar que:
Provas
Assinale a alternativa que contém uma afirmação INCORRETA sobre Projeto Conceitual.
Provas
Caderno Container