Foram encontradas 60 questões.
Qual é a definição de EPI (Equipamento de Proteção Individual) utilizada pela legislação de segurança do trabalho?
Provas
Considere a sequência de operações referente à fabricação mecânica de um determinado produto.
| OPERAÇÃO | EQUIPAMENTO | DESCRIÇÃO DO PROCESSO |
| Corte de perfis | Oxicorte CNC | Fusão localizada pela chama de um maçarico de oxiacetileno. |
| Estampagem primária | Prensa hidráulica | Compressão do perfil em chapa entre matriz e punção. |
| Furação lateral | Furadeira de coluna | Usinagem de cavidades cilíndricas com o uso de brocas. |
| Tratamento superficial | Tanque de imersão | Fosfatização em banho à base de ácido fosfórico em temperaturas de aproximadamente 60 °C |
| Pintura | Cabine de pintura | Aplicação de tinta epóxi por pistola manual. |
Assinale a alternativa que representa a relação de agentes prejudiciais à saúde no trabalho neste setor, em função das operações relacionadas no quadro anterior.
Provas
De acordo com a Norma Regulamentadora Nº 23 (Proteção Contra Incêndios) do Ministério do Trabalho, visando a proteção dos trabalhadores nos locais de trabalho, o combate ao fogo deve seguir, na ordem, os seguintes passos:
Provas
De acordo com a Norma Regulamentadora Nº 15 (Atividades e Operações Insalubres) do Ministério do Trabalho, a eliminação ou neutralização da insalubridade deverá ocorrer:
Provas
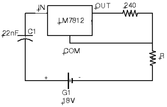
Analise o circuito a seguir. Considerando que a saída do terminal comum do regulador forneça uma corrente constante de 5 mA, qual o valor da corrente em R? Admita que o valor da outra resistência seja dado em Ω.

Provas
Analise a seguinte afirmação: Considerando que a tensão de entrada seja maior que a tensão da fonte de tensão do circuito, um sinal senoidal sem componente DC aplicado no terminal IN resultará em um sinal no terminal OUT que não possuirá valores negativos.
Essa afirmação não é válida para os circuitos:

Provas
Um circuito integrado é alimentado pelo pino 7 e aterrado pelo pino 14. Deseja-se descobrir se a saída relacionada ao 3 está em nível lógico “1”. Para isso,
I. Pode-se ligar um voltímetro entre os pinos 7 e 14; se a leitura for 5 V, a saída está em “1”.
II. Pode-se ligar um amperímetro entre a alimentação e o pino 7; se houver alteração na leitura, necessariamente o sinal da saída foi para “1”.
III. Pode-se ligar um amperímetro entre o pino 3 e o terra; se o pino estiver em “1”, a saída será 5 mA.
IV. Pode-se ligar um amperímetro em série com um resistor entre os pinos 7 e 3; se houver corrente, significa que o sinal da saída está em “0”. V. Pode-se ligar um voltímetro entre os pinos 7 e 3; se o sinal lido for 5
V, a saída está em “1”.
VI. Pode-se ligar um voltímetro entre o pino 3 e o terra; se o sinal estiver em 5 V, a saída está em “1”.
Assinale a alternativa que contém o número de afirmações que são corretas.
Provas
Sobre projetos de dispositivos eletrônicos, considere as seguintes afirmações:
I. Gerber é um formato de arquivo que descreve as camadas de uma placa de circuito impresso usado na indústria.
II. O netlist é utilizado por programas CAD para definir componentes e conexões físicas de um esquemático.
III. Uma via ou furo de passagem é um tipo de furação usada em uma placa de circuito impresso para inserção de um componente do tipo through-hole.
Assinale a alternativa que contém todas as afirmações corretas.
Provas
Considere uma carga resistiva de 3,3 kW, alimentada por uma fonte de tensão alternada 110 V / 60 Hz. Supondo que o sistema esteja corretamente dimensionado, pode-se dizer que:
Provas
Um transformador deve alimentar três equipamentos, caracterizados a seguir.
| Equipamento | Característica predominante da carga |
| 1 | Resistiva, com potência ativa de 30 W |
| 2 | Indutiva, com potência ativa de 100 W e reativa de 200 VA |
| 3 | Capacitiva, com potência ativa de 70 W e reativa de 50 VA |
A potência mínima do transformador deverá ser:
Provas
Caderno Container