Foram encontradas 60 questões.
As fontes de alimentação reguladas lineares geralmente necessitam de um transformador abaixador para
Provas
Um laboratório de eletricidade e eletrônica possui equipamentos para uso didático. As afirmações a seguir dizem respeito aos cuidados que devem ser tomados para a operação segura de dispositivos rotativos como motores e geradores.
I. Deve-se demarcar e sinalizar as áreas de perigo.
II. Manter as pessoas e equipamentos a uma distância de segurança dos elementos rotativos expostos e das partes elétricas energizadas expostas.
III. Utilizar os equipamentos de proteção individual adequados.
Está correto o contido em
Provas
Leia as afirmações a respeito de um microcontrolador típico de 8 bits.
I. Um microcontrolador possui barramento interno de memória de dados e programa, além de portas de entrada e saída de uso geral.
II. Um microcontrolador possui interface de vídeo padrão VGA.
III. Um microcontrolador possui dispositivos periféricos ligados diretamente ao processador, como o circuito de supervisão ou watchdog.
Está correto o contido em
Provas
Um sistema microprocessado é constituído por um microprocessador de 16 bits que possui apenas uma unidade lógica e aritmética para execução de aritmética inteira de 16 bits. O sistema pode executar um programa qualquer conforme o desejo do usuário. São dadas as seguintes afirmativas:
I. o sistema pode efetuar operações aritméticas com operandos em 8 bits e 32 bits;
II. o sistema pode executar operações de divisão;
III. o sistema não pode executar operações de multiplicação, pois o microprocessador não possui unidade multiplicadora interna.
Está correto o contido em
Provas
Um banco de memórias de capacidade total de 4096 bytes, largura de dados de 8 bits e 12 bits de barramento de endereços é formado por 4 circuitos integrados de memória, cada um com capacidade de 1024 bytes, largura de dados de 8 bits, 10 bits de barramento de endereços e 1 bit de seleção (chip select). A respeito de tal banco de memórias, são feitas as seguintes afirmativas:
I. as memórias são ativadas ou desativadas dentro do banco de memórias através da entrada de seleção (chip select) de cada circuito integrado.
II. os circuitos de memória de 1024 bytes possuem cada uma das 8 vias dos seus barramentos de dados ligados em paralelo para formar o barramento de dados do banco. Os circuitos de memória de 1024 bytes possuem cada uma das 10 vias dos seus barramentos de endereços ligados em paralelo para formar parte do barramento de dados do banco.
III. mais de um circuito de memória dentro do banco terá seu bit de seleção ativado durante um acesso.
Está correto o contido em
Provas
Um contador assíncrono de 4 bits foi feito com flip-flops do tipo T (toggle) sensíveis à borda de subida, conforme mostra a figura a seguir.

A respeito desse contador, pode-se afirmar que
Provas
Um registrador de deslocamento de 3 bits com entrada serial (SI), saída paralela (Q2, Q1 e Q0), sensível à borda de subida (entrada de clock) e com carga paralela assíncrona (acionada pela entrada PL, que carrega P2, P1 e P0 às saídas) é submetido a um conjunto de sinais de controle conforme mostrado na figura. Sabendo-se que após a ocorrência de uma borda de subida do clock, Q0 carrega o conteúdo de Q1, Q1 carrega o conteúdo de Q2 e Q2 carrega o conteúdo de SI, qual será o valor da saída do registrador de deslocamento logo após a terceira borda de subida do clock?

Provas
Uma memória de 1024 bits possui largura de barramento de dados de 8 bits. Qual a capacidade da memória em bytes e a largura mínima do barramento de endereços capaz de endereçar todos os bytes?
Provas
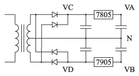
Na fonte de alimentação ilustrada, os diodos são ideais, o transformador possui relação de transformação de 110 [V] / 7,5 + 7,5[V] e os componentes 7805 e 7905 são circuitos integrados reguladores de tensão. Quando essa fonte é alimentada com 110 [V] em corrente alternada, pode-se dizer que as saídas de tensão VA, VB, VC e VD, em relação ao terminal N, são saídas de tensão em corrente contínua.

Considerando esssas informações, assinale a alternativa correta.
Provas
O flip-flop do tipo JK ilustrado na figura é sensível à borda de subida do clock (C). Assinale a alternativa que indica corretamente um flip-flop tipo D, sensível à borda de descida do clock, construído a partir do flip-flop JK.

Provas
Caderno Container