Foram encontradas 167 questões.
As quantidades físicas Energia, Potência e Trabalho são quantidades medidas, RESPECTIVAMENTE, nas seguintes unidades:
Provas
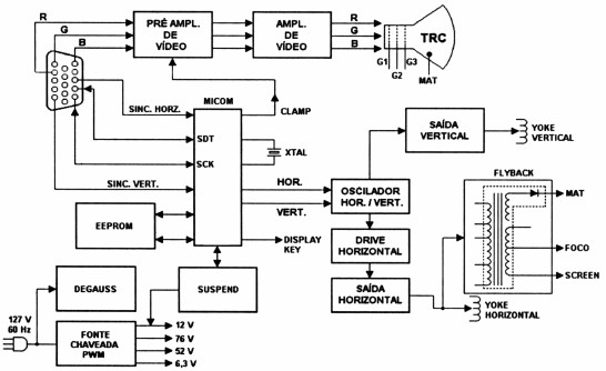
A figura seguinte mostra o diagrama de blocos de um monitor de vídeo de computador, usando tubo de raios catódicos (TRC).

Um desses blocos corresponde ao circuito freqüentemente formado por um transistor comutador de potência, podendo ser TBJ ou MOSFET ou IGBT, um transformador de alta freqüência, além de outros componentes eletro-eletrônicos desenvolvidos para operarem em freqüências da ordem de dezenas e até mesmo centenas de quiloHertz.
Esse circuito está representado pelo bloco
Provas
Buscando avaliar a influência do atraso no tempo de propagação de portas lógicas NOR (NOU), um professor solicitou ao técnico de laboratório que montasse o circuito lógico da figura seguinte.

Terminada a experiência, o professor solicitou ao técnico que providenciasse uma porta lógica equivalente ao circuito montado com as portas NOR (NOU). Após alguns ensaios para levantar a tabela verdade desse circuito, o técnico conclui que a porta lógica equivalente é uma porta cuja saída S é
Provas
A figura seguinte mostra quatro resistores com capacidades de dissipação térmicas diferentes (os valores estão mostrados à direita de cada resistor no circuito), ligados em paralelo e alimentados por uma fonte de tensão CC de 10 Volts.

Considerando os respectivos valores das potências dissipadas pelas resistências, é CORRETO afirmar que a soma das correntes que atravessam
Provas
Na figura seguinte está esquematizada a clássica ligação “estrela-triângulo” utilizada na partida de motores de indução trifásicos.

Para esse circuito, a menor corrente de partida do motor será obtida
Provas
A figura seguinte mostra o esquema de um circuito freqüentemente utilizado para medir o ganho de corrente em emissor comum de transistores bijunção, TJB.
Analise a figura e considere os seguinte dados:
– a fonte de tensão variável, de 0 a 3 volts, está ajustada para 2,15 volts;
– a tensão VBE do transistor sob teste, quando em condução, é de 0,65 volts;
– o ganho de corrente em emissor comum do transistor sob teste é igual a 100;
– para os cálculos, desconsidere as tolerâncias dos resistores.

As leituras de correntes nos amperímetros analógico e digital são, RESPECTIVAMENTE,
Provas
No circuito da figura seguinte, um amperímetro está sendo usado para medir a corrente fornecida pela fonte de tensão em corrente contínua de 24 volts.

Desconsideradas as tolerâncias dos resistores, a corrente medida é de
Provas
No circuito da figura seguinte, mostra-se um transdutor de temperatura constituído de uma unidade sensora, um amplificador operacional e dois resistores. Quando em operação, sobre o resistor de 1 k\( \Omega \) aparece uma tensão elétrica proporcional à temperatura medida. A unidade sensora desse transdutor se comporta como uma fonte de corrente, cuja característica elétrica está mostrada à direita da figura.

À temperatura de 90 ºC, a corrente que atravessa o resistor de 1 k\( \Omega \) é de:
Provas
Um amplificador eletrônico apresenta um ganho de tensão de 40 decibéis. A tensão de saída desse amplificador é de 10 volts.
Portanto, a tensão de entrada é de
Provas
Em um circuito eletrônico, usado para amplificar o sinal de um transdutor de pressão, a potência de saída é 100 vezes maior que a potência de entrada.
Portanto, o ganho em decibéis desse circuito é de
Provas
Caderno Container