Foram encontradas 520 questões.
O que significa o ponto B descrito pelas recomendações do ICRU 38?
Provas
Para descontaminação de uma área onde houve derramamento de sangue, fluido ou material biológico contaminado, deve-se cobrir o material com _______________, saturar com _______________ e deixar agir por 10 minutos.Após, remover os resíduos e descartá-los em local apropriado.
A sequência que completa corretamente as lacunas é
Provas
Aponte a situação em que a irradiação do neuroeixo não é mandatória, podendo-se irradiar somente o cérebro.
Provas
Suponha que uma pessoa está em pé sobre uma plataforma isolada. Seu potencial é elevado em 200.000 Volts em relação à terra.
Considerando o proposto, assinale a alternativa correta.
Provas
Deseja-se maior precisão (medidas críticas) na preparação de uma solução. Em qual alternativa estão identificadas as vidrarias de laboratório adequadas para essa situação?
Provas
Medida da diferença artério-jugular de O2 e monitorização da PIC são úteis para indicar o tipo de alteração na dinâmica cerebrovascular no TCE grave.
I - Identificar se o aumento da pressão intracraniana (PIC) decorre da diminuição do fluxo sanguíneo cerebral (FSC) causado por edema ou massa expansiva, que aumenta a extração cerebral de oxigênio.
II - Informar desacoplamento entre FSC e consumo cerebral de oxigênio.
III - Diagnosticar hiperfluxo ( Brain Sweling ) desacoplado do consumo de O2 cerebral como mecanismo causador do aumento da PIC.
IV - Orientar o período mais indicado para o uso do agente hiperosmolar ou hiperventilação.
Está(ão) correta(s)
Provas
Sobre os procedimentos para coleta de hemocultura, considere as afirmativas a seguir.
I- Deve-se coletar pelo menos 10mLde sangue de cada paciente, mesmo para as coletas pediátricas.
II- A assepsia do local de punção não é um fator que influencia o resultado da hemocultura.
III- Os frascos devem ser guardados em geladeira até o processamento da amostra.
IV- Fazer assepsia rigorosa do local de punção para evitar a contaminação com micro-organismos presentes na pele.
Está(ão) correta(s)
Provas
Quanto ao uso de luvas, é um procedimento CORRETO
Provas
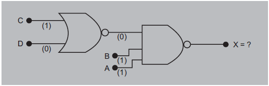
Observe a figura a seguir.

O circuito lógico da figura possui uma equação de saída X, que pode ser representada por
Provas
Em relação aos tumores da nasofaringe, assinale a alternativa correta.
Provas
Caderno Container