Foram encontradas 990 questões.
Para responder à questão, leia o texto a seguir.
O AutorretratoI)
No retrato que me faço
- traço a traço -
às vezes me pinto nuvem,
às vezes me pinto árvore...
às vezes me pinto coisas
de que nem há mais lembrança...
ou coisas que não existemIII)
mas que um dia existirãoIII)...
e, desta lida, em que busco
- pouco a pouco -
minha eterna semelhança,
no final, que restará?
Um desenho de criança...
Corrigido por um louco!
Fonte: QUINTANA, Mario. O Autorretrato. In: . Quintana de bolso. Rua dos cataventos e
outros poemas. Porto Alegre: L&PM, 2008. p. 47. (Adaptado)
Considere as afirmativas a seguir a respeito do texto.
I → A ideia de que alguém retrata a si mesmo, expressa pelo prefixo "auto" presente em "Autorretrato", é reiterada pelo pronome oblíquo “me” na primeira e segunda estrofes.
II → O poema permite entrever que o retrato de si mesmo é feito a partir de várias técnicas, como pintura, desenho e fotografia.
III → Em “existem” e “existirão”, a correlação entre os tempos passado e futuro indica que o autorretrato é plenamente acabado.
Está(ão) correta(s)
Provas
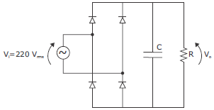
Considere o retificador de ponte completa da figura a seguir.

A tensão de alimentação vi é senoidal, a frequência é de 60Hz e o valor eficaz da tensão é 220V. Se desprezarmos a ondulação de tensão na saída e considerarmos vo contínua, a tensão de saída vo é igual a
Provas
As instituições públicas de ensino superior são passíveis de situações críticas que podem envolver seu corpo acadêmico, docente e/ou técnico administrativo. Em relação à gestão de crise, assinale V (verdadeira) ou F (falsa) em cada afirmativa a seguir.
( ) A prevenção não é uma fase isolada no processo em ação.
( )Não se deve atribuir as causas a terceiros.
( )Uma instituição que possui a cultura de prevenção de risco, não necessita realizar regularmente auditoria de vulnerabilidades.
( ) O plano de prevenção não pode ser um relatório elaborado por um grupo restrito de pessoas.
A sequência correta é
Provas
A Portaria nº 529, de 1º de abril de 2013, institui o Programa Nacional de Segurança do Paciente (PNSP). Em relação a esse documento, assinale a alternativa INCORRETA.
Provas
"No Brasil existem oito tipos básicos normalizados de cimento Portland, os quais com seus subtipos e classes de resistência chegam a mais de duas dezenas disponíveis para as mais variadas aplicações. O cimento Portland comum (CPI), embora praticamente ausente no mercado, principalmente por questões ambientais e de racionalização de energia, continua como referência, por suas características e propriedades, a todos os tipos básicos de cimento Portland disponíveis no mercado brasileiro, pois foi o tipo de cimento pioneiramente produzido a partir de 1926 e constituiu o tipo predominante até o final da década de 1980”.
(ISAIA, 2011)
Associe as siglas (2ª coluna) aos respectivos tipos de cimento normalizados (1ª coluna).
(1) CP II
(2) CP III
(3) CP IV
(4) CP V-ARI
( ) Cimento Portland de Alto-Forno
( ) Cimento Portland Composto
( ) Cimento Portland Pozolânico
A numeração correta, de cima para baixo, é:
Provas
É possível passar de um som a outro em uma produção em áudio ou mesclá-los por
I - fusão.
II - característica.
III - sobreposição.
IV - corte seco com emenda.
V - script.
Estão corretas
Provas
Observe a figura.

Fonte: AMABIS e MARTHO. Biologia: Biologia dos organismos. v. 2, p. 116, 2010. (Adaptado)
A figura apresenta um cladograma no qual os números dentro das circunferências correspondem a características compartilhadas pelos grupos de plantas (briófitas, pteridófitas, gimnospermas e angiospermas) nas extremidades do cladograma. Assinale a alternativa que corresponde a essas caracteríticas compartilhadas, considerando a numeração dentro das circunferências.
Provas
Considerando as Boas Práticas de Laboratório, assinale a alternativa correta.
Provas
De acordo com o Estatuto da Universidade Federal de Santa Maria, considere as afirmações a seguir.
I → A Universidade Federal de Santa Maria (UFSM) destina-se, dentre outras finalidades, a promover, de forma indissociável, o ensino, a pesquisa e a extensão.
II → A UFSM possui, dentre seus objetivos especiais, o de colaborar com o poder público na solução dos problemas nacionais, objetivando o desenvolvimento do País.
III → Para a realização de seus objetivos, poderá a Universidade Federal de Santa Maria criar cursos de obriextensão, fora da sede, mediante prévia autorização do Conselho Nacional de Educação.
IV → A UFSM goza de autonomia didático-científica, disciplinar, administrativa e financeira que é exercida com base no seu Estatuto e na legislação em vigor.
Está(ão) correta(s)
Provas
Em relação aos efeitos da construção de um reservatório na dinâmica fluvial de um curso d'água, considere as afirmativas a seguir.
I → Retenção de sedimento no lago do reservatório.
II → Perda de habitats devido à inundação de áreas.
III → Alteração do perfil térmico da água.
IV → Menor regularização da vazão a jusante.
Está(ão) correta(s)
Provas
Caderno Container