Foram encontradas 50 questões.
Os transformadores de corrente são dispositivos específicos para a aplicação em serviços de medição e de proteção elétrica. Normalmente, são construídos com um enrolamento primário de poucas espiras, um núcleo de ferro e um enrolamento secundário para corrente padronizada de 5 A.
Um transformador de corrente para medição, cuja relação de transformação é de 50:1, 0,6 kV, com carga nominal secundária de 22,5 VA, é usado em um quadro de medição e é ligado a um circuito com corrente circulante de 30 A. Neste caso, a corrente e a máxima carga nominal do secundário transformador são, respectivamente,
Provas
Quatro laboratoristas, usando quatro voltímetros de mesmo fabricante e modelo, fizeram as seguintes medições de tensão sobre os terminais de um resistor conectado ao polo emissor de um transistor de junção bipolar: 1,20 V, 1,25 V, 1,10 V e 1,30 V.
No caso deste ensaio, a tensão média das leituras e a faixa de erro média são, respectivamente,
Provas
A alternativa que apresenta uma unidade de medida de força magnetomotriz é
Provas
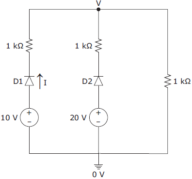
Considere o circuito com diodos ideais da figura a seguir.

Os valores da corrente I que circula pelo diodo D1 e da tensão V para o terminal de terra são, respectivamente,
Provas
Uma carga trifásica equilibrada drena da rede elétrica uma potência aparente de 10 kVA. Sabendo-se que a corrente na carga está adiantada com relação à tensão e que o fator de potência é 0,8, a potência reativa drenada pela carga é
Provas
Com relação às características eletromagnéticas dos materiais, considere as afirmativas a seguir.
I → A condutividade elétrica !$ σ !$ de um material está relacionada à capacidade de passagem de linhas de campo elétrico através deste material.
II→A permissividade elétrica !$ ε !$ de um material está relacionada à capacidade de condução de corrente elétrica.
III → A permeabilidade magnética !$ μ !$ de um material está relacionada à capacidade de passagem de linhas de campo magnético através deste material.
Está(ão) correta(s)
Provas
A grandeza definida como a razão entre o fluxo magnético concatenado que passa por uma bobina e a corrente que produziu este fluxo é denominada
Provas
O dispositivo comumente utilizado para proteção por sobretensão na entrada de fontes de alimentação é o
Provas
Considere o circuito elétrico de tensão e corrente contínuas da figura a seguir.

A resistência equivalente Thevenin Rth vista dos terminais A e B do circuito é
Provas
O Decreto nº 7.724/2012 regulamenta o direito de acesso à informação. Nos termos do que está disposto no Decreto, assinale a alternativa correta.
Provas
Caderno Container