Foram encontradas 50 questões.
Para responder a questão, leia o texto a seguir.
Futuro: pacientes serão 'médicos deles mesmos', aponta neurologista
Entenda como a medicina está evoluindo em tecnologia e tratamentos

Com avanços das tecnologias voltadas à medicina,
expectativa de vida pode chegar a mais de 150 anos
Qual é o limite da longevidade humana? Para alguns futuristas e entusiastas, a primeira pessoa que viverá até os 150 anos já nasceu. Outros vão ainda mais longe nas previsões: Ray Kurzweil, o cientista e autor do livro "A Singularidade está próxima" (ainda sem tradução para o português), prevê que a expansão exponencial de novas soluções elevará a expectativa de vida de maneira radical, chegando a mil anos.
Um dos principais fatores que aponta esta transformação na relação com a vida é a medicina de precisão. Diferentemente do enfoque dado atualmente, em que a doença está no centro da questão, essa outra linha visa aumentar a saúde e o bem-estar do paciente. A prática começa com a observação da constituição genética, entendendo que cada indivíduo é único e, portanto, responde de maneira diferente aos tratamentos.
— A medicina tradicional é reativa. Espera a doença para poder agir. Já a medicina do futuro é proativa. É a medicina dos cinco "Ps": preventiva, preditiva, proativa, personalizada e parceira, explica Pedro Schestatsky, professor de neurologia da UFRGS e especialista em medicina de precisão.
Com isso, a relação médico-paciente também mudará, opina Schestatsky. Com acesso às muitas informações sobre o seu corpo, cada um poderá tomar decisões e diagnosticar sintomas. O médico reforça que não haverá uma substituição do profissional da saúde, mas uma mudança de comportamento:
— A tecnologia não vai substituir o médico e, sim, empoderá-lo. Assim como o paciente, que passa a ser médico dele mesmo. A tecnologia vai resolver as limitações da medicina, que hoje cresce de maneira linear. O médico se tornará um parceiro mais do que uma autoridade.
Fonte: Jornal Zero Hora, Informe Comercial, edição de 07/04/18, p.7. (Adaptado)
Para responder a questão, considere o fragmento em destaque.
— A tecnologia não vai substituir o médico e, sim, empoderá-lo. Assim como o paciente, que passa a ser médico dele mesmo. A tecnologia vai resolver as limitações da medicina, que hoje cresce de maneira linear.
Com base no que se declara nesse fragmento e na sua articulação com o restante do texto, infere-se que
Provas
Para responder a questão, leia o texto a seguir.
Futuro: pacientes serão 'médicos deles mesmos', aponta neurologista
Entenda como a medicina está evoluindo em tecnologia e tratamentos

Com avanços das tecnologias voltadas à medicina,
expectativa de vida pode chegar a mais de 150 anos
Qual é o limite da longevidade humana? Para alguns futuristas e entusiastas, a primeira pessoa que viverá até os 150 anos já nasceu. Outros vão ainda mais longe nas previsões: Ray Kurzweil, o cientista e autor do livro "A Singularidade está próxima" (ainda sem tradução para o português), prevê que a expansão exponencial de novas soluções elevará a expectativa de vida de maneira radical, chegando a mil anos.
Um dos principais fatores que aponta esta transformação na relação com a vida é a medicina de precisão. Diferentemente do enfoque dado atualmente, em que a doença está no centro da questão, essa outra linha visa aumentar a saúde e o bem-estar do paciente. A prática começa com a observação da constituição genética, entendendo que cada indivíduo é único e, portanto, responde de maneira diferente aos tratamentos.
— A medicina tradicional é reativa. Espera a doença para poder agir. Já a medicina do futuro é proativa. É a medicina dos cinco "Ps": preventiva, preditiva, proativa, personalizada e parceira, explica Pedro Schestatsky, professor de neurologia da UFRGS e especialista em medicina de precisão.
Com isso, a relação médico-paciente também mudará, opina Schestatsky. Com acesso às muitas informações sobre o seu corpo, cada um poderá tomar decisões e diagnosticar sintomas. O médico reforça que não haverá uma substituição do profissional da saúde, mas uma mudança de comportamento:
— A tecnologia não vai substituir o médico e, sim, empoderá-lo. Assim como o paciente, que passa a ser médico dele mesmo. A tecnologia vai resolver as limitações da medicina, que hoje cresce de maneira linear. O médico se tornará um parceiro mais do que uma autoridade.
Fonte: Jornal Zero Hora, Informe Comercial, edição de 07/04/18, p.7. (Adaptado)
Considere que a legenda para a fotografia fosse reescrita como:
Por meio dos avanços das tecnologias voltadas à medicina, expectativa de vida chegará a mais de 150 anos.
Na reescrita, aumentou-se o teor assertivo da frase, isto é, reforçou-se a certeza no aumento da expectativa de vida. Esse efeito de sentido foi obtido com
I→a substituição do adjunto adverbial.
II→a retirada do verbo principal da locução.
III→o emprego do futuro do presente.
Está(ão) correta(s)
Provas
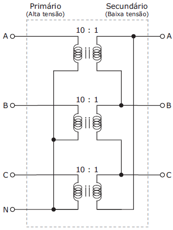
Três transformadores monofásicos de 5 kVA, cada um com relação de transformação de tensão de 10:1, são conectados de forma a produzir um transformador trifásico, conforme a figura.

Se a tensão eficaz de linha aplicada ao lado de alta tensão é 220 V, a tensão eficaz de fase induzida no secundário de baixa tensão é
Provas
Para responder a questão, leia o texto a seguir.
Futuro: pacientes serão 'médicos deles mesmos', aponta neurologista
Entenda como a medicina está evoluindo em tecnologia e tratamentos

Com avanços das tecnologias voltadas à medicina,
expectativa de vida pode chegar a mais de 150 anos
Qual é o limite da longevidade humana? Para alguns futuristas e entusiastas, a primeira pessoa que viverá até os 150 anos já nasceu. Outros vão ainda mais longe nas previsões: Ray Kurzweil, o cientista e autor do livro "A Singularidade está próxima" (ainda sem tradução para o português), prevê que a expansão exponencial de novas soluções elevará a expectativa de vida de maneira radical, chegando a mil anos.
Um dos principais fatores que aponta esta transformação na relação com a vida é a medicina de precisão. Diferentemente do enfoque dado atualmente, em que a doença está no centro da questão, essa outra linha visa aumentar a saúde e o bem-estar do paciente. A prática começa com a observação da constituição genética, entendendo que cada indivíduo é único e, portanto, responde de maneira diferente aos tratamentos.
— A medicina tradicional é reativa. Espera a doença para poder agir. Já a medicina do futuro é proativa. É a medicina dos cinco "Ps": preventiva, preditiva, proativa, personalizada e parceira, explica Pedro Schestatsky, professor de neurologia da UFRGS e especialista em medicina de precisão.
Com isso, a relação médico-paciente também mudará, opina Schestatsky. Com acesso às muitas informações sobre o seu corpo, cada um poderá tomar decisões e diagnosticar sintomas. O médico reforça que não haverá uma substituição do profissional da saúde, mas uma mudança de comportamento:
— A tecnologia não vai substituir o médico e, sim, empoderá-lo. Assim como o paciente, que passa a ser médico dele mesmo. A tecnologia vai resolver as limitações da medicina, que hoje cresce de maneira linear. O médico se tornará um parceiro mais do que uma autoridade.
Fonte: Jornal Zero Hora, Informe Comercial, edição de 07/04/18, p.7. (Adaptado)
De acordo com o texto, ainda que cada indivíduo _________ aos tratamentos de modo diferente, a medicina _________ não trata os pacientes de maneira personalizada.
Assinale a alternativa que preenche corretamente as lacunas.
Provas
Em um motor elétrico, nem toda a energia elétrica fornecida ao motor é convertida em energia mecânica no eixo. Parte da energia elétrica é perdida no processo de conversão eletromecânica de energia. Nesse contexto, considere as afirmativas a seguir.
I → As perdas mecânicas ocorrem devido ao atrito entre as partes móveis, ou seja, devido à fricção com os rolamentos e devido ao sistema de ventilação.
II→As perdasmagnéticas ocorremdevido ao efeito Joule, resultante da corrente elétrica circulando através dos condutores do estator e do rotor do motor.
III → As perdas elétricas, que variam em função da densidade de fluxo magnético e da frequência de acionamento do motor, ocorrem principalmente nas lâminas de ferro do estator e do rotor.
Está(ão) correta(s)
Provas
Para responder a questão, leia o texto a seguir.
Futuro: pacientes serão 'médicos deles mesmos', aponta neurologista
Entenda como a medicina está evoluindo em tecnologia e tratamentos

Com avanços das tecnologias voltadas à medicina,
expectativa de vida pode chegar a mais de 150 anos
Qual é o limite da longevidade humana? Para alguns futuristas e entusiastas, a primeira pessoa que viverá até os 150 anos já nasceu. Outros vão ainda mais longe nas previsões: Ray Kurzweil, o cientista e autor do livro "A Singularidade está próxima" (ainda sem tradução para o português), prevê que a expansão exponencial de novas soluções elevará a expectativa de vida de maneira radical, chegando a mil anos.
Um dos principais fatores que aponta esta transformação na relação com a vida é a medicina de precisão. Diferentemente do enfoque dado atualmente, em que a doença está no centro da questão, essa outra linha visa aumentar a saúde e o bem-estar do paciente. A prática começa com a observação da constituição genética, entendendo que cada indivíduo é único e, portanto, responde de maneira diferente aos tratamentos.
— A medicina tradicional é reativa. Espera a doença para poder agir. Já a medicina do futuro é proativa. É a medicina dos cinco "Ps": preventiva, preditiva, proativa, personalizada e parceira, explica Pedro Schestatsky, professor de neurologia da UFRGS e especialista em medicina de precisão.
Com isso, a relação médico-paciente também mudará, opina Schestatsky. Com acesso às muitas informações sobre o seu corpo, cada um poderá tomar decisões e diagnosticar sintomas. O médico reforça que não haverá uma substituição do profissional da saúde, mas uma mudança de comportamento:
— A tecnologia não vai substituir o médico e, sim, empoderá-lo. Assim como o paciente, que passa a ser médico dele mesmo. A tecnologia vai resolver as limitações da medicina, que hoje cresce de maneira linear. O médico se tornará um parceiro mais do que uma autoridade.
Fonte: Jornal Zero Hora, Informe Comercial, edição de 07/04/18, p.7. (Adaptado)
No texto, depreende-se que há uma estreita relação entre o aumento da saúde e do bem-estar do paciente e a prática da medicina de precisão. Todas as alternativas apresentam uma expressão linguística adequada a essa relação e ao teor do texto, EXCETO:
Provas
Para responder a questão, leia o texto a seguir.
Futuro: pacientes serão 'médicos deles mesmos', aponta neurologista
Entenda como a medicina está evoluindo em tecnologia e tratamentos

Com avanços das tecnologias voltadas à medicina,
expectativa de vida pode chegar a mais de 150 anos
Qual é o limite da longevidade humana? Para alguns futuristas e entusiastas, a primeira pessoa que viverá até os 150 anos já nasceu. Outros vão ainda mais longe nas previsões: Ray Kurzweil, o cientista e autor do livro "A Singularidade está próxima" (ainda sem tradução para o português), prevê que a expansão exponencial de novas soluções elevará a expectativa de vida de maneira radical, chegando a mil anos.
Um dos principais fatores que aponta esta transformação na relação com a vida é a medicina de precisão. Diferentemente do enfoque dado atualmente, em que a doença está no centro da questão, essa outra linha visa aumentar a saúde e o bem-estar do paciente. A prática começa com a observação da constituição genética, entendendo que cada indivíduo é único e, portanto, responde de maneira diferente aos tratamentos.
— A medicina tradicional é reativa. Espera a doença para poder agir. Já a medicina do futuro é proativa. É a medicina dos cinco "Ps": preventiva, preditiva, proativa, personalizada e parceira, explica Pedro Schestatsky, professor de neurologia da UFRGS e especialista em medicina de precisão.
Com isso, a relação médico-paciente também mudará, opina Schestatsky. Com acesso às muitas informações sobre o seu corpo, cada um poderá tomar decisões e diagnosticar sintomas. O médico reforça que não haverá uma substituição do profissional da saúde, mas uma mudança de comportamento:
— A tecnologia não vai substituir o médico e, sim, empoderá-lo. Assim como o paciente, que passa a ser médico dele mesmo. A tecnologia vai resolver as limitações da medicina, que hoje cresce de maneira linear. O médico se tornará um parceiro mais do que uma autoridade.
Fonte: Jornal Zero Hora, Informe Comercial, edição de 07/04/18, p.7. (Adaptado)
Para responder a questão, considere o fragmento em destaque.
— A tecnologia não vai substituir o médico e, sim, empoderá-lo. Assim como o paciente, que passa a ser médico dele mesmo. A tecnologia vai resolver as limitações da medicina, que hoje cresce de maneira linear.
Considere que, no fragmento, a terceira frase fosse reescrita como:
As limitações da medicina, a qual hoje cresce de maneira linear, vão ser resolvidas pela tecnologia.
Comparando-se com a frase do texto do último parágrafo, fica evidenciado que, na nova expressão, ocorreu
Provas
O Campus da UFSM em Santa Maria apresenta várias edificações alimentadas em tensão primária de fornecimento. Neste contexto, as instalações atendidas em média tensão devem ser executadas em conformidade com a ABNT/NBR 14039 - Instalações elétricas de MT de 1,0 kV a 36,2 kV. Sobre esta norma, é correto afirmar:
Provas
A Lei º 8.429/1992 dispõe sobre as sanções aplicáveis aos agentes públicos nos casos de enriquecimento ilícito no exercício de mandato. De acordo com o que está disposto na lei, assinale a alternativa correta.
Provas
Relativamente aos atos de improbidade administrativa, nos termos do que estabelece a Lei nº 8.2429/ 1992, considere as afirmativas a seguir.
I→Configura-se ato de improbidade administrativa perceber vantagem econômica para intermediar a liberação ou aplicação de verba pública de qualquer natureza.
II → Quando o ato de improbidade administrativa causar lesão ao patrimônio público ou ensejar enriquecimento ilícito, caberá a autoridade administrativa responsável pelo inquérito representar ao Ministério Público, para indisponibilidade dos bens do indiciado.
III → A lesão ao patrimônio público por ação ou omissão dolosa, do agente ou de terceiro, ensejará o integral ressarcimento do dano, excluindo-se a hipótese de culpa.
IV → O sucessor daquele que causar lesão ao patrimônio público ou se enriquecer ilicitamente está sujeito às cominações desta lei, não restringindo-se tal responsabilidade aos limites da herança.
Está(ão) correta(s)
Provas
Caderno Container