Foram encontradas 1.085 questões.
Um técnico em mecânica foi designado para planejar e coordenar a instalação de um sistema de fornecimento de gases medicinais para um hospital, gerando a tabela a seguir com a distribuição de atividades, interdependência e duração.

Legenda: Precedência indica a atividade que deverá ser, impreterivelmente, executada antes.
Analisando a tabela e distribuindo as atividades ao longo do tempo, quais caminhos são possíveis e em quanto tempo a montagem da instalação será concluída?
Provas
Sensores são amplamente aplicados em sistemas automatizados quando há a necessidade de controlar variáveis importantes em processos das mais variadas áreas da engenharia.
Considere que há a necessidade de controlar a temperatura de um fluido num determinado processo de forma que sua variação implica no acionamento de uma válvula motorizada que atua variando o fluxo de um fluido secundário.
Sabendo que o sensor de temperatura utilizado é um termistor do tipo NTC, é correto afirmar que esse tipo de termistor opera a partir da variação
Provas
A utilização de automação em sistemas de bombeamento tem sido cada vez mais frequente nos últimos anos devido aos benefícios em relação à eficiência energética e possibilidade de controle de variáveis com maior nível de precisão. Considere que uma bomba opera com controle de rotação, a partir de um sinal enviado por um transdutor de pressão instalado na tubulação de descarga. O transdutor de pressão instalado possui as seguintes especificações técnicas: 0 a 6 bar – saída 4 a 20 mA.
Sabendo que o transdutor opera de forma linear, qual deverá ser o sinal em mA enviado ao inversor de frequência da motobomba para que essa opere com pressão constante de 3 bar?
Provas
Um pino com 2 cm de diâmetro é submetido a uma força de 60 kN, conforme esquematizado na figura a seguir.
Dados: \( ^∂ med = \dfrac{F}{A} \rightarrow considerar \ \pi = 3 \)

(Arquivo pessoal; imagem usada com autorização)
Com base nos dados fornecidos e a representação indicada, é correto concluir que o pino está submetido a uma tensão média de
Provas
Um pino de aço que possui 40 mm de diâmetro é submetido a uma força de tração de 36 kN. Considerando que a tensão máxima admissível do material do pino é de 75 MPa, qual foi o valor do coeficiente de segurança (CS) utilizado para dimensioná-lo?
Dados: \( σ = \dfrac{F}{A} \rightarrow CS= \dfrac{σ _{adm}}{σ} \rightarrow considerar \ \pi = 3 \)
Provas
Com o avanço em tecnologia dos materiais, a utilização do plástico no lugar de componentes produzidos a partir de materiais metálicos aumentou consideravelmente nas últimas décadas. Em relação às tubulações hidráulicas industriais, que eram preferencialmente produzidas em aço galvanizado e, hoje, dependendo da aplicação, podem ser facilmente substituídas por tubos de PEAD (polietileno de alta densidade), por exemplo.
Comparados aos tubos de aço galvanizado para uma mesma aplicação, tubos de PEAD são
Provas
Os aços e suas ligas apresentam uma grande variedade de utilização em produtos hospitalares e, dependendo de suas aplicações, necessitam de uma seleção rigorosa em relação as propriedades mecânicas.
Considerando os aços ABNT 1020, ABNT 1045 e o AISI 304, é correto afirmar que o aço
Provas
O desenho técnico a seguir representa uma peça que foi usinada com um furo a partir de um bloco fundido de alumínio e um eixo usinado a partir de um tarugo de aço inoxidável. O eixo deverá ser acoplado ao furo conforme dimensões e tolerâncias indicadas nas cotas.

(Arquivo pessoal; imagem usada com autorização
Após montagem do eixo no furo, é correto afirmar que
Provas
Circuitos hidráulicos são amplamente utilizados em sistemas que requerem movimentação de carga e apresentam boa precisão quando a velocidade de deslocamento é uma variável que requer controle. Uma maca, utilizada para posicionamento de pacientes em uma unidade de tomografia, opera por meio de um circuito hidráulico para se movimentar nas direções vertical (elevação) e horizontal e, para isso, utiliza-se de pistões que devem se mover com uma velocidade constante de avanço de 20 mm/s. Sabendo-se que o diâmetro interno dos cilindros hidráulicos é de 30 mm, qual será a vazão volumétrica necessária para mover o pistão?
Dados: \( Q = \bar{v} ^. A \) considerar \( \pi \) = 3
Provas
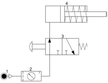
Analise o diagrama a seguir, e assinale a única alternativa que o descreve corretamente.

(Arquivo pessoal; imagem usada com autorização)
Provas
Caderno Container