Foram encontradas 530 questões.
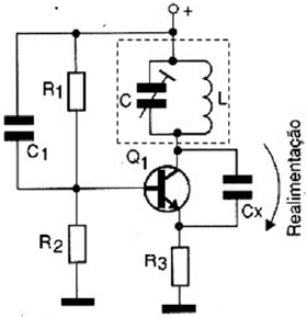
A figura abaixo mostra um oscilador do tipo Pierce, o qual é capaz de gerar sinais senoidais na faixa de 1 MHz a 500 MHz. A sua frequência de oscilação é dada pelo circuito “tanque” ou circuito ressonante ligado ao coletor do transistor mostrado. A expressão que permite calcular o valor dessa frequência é

Provas
O dispositivo de três terminais mostrado abaixo, muito popular, é também conhecido como configuração Darlington, a qual é bastante empregada em amplificação de corrente. Consiste de dois transistores do mesmo tipo que funcionam como se fosse um único transistor. Se forem representados por \( \beta_1 \) e \( \beta_2 \), respectivamente, os ganhos de corrente dos transistores Q1 e Q2, conclui-se que o ganho da configuração equivalente Darlington vale

Provas
A figura abaixo representa um amplificador transistorizado com quatro transistores Q1, Q2, Q3 e Q4, que permitem obter amplificação de potência de um sinal.

Pela análise do circuito é correto concluir que
Provas
A figura abaixo representa a fotografia, feita por um aluno, da tela de um osciloscópio de raios catódicos. Ela mostra duas formas de onda representadas, respectivamente, por A e B, juntamente com uma escala de tempo em segundos. Representando por fA e fB as frequências respectivas desses sinais, tem-se que

Provas
A figura abaixo mostra o gráfico da curva característica e da reta de carga de um tipo de diodo. Considere as afirmações abaixo em relação a esse gráfico.
I O ponto de operação do diodo é representado pelas coordenadas V*e I*.
II O ponto de corte corresponde à corrente, cujo valor é igual a I.
III O ponto de saturação corresponde à tensão, cujo valor é igual a E.
IV A equação da reta de carga é expressa por ID = I – (I/E).VD.

Estão corretas
Provas
Os circuitos de filtros, os quais são associados à saída de um circuito retificador, estão presentes na maioria das fontes de alimentação de corrente contínua. Em geral, são circuitos constituídos de capacitores e indutores convenientemente associados. Sobre esses dispositivos são feitas as seguintes afirmações.
I Deixam passar as componentes contínuas e ao mesmo tempo atenuam as componentes alternadas do sinal.
II Quanto maior o Ripple ou fator de ondulação do filtro, mais eficientes são esses dispositivos.
III Quanto maior a constante de tempo do capacitor, maior será a ondulação do sinal.
IV O indutor, por opor-se a rápidas variações de corrente, melhora a eficiência da filtragem.
Estão corretas
Provas
A figura abaixo mostra um diodo do tipo Zener, que funciona com uma intensidade de corrente de 10 mA e que está sendo usado para estabilizar a tensão de 4 V no resistor R1 de 400 Ω mostrado. Sabendo-se que a fonte que alimenta o circuito estabelece uma tensão de 9 V entre os pontos A e B, é correto afirmar que o valor do resistor R2, em Ohms, vale

Provas
Uma pessoa dispõe de uma bateria de 12 V e deseja ligar em série dois LEDS de alto brilho, de 2,5 V cada um, e que funcionam com uma corrente de 20 mA. Para que os LEDS não queimem, ela associa ao conjunto um resistor em série que servirá como divisor de tensão. O valor da resistência deste resistor, em Ω, vale
Provas
Um circuito contendo um capacitor de capacitância C, um indutor de indutância L, um resistor de resistência R e um amperímetro, associados em série, é alimentado por uma fonte de tensão alternada do tipo senoidal de amplitude constante e cuja frequência pode ser variada. Um técnico, ao variar a frequência da fonte, observa que em determinado momento a corrente no amperímetro assume o seu máximo valor. Nessa situação, é correto afirmar que a
Provas
Certos dispositivos antifurto de supermercados e grandes lojas, os quais são presos às mercadorias, consistem em um sensor contendo um capacitor e um indutor associados em paralelo. Se a mercadoria passar na barreira eletrônica instalada na saída da loja, a variação do fluxo magnético induz no indutor uma corrente, fazendo com que o circuito indutor-capacitor oscile em determinada frequência, produzindo uma onda eletromagnética. Essa onda eletromagnética ativa então um dispositivo que emite um sinal sonoro, denunciando o furto. O princípio físico que explica o aparecimento da corrente no indutor é a Lei de
Provas
Caderno Container