Foram encontradas 120 questões.
Com relação às propriedades e às características dos aços estruturais, é correto afirmar que
o processo de recozimento de uma chapa de aço estrutural, que reduz a dureza do aço e aumenta sua ductilidade, pode ser realizado após a conformação mecânica por laminação, com o intuito de aliviar as tensões internas da referida chapa.
Provas
Julgue o item a seguir acerca do funcionamento de equipamentos hidromecânicos e das representações desses equipamentos por meio de desenhos técnicos e diagramas.
No desenho técnico de um elemento de máquina que possui um único furo cilíndrico, o furo deve ser representado na vista paralela desse elemento por duas linhas tracejadas e por uma linha contínua, que identifica o centro do furo.
Provas
A respeito de manutenção preventiva e corretiva de instalações industriais, julgue o item a seguir.
Entre os fluidos que podem ser empregados em sistemas hidráulicos, o óleo é o mais recomendado, pois, além de isolar a pressão, apresenta rápida oxidação quando em contato com o ar.
Provas
Disciplina: Segurança e Saúde no Trabalho (SST)
Banca: CESPE / CEBRASPE
Orgão: UNIPAMPA
Julgue o item a seguir, relativos à segurança do trabalho.
Os andares acima do solo — terraços, balcões, compartimentos para garagens e outros que não forem vedados por paredes externas — devem dispor de guarda-corpo de proteção contra quedas, cuja altura mínima é de 0,90 m, exigida a partir do nível do pavimento.
Provas

A figura acima ilustra parte da planta baixa de uma instalação elétrica, correspondente ao pavimento térreo de determinada edificação, que tem, ainda, um pavimento superior.
Com base nessa figura, julgue o item a seguir.
No pavimento térreo, sempre haverá um fio terra e um condutor neutro passando por cada eletroduto.
Provas

A figura acima ilustra parte da planta baixa de uma instalação elétrica, correspondente ao pavimento térreo de determinada edificação, que tem, ainda, um pavimento superior.
Com base nessa figura, julgue o item a seguir.
O circuito 1 do pavimento térreo é utilizado para atender uma tomada baixa.
Provas

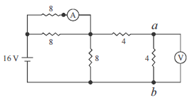
No circuito elétrico apresentado na figura acima, os medidores e os elementos de circuito são ideais e a resistência de todos os resistores é expressa em ohms.
O amperímetro mede o equivalente a 50% da corrente que flui pela fonte de tensão.
Provas

No circuito elétrico apresentado na figura acima, os medidores e os elementos de circuito são ideais e a resistência de todos os resistores é expressa em ohms.
Caso houvesse um curto-circuito entre os pontos \( a \) e \( b \), o voltímetro passaria a indicar 2 V.
Provas

No circuito elétrico apresentado na figura acima, os medidores e os elementos de circuito são ideais e a resistência de todos os resistores é expressa em ohms.
O resistor que menos consome potência no circuito absorve 8 W.
Provas
No que se refere à topografia empregada nas obras de engenharia civil, julgue o item a seguir.
Ângulo zenital é o ângulo formado entre as projeções horizontais de duas retas que passam através de dois pontos e convergem para um terceiro ponto.
Provas
Caderno Container