Magna Concursos

Foram encontradas 2.550 questões.

3330244 Ano: 2013
Disciplina: Engenharia Mecânica
Banca: CESPE / CEBRASPE
Orgão: UNIPAMPA
Provas:

A manutenção produtiva total (TPM) é uma metodologia utilizada em processos de manutenção, cujo objetivo básico é garantir a integração entre os vários setores do processo produtivo. Essa característica marcante assegurou aos operadores um maior conhecimento dos equipamentos e de suas funções. O TPM baseia sua sustentação em oito pilares:

  • manutenção autônoma;
  • manutenção planejada;
  • melhorias específicas;
  • educação e treinamento;
  • manutenção da qualidade;
  • controle inicial;
  • melhoria dos processos administrativos (TPM administrativo);
  • segurança, saúde e meio ambiente (TPM – segurança, higiene e meio ambiente)

Considerando os princípios básicos do TPM, seus pilares e as características do RCM, julgue o item a seguir.

A manutenibilidade de um conjunto de equipamentos de uma instalação industrial está diretamente relacionada à sua operação, haja vista o objetivo de manter ou reestabelecer o estado operacional dos equipamentos após a ocorrência de uma falha.

 

Provas

Questão presente nas seguintes provas
3330243 Ano: 2013
Disciplina: Engenharia Mecânica
Banca: CESPE / CEBRASPE
Orgão: UNIPAMPA
Provas:

Uma equipe responsável pela manutenção de um equipamento X constatou os seguintes valores associados aos levantamentos dos tempos relativos às falhas identificadas:

MTBF (tempo médio entre falhas) = 960 horas
MTTR (tempo médio até o reparo) = 6 horas

Com base nessas informações, julgue o item seguinte.

A probabilidade de que o equipamento X encontre-se em estado operacional e disponível para a produção no sistema industrial ao qual pertence é maior que 99%.

 

Provas

Questão presente nas seguintes provas
3330242 Ano: 2013
Disciplina: Engenharia Mecânica
Banca: CESPE / CEBRASPE
Orgão: UNIPAMPA
Provas:

Texto para o item a seguir.

Sabe-se que a indisponibilidade de equipamentos e sistemas pode afetar a capacidade produtiva de uma instalação industrial, aumentando custos e interferindo na qualidade do produto. Além disso, as falhas podem acarretar comprometimentos importantes não só para a imagem das empresas, mas podem, também, comprometer a segurança das pessoas, do patrimônio e do meio ambiente.

A manutenção das instalações industriais passou a ter uma importância estratégica. Em razão dessa importância, passou-se a adotar características de prevenção e de predição cada vez mais apuradas. A manutenção centrada em confiabilidade, também chamada de RCM (reliability centred maintenance), migrou de indústrias aeronáuticas para outras indústrias durante as duas últimas décadas e vem conquistando cada vez mais adeptos, sendo baseada, em parte, na otimização da manutenção a partir do comportamento da taxa de falha.

Uma das formas de se representar o comportamento da taxa de falha de um equipamento ao longo do tempo é realizada por meio da curva da banheira, conforme apresenta a figura abaixo.

Enunciado 3756929-1

Considerando, para um equipamento X, a curva da banheira apresentada, além dos conceitos e práticas que sustentam a metodologia RCM, julgue o item a seguir.

Considerando-se que na fase de mortalidade senil, em que \( t \gg t_2 \), o fator de forma de um equipamento X possua um valor bem maior que 1, a melhor estratégia de manutenção será a corretiva, que consiste em devolver as características originais de funcionamento ao equipamento após a constatação da falha.

 

Provas

Questão presente nas seguintes provas
3330241 Ano: 2013
Disciplina: Engenharia Mecânica
Banca: CESPE / CEBRASPE
Orgão: UNIPAMPA
Provas:

Texto para o item a seguir.

Sabe-se que a indisponibilidade de equipamentos e sistemas pode afetar a capacidade produtiva de uma instalação industrial, aumentando custos e interferindo na qualidade do produto. Além disso, as falhas podem acarretar comprometimentos importantes não só para a imagem das empresas, mas podem, também, comprometer a segurança das pessoas, do patrimônio e do meio ambiente.

A manutenção das instalações industriais passou a ter uma importância estratégica. Em razão dessa importância, passou-se a adotar características de prevenção e de predição cada vez mais apuradas. A manutenção centrada em confiabilidade, também chamada de RCM (reliability centred maintenance), migrou de indústrias aeronáuticas para outras indústrias durante as duas últimas décadas e vem conquistando cada vez mais adeptos, sendo baseada, em parte, na otimização da manutenção a partir do comportamento da taxa de falha.

Uma das formas de se representar o comportamento da taxa de falha de um equipamento ao longo do tempo é realizada por meio da curva da banheira, conforme apresenta a figura abaixo.

Enunciado 3756928-1

Considerando, para um equipamento X, a curva da banheira apresentada, além dos conceitos e práticas que sustentam a metodologia RCM, julgue o item a seguir.

Durante o período de vida útil do equipamento X, entre t1 e t2, as falhas normalmente ocorrem por causas aleatórias, externas ao sistema, indicando a manutenção preditiva como a melhor estratégia a ser adotada durante esse período.

 

Provas

Questão presente nas seguintes provas
3330240 Ano: 2013
Disciplina: Engenharia Mecânica
Banca: CESPE / CEBRASPE
Orgão: UNIPAMPA
Provas:

Texto para o item a seguir.

Sabe-se que a indisponibilidade de equipamentos e sistemas pode afetar a capacidade produtiva de uma instalação industrial, aumentando custos e interferindo na qualidade do produto. Além disso, as falhas podem acarretar comprometimentos importantes não só para a imagem das empresas, mas podem, também, comprometer a segurança das pessoas, do patrimônio e do meio ambiente.

A manutenção das instalações industriais passou a ter uma importância estratégica. Em razão dessa importância, passou-se a adotar características de prevenção e de predição cada vez mais apuradas. A manutenção centrada em confiabilidade, também chamada de RCM (reliability centred maintenance), migrou de indústrias aeronáuticas para outras indústrias durante as duas últimas décadas e vem conquistando cada vez mais adeptos, sendo baseada, em parte, na otimização da manutenção a partir do comportamento da taxa de falha.

Uma das formas de se representar o comportamento da taxa de falha de um equipamento ao longo do tempo é realizada por meio da curva da banheira, conforme apresenta a figura abaixo.

Enunciado 3756927-1

Considerando, para um equipamento X, a curva da banheira apresentada, além dos conceitos e práticas que sustentam a metodologia RCM, julgue o item a seguir.

Se o sistema de um equipamento X possuir dados de vida que se ajustem a uma função de distribuição de probabilidade normal, então a confiabilidade da manutenção considerará tempos de falhas originados de causas que se somam.

 

Provas

Questão presente nas seguintes provas
3330239 Ano: 2013
Disciplina: Engenharia Mecânica
Banca: CESPE / CEBRASPE
Orgão: UNIPAMPA
Provas:

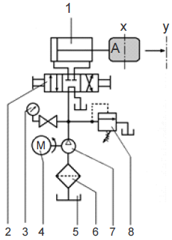
Enunciado 3756926-1

Com referência ao diagrama esquemático do circuito hidráulico mostrado na figura acima, julgue o item a seguir.

Nesse circuito, o atuador 1 moverá o objeto A da posição X para a posição Y por meio do acionamento da válvula 2, operada por um solenoide.

 

Provas

Questão presente nas seguintes provas
3330238 Ano: 2013
Disciplina: Engenharia Mecânica
Banca: CESPE / CEBRASPE
Orgão: UNIPAMPA
Provas:

Enunciado 3756925-1

Com referência ao diagrama esquemático do circuito hidráulico mostrado na figura acima, julgue o item a seguir.

A válvula 2 é uma válvula de quatro vias e três posições de centro aberto.

 

Provas

Questão presente nas seguintes provas
3330237 Ano: 2013
Disciplina: Engenharia Mecânica
Banca: CESPE / CEBRASPE
Orgão: UNIPAMPA
Provas:

No que tange aos princípios de funcionamento das máquinas de fluxo, julgue o item a seguir.

Considere que a tabela abaixo forneça os dados de altura manométrica, H, e vazão, Q, da curva característica de uma bomba centrífuga.

Q

[m3/h]

0 40 80 120 160 200

H

[m]

32,5 32 30,5 28 24,5 20

Nessa situação, o gráfico a seguir mostra, corretamente, a vazão resultante da associação em série de duas dessas bombas.

Enunciado 3756924-1

 

Provas

Questão presente nas seguintes provas
3330236 Ano: 2013
Disciplina: Engenharia Mecânica
Banca: CESPE / CEBRASPE
Orgão: UNIPAMPA
Provas:

No que tange aos princípios de funcionamento das máquinas de fluxo, julgue o item a seguir.

Nas bombas de deslocamento positivo, a vazão teórica descarregada de um fluido incompressível pode ser variada somente pela alteração da velocidade do motor de acionamento.

 

Provas

Questão presente nas seguintes provas
3330235 Ano: 2013
Disciplina: Engenharia Mecânica
Banca: CESPE / CEBRASPE
Orgão: UNIPAMPA
Provas:

No que tange aos princípios de funcionamento das máquinas de fluxo, julgue o item a seguir.

Na instalação de bombeamento, esquematizada na figura abaixo, uma turbobomba B faz o bombeamento de água de um tanque T1 a um tanque T2 , a uma vazão volumétrica Q. A tubulação tem diâmetro d e comprimento L e as alturas de sucção e recalque são hS e hR, respectivamente. Considerando essas informações, é correto afirmar que a perda de carga nessa instalação será independente do perfil de velocidade do escoamento, mas estará sujeita à diferença de altura, H = hS + hR , entre os tanques.

Enunciado 3756922-1

 

Provas

Questão presente nas seguintes provas