Foram encontradas 810 questões.
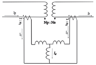
Em transformadores de grande porte, é comum o emprego de
relês diferenciais para a proteção contra falhas internas. O
esquema da figura a seguir mostra um transformador
monofásico com relação de espiras Np:Ns, equipado com 2
transformadores de corrente (TC) que alimentam as bobinas
de um relê diferencial.
O TC do primário possui relação de espiras 1:n1 e o do secundário 1:n2. Quais devem ser os valores de n1 e n2 para que, em condições normais de operação, ou seja, sem falhas internas ao transformador, a corrente diferencial Id seja nula?¬¬
O TC do primário possui relação de espiras 1:n1 e o do secundário 1:n2. Quais devem ser os valores de n1 e n2 para que, em condições normais de operação, ou seja, sem falhas internas ao transformador, a corrente diferencial Id seja nula?¬¬
Provas
Questão presente nas seguintes provas
Os sistemas de proteção contra sobre corrente em sistemas
elétricos de distribuição são projetados para proteger
Provas
Questão presente nas seguintes provas
De acordo com a norma ABNT NBR 5419, um dos modelos
admitidos para o projeto de sistemas de proteção contra
descargas atmosféricas é o método do ângulo de proteção,
também conhecido por método de Franklin. Neste modelo,
determina-se um volume de proteção promovido pelo mastro
do para-raios na forma de
Provas
Questão presente nas seguintes provas
Existem diversos esquemas de aterramento previstos na
norma ABNT NBR 5410. Estes esquemas de aterramento são
identificados por um código de 3 letras. A primeira letra é T se
o sistema de alimentação está diretamente aterrado ou I se o
sistema é isolado ou aterrado por impedância. A segunda letra
é T se as massas estão diretamente aterradas e N se estão
ligadas ao ponto de alimentação onde é feito o aterramento. A
terceira letra é S se os condutores neutro e de proteção são
separados e C se os condutores de neutro e de proteção são
combinados em um único condutor. Assinale a alternativa
correta:
Provas
Questão presente nas seguintes provas
Um sistema fotovoltaico é constituído por 10 módulos
fotovoltaicos conectados em série. Cada módulo possui as
seguintes especificações:
- Potência 400 W
- Tensão de máxima potência 40 V
- Corrente de máxima potência 10 A
- Tensão de circuito aberto 50 V
- Corrente de curto-circuito 11 A
- Eficiência 20%
O inversor mais adequado para este arranjo tem as seguintes especificações:
- Potência 400 W
- Tensão de máxima potência 40 V
- Corrente de máxima potência 10 A
- Tensão de circuito aberto 50 V
- Corrente de curto-circuito 11 A
- Eficiência 20%
O inversor mais adequado para este arranjo tem as seguintes especificações:
Provas
Questão presente nas seguintes provas
A maioria das concessionárias de energia elétrica não permite
partida direta de motores de indução com o objetivo de limitar
a corrente de partida e quedas elevadas de tensão durante o
processo de partida. Um dos métodos para reduzir a corrente
de partida de motores de indução é a chave estrela-triângulo.
Com este método, a corrente de partida é reduzida à
Provas
Questão presente nas seguintes provas
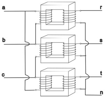
Em transformadores trifásicos, a relação de transformação é
definida pela relação entre a tensão de linha do primário e a
tensão de linha do secundário. Um transformador trifásico foi
construído a partir de 3 transformadores monofásicos,
conforme ilustra a figura a seguir:
No primário temos tensões trifásicas e equilibradas Vab, Vbc, Vca e no secundário as tensões Vrs, Vst, Vtr. Se a relação de transformação de cada transformador monofásico é 1:1, ou seja, possuem o mesmo número de espiras no primário e secundário, então a relação de transformação do banco trifásico é igual a
No primário temos tensões trifásicas e equilibradas Vab, Vbc, Vca e no secundário as tensões Vrs, Vst, Vtr. Se a relação de transformação de cada transformador monofásico é 1:1, ou seja, possuem o mesmo número de espiras no primário e secundário, então a relação de transformação do banco trifásico é igual a
Provas
Questão presente nas seguintes provas
Na conta de fornecimento de energia elétrica de uma
instalação em 220V, o consumidor está sendo onerado pela
demanda de potência de 100KW e consumo de reativos
excedentes. O valor do fator de potência na conta de energia
elétrica é 0,86 ≈ √3/2. Determine a potência do capacitor a ser
instalado que mais se aproxima do valor necessário para
corrigir o fator de potência para 1,0.
Provas
Questão presente nas seguintes provas
De acordo com a norma ABNT NBR 5364, transformadores de
corrente para serviços de proteção devem manter sua classe
de exatidão para correntes de até 20 vezes a corrente nominal
(fator de sobrecorrente=20). Deseja-se instalar um
transformador de corrente para alimentar o sistema de relé de
proteção contra sobrecorrente do primário de um
transformador trifásico de 1500 KVA 13,8KV/220V. Das
análises de curto-circuito, sabe-se que a corrente de curto-circuito no primário é de 3000 A. Qual seria, dentre as opções
abaixo, o transformador de corrente com a menor corrente
nominal primária (IN) e a relação de transformação de corrente
(RTC) para uma corrente nominal de secundário do TC de 5 A
que poderia ser instalado para o serviço de proteção?
Provas
Questão presente nas seguintes provas
Considere a instalação elétrica industrial trifásica em 380 V (tensão de linha), visualizada na figura a seguir, que alimenta uma carga trifásica e uma carga monofásica.

Capacidade de condução de corrente em Amperes
| Seção nominal [mm2] | Capacidade de condução [A] |
|---|---|
| 16 | 56 |
| 25 | 73 |
| 35 | 89 |
| 50 | 108 |
| 70 | 136 |
Qual seria o condutor com menor seção que poderia ser utilizado que respeita o critério de capacidade de condução de corrente?
Provas
Questão presente nas seguintes provas
Cadernos
Caderno Container