Foram encontradas 8.108 questões.
Considere o circuito série-paralelo apresentado na figura a seguir:

O valor da corrente I1 é aproximadamente igual a
Provas
Considere o circuito mostrado na figura a seguir:

O módulo do valor da tensão entre os pontos A e B é aproximadamente igual a
Provas
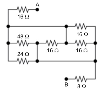
Considere o circuito mostrado na figura a seguir:

O valor da resistência equivalente entre os pontos A e B é aproximadamente igual a
Provas
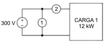
Considere o circuito mostrado na figura a seguir:

Os instrumentos 1 e 2 representados na figura e suas respectivas indicações são:
Provas
Um dispositivo é alimentado por tensão alternada com valor nominal de 220 V, operando com corrente nominal de 20 A e fator de potência unitário. Se o dispositivo permanecer ligado por um período de 20 dias, a energia total consumida será igual a
Provas
Um condutor que apresenta resistência total igual a 15 Ω é submetido a uma diferença de potencial entre suas extremidades de 60 V. A potência elétrica dissipada na forma de calor por esse condutor é de
Provas
Um motor de indução trifásico blindado está instalado em um equipamento industrial e é acionado por uma chave de partida direta manual, conforme o diagrama unifilar mostrado na figura a seguir:

O motor não parte ao ser acionada a chave CH1. Foram medidas as tensões do alimentador (antes dos fusíveis), após os fusíveis (antes de CH1) e após a chave CH1 ligada (terminais do motor), e os valores de tensão encontrados foram os seguintes:

O defeito apresentado pelo equipamento é
Provas
- EletrotécnicaInstalações Elétricas em Eletricidade
- Legislação, Normas e ResoluçõesSegurança do Trabalho
Nesse contexto, assinale a alternativa que NÃO condiz com práticas seguras no manuseio de energia elétrica.
Provas
- EletrotécnicaInstalações Elétricas em Eletricidade
- Legislação, Normas e ResoluçõesSegurança do Trabalho
Diante da situação descrita, analise o trecho a seguir:
O procedimento adequado é a __________ do circuito, com identificação e impedimento de reenergização, antes do início do serviço.
A alternativa que preenche corretamente a lacuna é:
Provas
Considerando o cenário apresentado, o que provavelmente está ocorrendo?
Provas
Caderno Container