Foram encontradas 8.108 questões.
Disciplina: Eletroeletrônica
Banca: CESPE / CEBRASPE
Orgão: SAAE Alagoinhas-BA
Julgue se os itens a seguir constituem precauções que devem ser seguidas durante a realização de pequenos reparos em uma instalação elétrica — como a troca de um disjuntor, por exemplo — visando à proteção contra acidentes relacionados com eletricidade.
Observar se a capacidade, em amperes, do dispositivo a ser reparado ou trocado é adequada.
Provas
Disciplina: Eletroeletrônica
Banca: CESPE / CEBRASPE
Orgão: SAAE Alagoinhas-BA
Julgue se os itens a seguir constituem precauções que devem ser seguidas durante a realização de pequenos reparos em uma instalação elétrica — como a troca de um disjuntor, por exemplo — visando à proteção contra acidentes relacionados com eletricidade.
Desligar o ponto de alimentação da energia no local a ser reparado.
Provas
Disciplina: Eletroeletrônica
Banca: CESPE / CEBRASPE
Orgão: SAAE Alagoinhas-BA
Em uma instalação elétrica o instalador deve saber ler a planta elétrica e ser capaz de executar as instalações de circuitos, manipular componentes elétricos e realizar manutenções corretivas e preventivas. Em todos os casos, ele deve conhecer as ferramentas adequadas para cada tarefa que for chamado a realizar. Entre as ferramentas básicas de que o instalador eletricista deve dispor ao realizar um serviço em uma instalação elétrica incluem-se o(a)
alicate crimpador
Provas
Disciplina: Eletroeletrônica
Banca: CESPE / CEBRASPE
Orgão: SAAE Alagoinhas-BA
Em uma instalação elétrica o instalador deve saber ler a planta elétrica e ser capaz de executar as instalações de circuitos, manipular componentes elétricos e realizar manutenções corretivas e preventivas. Em todos os casos, ele deve conhecer as ferramentas adequadas para cada tarefa que for chamado a realizar. Entre as ferramentas básicas de que o instalador eletricista deve dispor ao realizar um serviço em uma instalação elétrica incluem-se o(a)
alicate de corte diagonal.
Provas
Disciplina: Eletroeletrônica
Banca: CESPE / CEBRASPE
Orgão: SAAE Alagoinhas-BA
Em uma instalação elétrica o instalador deve saber ler a planta elétrica e ser capaz de executar as instalações de circuitos, manipular componentes elétricos e realizar manutenções corretivas e preventivas. Em todos os casos, ele deve conhecer as ferramentas adequadas para cada tarefa que for chamado a realizar. Entre as ferramentas básicas de que o instalador eletricista deve dispor ao realizar um serviço em uma instalação elétrica incluem-se o(a)
chave de fenda.
Provas
Disciplina: Eletroeletrônica
Banca: CESPE / CEBRASPE
Orgão: SAAE Alagoinhas-BA
Em uma instalação elétrica o instalador deve saber ler a planta elétrica e ser capaz de executar as instalações de circuitos, manipular componentes elétricos e realizar manutenções corretivas e preventivas. Em todos os casos, ele deve conhecer as ferramentas adequadas para cada tarefa que for chamado a realizar. Entre as ferramentas básicas de que o instalador eletricista deve dispor ao realizar um serviço em uma instalação elétrica incluem-se o(a)
martelo pneumático.
Provas
Considere as seguintes afirmativas sobre a rede interna.
I) Acima de 280 terminais tefefônicos é necessário que se projete uma sala de distribuição geral.
II) As caixas de distribuição ficam estrategicamente distribuídas na edificação, de forma a otimizar a distribuição dos ramais e terminais telefônicos.
III) Os blocos BLI são colocados na caixa de passagem para efetuar as conexões entre os terminais telefônicos.
IV) Os blocos BLI são empregados nas caixas de distribuição para conectar as centrais de PABX com a rede interna enquanto que os BLA são empregados na caixa de distribuição geral.
V) A rede telefônica pode compartilhar a tubulação elétrica em casos especiais, como na situação em que a tubulação telefônica estiver sob suspeita de umidade.
Quais estão corretas?
Provas

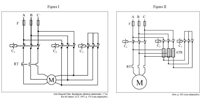
Os motores elétricos de indução, durante a partida, solicitam uma corrente de valor elevado, da ordem de 6 a 10 vezes a sua corrente nominal. Nessas condições, essas sobrecorrentes provocam quedas de tensão nos circuitos de alimentação dos motores, normalmente muito superiores aos limites estabelecidos para o funcionamento em regime normal. Dessa forma, na fase de elaboração de um projeto de acionamento de motores em instalações industriais, como, por exemplo, em acionamento de bombas, em ventiladores e em britadores, deve-se identificar um sistema de partida eficiente para esses motores. Em circuitos sobrecarregados, são usadas, geralmente, chaves estrelatriângulo (Y-)) e chaves compensadoras, ilustradas, respectivamente, nas figuras I e II acima, como forma de suavizar os efeitos da partida dos motores de indução trifásicos. Em relação a essas chaves de partida e com base nas figuras, julgue o item a seguir.
Com a chave de partida estrela-triângulo, durante a partida em estrela do motor de indução, a corrente de partida fica reduzida a \( \dfrac{1}{3} \) do valor que seria obtido com partida direta, enquanto o conjugado de partida reduz-se proporcionalmente ao quadrado da redução da corrente de partida, ou seja, a \( \dfrac{1}{9} \) de seu valor.
Provas
Caderno Container