Foram encontradas 8.143 questões.
3605909
Ano: 2025
Disciplina: Eletroeletrônica
Banca: FUNDATEC
Orgão: Pref. Tangará Serra-MT
Disciplina: Eletroeletrônica
Banca: FUNDATEC
Orgão: Pref. Tangará Serra-MT
Provas:
Considerando o circuito apresentado na Figura 21 abaixo, determine o valor do
capacitor Cx para que a capacitância equivalente seja de 50 µF.


Provas
Questão presente nas seguintes provas
3605905
Ano: 2025
Disciplina: Eletroeletrônica
Banca: FUNDATEC
Orgão: Pref. Tangará Serra-MT
Disciplina: Eletroeletrônica
Banca: FUNDATEC
Orgão: Pref. Tangará Serra-MT
Provas:
Uma luminária, também conhecida tecnicamente como “aparelho de iluminação”, é
um aparelho que distribui, direciona, filtra ou converte a luz emitida por uma ou mais lâmpadas e que
contém todos os dispositivos necessários para fixar e proteger essas lâmpadas e para ligá-las ao
circuito de alimentação. São requisitos básicos de uma luminária, EXCETO:
Provas
Questão presente nas seguintes provas
3605904
Ano: 2025
Disciplina: Eletroeletrônica
Banca: FUNDATEC
Orgão: Pref. Tangará Serra-MT
Disciplina: Eletroeletrônica
Banca: FUNDATEC
Orgão: Pref. Tangará Serra-MT
Provas:
A Figura 18 abaixo exibe os diagramas de força e controle de partida direta de um
motor trifásico.
Enumere os passos abaixo de acordo com a ordem correta de execução de partida do sistema elétrico da Figura 18.
( ) Pressionar o botão B1.
( ) O botão B1 quando pressionado, energiza a contatora KM1.
( ) Ligar disjuntores DJ1 e DJ2.
( ) A contatora KM1 energizada aciona a chave tripla KM1, fechando-as e energizando o motor, que entrará em funcionamento.
A ordem correta de preenchimento dos parênteses, de cima para baixo, é:
Enumere os passos abaixo de acordo com a ordem correta de execução de partida do sistema elétrico da Figura 18.
( ) Pressionar o botão B1.
( ) O botão B1 quando pressionado, energiza a contatora KM1.
( ) Ligar disjuntores DJ1 e DJ2.
( ) A contatora KM1 energizada aciona a chave tripla KM1, fechando-as e energizando o motor, que entrará em funcionamento.
A ordem correta de preenchimento dos parênteses, de cima para baixo, é:
Provas
Questão presente nas seguintes provas
3605902
Ano: 2025
Disciplina: Eletroeletrônica
Banca: FUNDATEC
Orgão: Pref. Tangará Serra-MT
Disciplina: Eletroeletrônica
Banca: FUNDATEC
Orgão: Pref. Tangará Serra-MT
Provas:
Analise o circuito da Figura 17 abaixo, considerando o que segue:
• O circuito encontra-se inicialmente inativo.
• As chaves S1 e S2 presentes no circuito encontram-se inicialmente abertas.
• Considere as tensões e cargas adequadamente dimensionadas.
Com base nas informações apresentadas, analise as assertivas a seguir:
I. Independentemente das situações das chaves S1 e S2, o motor CC não irá funcionar.
II. Enquanto as chaves S1 e S2 permanecerem na situação inicial, o motor CC não irá funcionar.
III. Ao fechar a chave S1, o LED1 acenderá e o motor CC entrará em funcionamento.
IV. Após o fechamento da chave S1, o fechamento da chave S2 somente acenderá o LED2, não interferindo em nada no funcionamento do motor CC.
V. Na situação da chave S1 fechada e chave S2 aberta, a chave S1 poderá ser aberta, pois o motor CC continuará funcionando, no entanto, o LED1 irá apagar.
Quais estão corretas?
• O circuito encontra-se inicialmente inativo.
• As chaves S1 e S2 presentes no circuito encontram-se inicialmente abertas.
• Considere as tensões e cargas adequadamente dimensionadas.
Com base nas informações apresentadas, analise as assertivas a seguir:
I. Independentemente das situações das chaves S1 e S2, o motor CC não irá funcionar.
II. Enquanto as chaves S1 e S2 permanecerem na situação inicial, o motor CC não irá funcionar.
III. Ao fechar a chave S1, o LED1 acenderá e o motor CC entrará em funcionamento.
IV. Após o fechamento da chave S1, o fechamento da chave S2 somente acenderá o LED2, não interferindo em nada no funcionamento do motor CC.
V. Na situação da chave S1 fechada e chave S2 aberta, a chave S1 poderá ser aberta, pois o motor CC continuará funcionando, no entanto, o LED1 irá apagar.
Quais estão corretas?
Provas
Questão presente nas seguintes provas
3605901
Ano: 2025
Disciplina: Eletroeletrônica
Banca: FUNDATEC
Orgão: Pref. Tangará Serra-MT
Disciplina: Eletroeletrônica
Banca: FUNDATEC
Orgão: Pref. Tangará Serra-MT
Provas:
- EletrotécnicaInstalações Elétricas em Eletricidade
- Legislação, Normas e ResoluçõesSegurança do Trabalho
Referente à NR 33 – Segurança e Saúde nos Trabalhos em Espaços Confinados, seção
33.2 – Campo de aplicação, subitem 33.2.2.1, considera-se atmosfera perigosa aquela em que
estejam presentes uma das seguintes condições a seguir, EXCETO:
Provas
Questão presente nas seguintes provas
3605897
Ano: 2025
Disciplina: Eletroeletrônica
Banca: FUNDATEC
Orgão: Pref. Tangará Serra-MT
Disciplina: Eletroeletrônica
Banca: FUNDATEC
Orgão: Pref. Tangará Serra-MT
Provas:
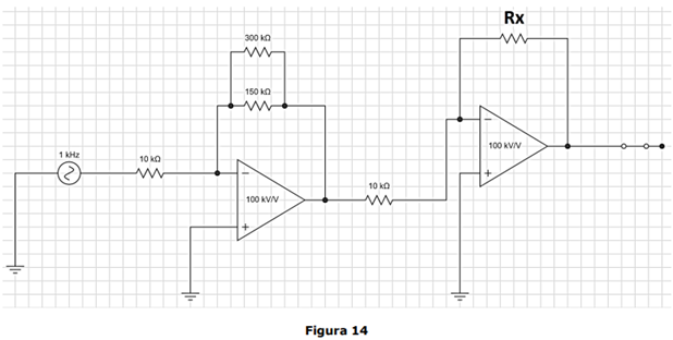
Analise a Figura 14 abaixo e determine o valor de Rx para que a tensão de saída
(Vout) seja de 10 V (Vp: Tensão de Pico). Considere Vin = 100 mV (Vp: Tensão de pico).


Provas
Questão presente nas seguintes provas
3605895
Ano: 2025
Disciplina: Eletroeletrônica
Banca: FUNDATEC
Orgão: Pref. Tangará Serra-MT
Disciplina: Eletroeletrônica
Banca: FUNDATEC
Orgão: Pref. Tangará Serra-MT
Provas:
A Figura 12 abaixo apresenta bobinas e terminais de conexão de um motor trifásico.

Assinale a alternativa que apresenta corretamente as conexões para uma configuração em estrela e em triângulo, respectivamente.
Provas
Questão presente nas seguintes provas
3605894
Ano: 2025
Disciplina: Eletroeletrônica
Banca: FUNDATEC
Orgão: Pref. Tangará Serra-MT
Disciplina: Eletroeletrônica
Banca: FUNDATEC
Orgão: Pref. Tangará Serra-MT
Provas:
- EletrotécnicaInstalações Elétricas em Eletricidade
- Legislação, Normas e ResoluçõesSegurança do Trabalho
As instalações telefônicas em edifícios seguem normas e nomenclatura específica.
Assinale a alternativa INCORRETA em relação à definição apresentada à nomenclatura.
Provas
Questão presente nas seguintes provas
3605893
Ano: 2025
Disciplina: Eletroeletrônica
Banca: FUNDATEC
Orgão: Pref. Tangará Serra-MT
Disciplina: Eletroeletrônica
Banca: FUNDATEC
Orgão: Pref. Tangará Serra-MT
Provas:
A Figura 11 apresenta uma típica configuração de driver de corrente paraacionamento de motores CC.Observações:
• Transistor do tipo Darlington com hfe 1.000 que suporta correntes de coletor e emissor na faixa de5 A.
• Motor CC com corrente de partida de 2 A.
Considerando o funcionamento do circuito e as informações apresentadas, assinale a alternativa correta.
• Transistor do tipo Darlington com hfe 1.000 que suporta correntes de coletor e emissor na faixa de5 A.
• Motor CC com corrente de partida de 2 A.
Considerando o funcionamento do circuito e as informações apresentadas, assinale a alternativa correta.
Provas
Questão presente nas seguintes provas
3605892
Ano: 2025
Disciplina: Eletroeletrônica
Banca: FUNDATEC
Orgão: Pref. Tangará Serra-MT
Disciplina: Eletroeletrônica
Banca: FUNDATEC
Orgão: Pref. Tangará Serra-MT
Provas:
Assinale a alternativa que apresenta o correto ajuste do multímetro da Figura 10b
para realizar a medida de tensão nos pontos A e B do circuito exibido na Figura 10a.
Fonte: CA – 127 V, 60 Hz.
Fonte: CA – 127 V, 60 Hz.

Provas
Questão presente nas seguintes provas
Cadernos
Caderno Container