Foram encontradas 8.143 questões.
3605880
Ano: 2025
Disciplina: Eletroeletrônica
Banca: FUNDATEC
Orgão: Pref. Tangará Serra-MT
Disciplina: Eletroeletrônica
Banca: FUNDATEC
Orgão: Pref. Tangará Serra-MT
Provas:
- EletrotécnicaInstalações Elétricas em Eletricidade
- Legislação, Normas e ResoluçõesSegurança do Trabalho
De acordo com o item 7.51 da Agenda 21, uma abordagem abrangente da questão
do desenvolvimento dos assentamentos humanos deve incluir a promoção do desenvolvimento de
energia sustentável em todos os países. São orientações propostas aos países em desenvolvimento:
I. Formular programas nacionais de ação para promover o desenvolvimento integrado de tecnologias de economia de energia e de utilização de fontes renováveis de energia, em especial fontes de energia solar, hidráulica, eólica e de biomassa.
II. Promover uma ampla disseminação e comercialização das tecnologias de fontes renováveis de energia, por meio de medidas adequadas como, entre outras, mecanismos tributários e de transferência de tecnologia.
III. Promover o aumento da geração de energia através da implantação de mais usinas nucleares e termoelétricas.
IV. Implementar programas de informação e treinamento destinados a fabricantes e usuários, com o objetivo de promover técnicas que economizem energia e artigos que utilizem energia de forma eficaz.
Quais estão INCORRETAS?
I. Formular programas nacionais de ação para promover o desenvolvimento integrado de tecnologias de economia de energia e de utilização de fontes renováveis de energia, em especial fontes de energia solar, hidráulica, eólica e de biomassa.
II. Promover uma ampla disseminação e comercialização das tecnologias de fontes renováveis de energia, por meio de medidas adequadas como, entre outras, mecanismos tributários e de transferência de tecnologia.
III. Promover o aumento da geração de energia através da implantação de mais usinas nucleares e termoelétricas.
IV. Implementar programas de informação e treinamento destinados a fabricantes e usuários, com o objetivo de promover técnicas que economizem energia e artigos que utilizem energia de forma eficaz.
Quais estão INCORRETAS?
Provas
Questão presente nas seguintes provas
3605879
Ano: 2025
Disciplina: Eletroeletrônica
Banca: FUNDATEC
Orgão: Pref. Tangará Serra-MT
Disciplina: Eletroeletrônica
Banca: FUNDATEC
Orgão: Pref. Tangará Serra-MT
Provas:
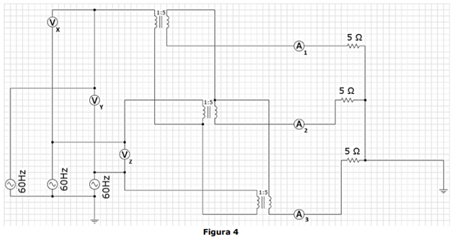
Analise o diagrama elétrico apresentado na Figura 4 e as informações apresentadasabaixo:
• Tensão de fase: 100 V.
• Relação de espiras 1:5
Com base no exposto, determine a configuração de ligação do transformador trifásico, a leitura do Voltímetro VY e a corrente no Amperímetro A1, respectivamente.
• Tensão de fase: 100 V.
• Relação de espiras 1:5
Com base no exposto, determine a configuração de ligação do transformador trifásico, a leitura do Voltímetro VY e a corrente no Amperímetro A1, respectivamente.
Provas
Questão presente nas seguintes provas
3605878
Ano: 2025
Disciplina: Eletroeletrônica
Banca: FUNDATEC
Orgão: Pref. Tangará Serra-MT
Disciplina: Eletroeletrônica
Banca: FUNDATEC
Orgão: Pref. Tangará Serra-MT
Provas:
A Figura 3 abaixo apresenta um extrato da tabela de correção do fator de potência
que será empregada em uma instalação com carga de 300 kW e cujo Fator de Potência (FP) medido
é de 77%.
Qual é o valor da carga reativa necessária para ajustar o FP para 95%?
Qual é o valor da carga reativa necessária para ajustar o FP para 95%?
Provas
Questão presente nas seguintes provas
3605877
Ano: 2025
Disciplina: Eletroeletrônica
Banca: FUNDATEC
Orgão: Pref. Tangará Serra-MT
Disciplina: Eletroeletrônica
Banca: FUNDATEC
Orgão: Pref. Tangará Serra-MT
Provas:
Sobre máquinas elétricas, relacione Coluna 1 à Coluna 2, associando cada
equipamento às suas respectivas descrições.
Coluna 1
1. Máquina (elétrica) girante.
2. Máquina assíncrona (ou máquina de indução).
3. Máquina de corrente contínua (com comutador).
4. Máquina síncrona.
5. Motor elétrico.
6. Motor de indução.
7. Motor universal.
Coluna 2
( ) Equipamento elétrico que utiliza a indução eletromagnética para seu funcionamento, constituído por componentes capazes de efetuar um movimento relativo de rotação e destinado à conversão eletromecânica de energia.
( ) Máquina de corrente alternada na qual a frequência da tensão induzida e a velocidade estão em uma razão constante. A velocidade do rotor é constante.
( ) Motor que pode funcionar com corrente contínua ou com corrente alternada monofásica nas frequências usuais dos sistemas de distribuição de energia elétrica.
( ) Máquina que converte energia elétrica em energia mecânica de rotação no seu eixo.
( ) Máquina de corrente alternada na qual a velocidade da carga e a frequência do sistema ao qual está ligada não estão em uma razão constante.
( ) Máquina de indução que funciona como motor.
( ) Máquina constituída por uma armadora, um comutador a ela ligado e polos magnéticos excitados por uma fonte de corrente contínua ou constituídos por ímãs permanentes.
A ordem correta de preenchimento dos parênteses, de cima para baixo, é:
Coluna 1
1. Máquina (elétrica) girante.
2. Máquina assíncrona (ou máquina de indução).
3. Máquina de corrente contínua (com comutador).
4. Máquina síncrona.
5. Motor elétrico.
6. Motor de indução.
7. Motor universal.
Coluna 2
( ) Equipamento elétrico que utiliza a indução eletromagnética para seu funcionamento, constituído por componentes capazes de efetuar um movimento relativo de rotação e destinado à conversão eletromecânica de energia.
( ) Máquina de corrente alternada na qual a frequência da tensão induzida e a velocidade estão em uma razão constante. A velocidade do rotor é constante.
( ) Motor que pode funcionar com corrente contínua ou com corrente alternada monofásica nas frequências usuais dos sistemas de distribuição de energia elétrica.
( ) Máquina que converte energia elétrica em energia mecânica de rotação no seu eixo.
( ) Máquina de corrente alternada na qual a velocidade da carga e a frequência do sistema ao qual está ligada não estão em uma razão constante.
( ) Máquina de indução que funciona como motor.
( ) Máquina constituída por uma armadora, um comutador a ela ligado e polos magnéticos excitados por uma fonte de corrente contínua ou constituídos por ímãs permanentes.
A ordem correta de preenchimento dos parênteses, de cima para baixo, é:
Provas
Questão presente nas seguintes provas
3605876
Ano: 2025
Disciplina: Eletroeletrônica
Banca: FUNDATEC
Orgão: Pref. Tangará Serra-MT
Disciplina: Eletroeletrônica
Banca: FUNDATEC
Orgão: Pref. Tangará Serra-MT
Provas:
Considerando a NR 33 – Segurança e Saúde nos Trabalhos em Espaços Confinados,
Seção 33.3 – Responsabilidades, subitem 33.3.5, que menciona o que compete aos trabalhadores
autorizados, assinale a alternativa cujo texto NÃO faz parte do referido subitem.
Provas
Questão presente nas seguintes provas
3605875
Ano: 2025
Disciplina: Eletroeletrônica
Banca: FUNDATEC
Orgão: Pref. Tangará Serra-MT
Disciplina: Eletroeletrônica
Banca: FUNDATEC
Orgão: Pref. Tangará Serra-MT
Provas:
Conhecer as condições de fornecimento de energia elétrica no Brasil é de fundamental
importância para o adequado exercício das funções pertinentes ao engenheiro eletricista. Sobre as
características do sistema elétrico brasileiro, analise as assertivas abaixo:
I. A matriz energética brasileira é composta basicamente por fontes não renováveis.
II. O Sistema Interligado Nacional (SIN) é o sistema principal do país, composto por empresas das regiões Norte, Nordeste, Centro-Oeste, Sudeste e Sul. O SIN é formado por usinas, linhas de transmissão e ativos de distribuição.
III. O Brasil possui um extenso sistema de transmissão, com mais de 145 mil quilômetros de extensão.
IV. Os consumidores devem manter um fator de potência mínimo de 0,92, indutivo ou capacitivo.
V. Existem três tipos de fornecimento elétrico: monofásico, bifásico e tetrafásico.
Quais estão INCORRETAS?
I. A matriz energética brasileira é composta basicamente por fontes não renováveis.
II. O Sistema Interligado Nacional (SIN) é o sistema principal do país, composto por empresas das regiões Norte, Nordeste, Centro-Oeste, Sudeste e Sul. O SIN é formado por usinas, linhas de transmissão e ativos de distribuição.
III. O Brasil possui um extenso sistema de transmissão, com mais de 145 mil quilômetros de extensão.
IV. Os consumidores devem manter um fator de potência mínimo de 0,92, indutivo ou capacitivo.
V. Existem três tipos de fornecimento elétrico: monofásico, bifásico e tetrafásico.
Quais estão INCORRETAS?
Provas
Questão presente nas seguintes provas
3605874
Ano: 2025
Disciplina: Eletroeletrônica
Banca: FUNDATEC
Orgão: Pref. Tangará Serra-MT
Disciplina: Eletroeletrônica
Banca: FUNDATEC
Orgão: Pref. Tangará Serra-MT
Provas:
Sobre o diagrama unifilar apresentado na Figura 2 abaixo, assinale a alternativa INCORRETA.

Provas
Questão presente nas seguintes provas
3605873
Ano: 2025
Disciplina: Eletroeletrônica
Banca: FUNDATEC
Orgão: Pref. Tangará Serra-MT
Disciplina: Eletroeletrônica
Banca: FUNDATEC
Orgão: Pref. Tangará Serra-MT
Provas:
Assinale a alternativa que corresponde à tabela-verdade do circuito digital apresentado na Figura 1 abaixo.

Figura 1
Provas
Questão presente nas seguintes provas
3605872
Ano: 2025
Disciplina: Eletroeletrônica
Banca: FUNDATEC
Orgão: Pref. Tangará Serra-MT
Disciplina: Eletroeletrônica
Banca: FUNDATEC
Orgão: Pref. Tangará Serra-MT
Provas:
Considerando a Norma Reguladora (NR) 10 – Segurança em Instalações e Serviços
em eletricidade, Seção 10.2 – Medidas de Controle, assinale alternativa cujo texto NÃO está
mencionado na referida seção.
Provas
Questão presente nas seguintes provas
3597655
Ano: 2025
Disciplina: Eletroeletrônica
Banca: PS Concursos
Orgão: Pref. Jacinto Machado-SC
Disciplina: Eletroeletrônica
Banca: PS Concursos
Orgão: Pref. Jacinto Machado-SC
Provas:
Qual das alternativas abaixo NÃO está correta
em relação aos materiais condutores, isolantes e
resistores?
Provas
Questão presente nas seguintes provas
Cadernos
Caderno Container