Foram encontradas 8.146 questões.
Utilize as figuras a seguir para responder a questão.
As figuras 1 e 2 são, respectivamente, o diagrama de força e o diagrama de comando de um sistema de partida de um motor de indução trifásico.

Figura 1: CREDER, Hélio. Instalações elétricas. 14. ed. Rio de Janeiro: LTC, 2000. p. 246. Figura 2: CREDER, Hélio. Instalações elétricas. 14. ed. Rio de Janeiro: LTC, 2000. p. 246.
O tipo de partida representado pelas figuras é a partida
Provas
A Figura abaixo mostra o circuito de comando utilizado para acionamento de um motor de indução trifásico pelo método chave estrela-triângulo, onde Cestrela, CON e Cdelta são as bobinas das contatoras do circuito.
Considere que
\( \bullet \) \( C_{estrela_{NA}} \), \( C_{estrela_{NF}} \), \( C_{ON_{NA}} \) e \( C_{delta_{NF}} \) são os contatos normalmente abertos (NA) e normalmente fechados (NF) das contatoras;
\( \bullet \) RT1 é um relé temporizador e \( RT_{1_{NF}} \) é seu contato normalmente fechado;
\( \bullet \) BON e BOFF são as botoeiras que permitem o acionamento e o desligamento do circuito, respectivamente.

A função do contato normalmente aberto da contatora CON é
Provas
O avanço tecnológico das chaves eletrônicas permitiu a utilização de dispositivos que se destinam a controlar a partida dos motores de indução. Um desses dispositivos é o soft-starter que controla a partida de um motor alterando a tensão de alimentação desse motor durante o período de partida.
Considere a tensão de entrada senoidal e de amplitude e frequência constantes, à qual está conectado um circuito composto por um soft-starter em cada fase, que aciona um motor de indução trifásico ligado em estrela e que está programado para suavizar a partida do motor.
Qual é a forma de onda da tensão entre o terminal de uma fase e o neutro do motor controlado pelo soft-starter durante o momento de sua partida?
Provas
As figuras abaixo apresentam a corrente eficaz no motor em função da velocidade mecânica, utilizando diferentes técnicas de partida do motor. Com base nas figuras determine quais são as técnicas de partidas utilizadas.

Provas
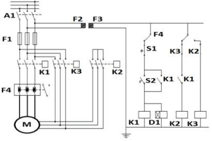
Um motor de indução trifásico possui seis terminais acessíveis e por consequência apresenta duas tensões possíveis de operação 220 V e 380 V. A figura ao lado mostra um circuito para acionamento desse motor composto por três contatores K1, K2 e K3 e alguns dispositivos de proteção. Com base na figura e nas informações apresentadas considere se as seguintes afirmativas são verdadeiras(V) ou falsas(F):

( ) O motor será utilizado numa região onde a tensão de linha do sistema trifásico é de 220 V. Para acionar esse motor com a partida direta, os contatores K1 e K2 devem ser acionados.
( ) O motor será utilizado numa região onde a tensão de linha do sistema trifásico é de 220 V. Para acionar esse motor utilizando a técnica de partida Estrela-Triângulo, os contatores devem ser acionados na seguinte sequência: inicialmente os contatores K1 e K3 devem fechar, depois de transcorrido certo tempo, o contator K3 deve fechar e logo após o fechamento de K3 o contator K2 deve abrir.
( ) O motor será utilizado numa região onde a tensão de linha do sistema trifásico é de 380 V. Para acionar esse motor com a partida direta os contatores K1 e K3 devem ser acionados.
( ) O motor será utilizado numa região onde a tensão de linha do sistema trifásico é de 380 V. Nessa região não é possível utilizar a técnica de partida Estrela-Triângulo para o motor de indução trifásico caracterizado no enunciado.
Assinale a alternativa que apresenta a sequência correta, de cima para baixo.
Provas
A figura a seguir indica os diversos componentes dos circuitos dos motores. Com base nos circuitos de alimentação, acionamento e proteção dos motores analise as afirmativas abaixo:

1. O dispositivo de proteção do circuito terminal tem a função de proteger os condutores do circuito terminal, o dispositivo de comando e o motor contra correntes de curto-circuito.
2. O dispositivo de seccionamento destina-se a desligar do circuito terminal o dispositivo de comando e o motor; geralmente são utilizados seccionadores, interruptores ou dispositivos atuando sobre contatores e que possam ser travados na posição aberto.
3. O dispositivo de comando tem como finalidade principal partir e parar o motor, via de regra, um contator.
4. O dispositivo de proteção do motor contra correntes de sobrecarga é destinado a proteger o motor contra correntes de sobrecarga.
Assinale a alternativa correta.
Provas

Considerando as ferramentas apresentadas, aplicadas aos serviços em instalações elétricas, assinale a alternativa que corresponde, respectivamente, à ordem em que elas aparecem.
Provas
Considere o diagrama de força para partida de motores usando a chave estrela-triângulo, apresentado ao lado.

A respeito desse diagrama, considere as seguintes afirmativas:
1. No instante da partida do motor, somente as chaves contatoras K1 e K3 são energizadas.
2. Após chaveamento da ligação estrela para triângulo, somente as chaves contatoras K1 e K2 estarão energizadas.
3. No regime permanente de operação, somente as chaves contatoras K1 e K3 estarão energizadas.
4. A chave K2 está conectada incorretamente, considerando o esquema estrela-triângulo.
Assinale a alternativa correta.
Provas
Assinale a alternativa que apresenta a unidade de medida da condutância elétrica no sistema internacional.
Provas
O modelo de partida do motor de indução M.

Provas
Caderno Container