Foram encontradas 41.164 questões.
Acerca das propriedades e das características dos materiais condutores, isolantes e magnéticos, julgue os próximos itens.
A faixa de esgotamento dos semicondutores do tipo \( n \) pode ser definida como uma faixa de temperaturas em que não há alteração significativa da condutividade do semicondutor.
Provas
Acerca das propriedades e das características dos materiais condutores, isolantes e magnéticos, julgue os próximos itens.
A condutividade dos semicondutores intrínsecos diminui com o aumento da temperatura.
Provas
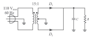
A fonte de alimentação implementada pelo circuito a seguir utiliza um transformador com secundário de tomada central e razão de transformação de 15:1 entre o primário e cada metade do secundário (da tomada central até uma das extremidades), o que resulta em uma razão de 7,5:1 entre o primário e a tensão total entre as extremidades do secundário. Oenrolamento primário recebe uma tensão alternada de 110 VRMS/60 Hz. O circuito conta com dois diodos retificadores comuns (D1 e D2), com queda típica de 0,7 V em condução, um capacitor de filtragem de 1.000 \( \mu \)F e um resistor de carga de 100 Ω.

A partir dessas informações, julgue o item seguinte.
A tensão média sobre o resistor de carga R é maior que 11 V.
Provas

Considerando que todos os componentes usados no circuito precedente são ideais, julgue os itens subsequentes.
O circuito funciona como um filtro passa-alta de primeira ordem, com frequência de corte igual a \( \dfrac{1}{2\pi R_{2}.C} \) Hz.
Provas
Considerando que determinado processo dinâmico tem como a função de transferência \(G(s) = \dfrac{200}{(s+1)(s+10)(s+20)}\) julgue os itens subsequentes.
A partir da análise da resposta em frequência, infere-se que a contribuição de fase (ângulo) do processo G(s) na frequência de \( \dfrac{500}{\pi} \) Hz vale aproximadamente -270º.
Provas
Acerca de conceitos relacionados a eletromagnetismo, julgue os itens a seguir.
Em uma onda eletromagnética plana e uniforme, os vetores de intensidade de campo magnético e de campo elétrico variam apenas com o tempo.
Provas
Acerca de conceitos relacionados a eletromagnetismo, julgue os itens a seguir.
Para campos elétricos na fronteira entre dois meios dielétricos diferentes, os potenciais elétricos em dois pontos adjacentes e em lados opostos da fronteira devem ser iguais.
Provas
Acerca de conceitos relacionados a eletromagnetismo, julgue os itens a seguir.
Os campos eletrostáticos são conservativos.
Provas
No circuito a seguir, a frequência da fonte de excitação é ω rad/s, as capacitâncias e indutâncias têm valores diferentes entre si (L1 ≠ L2, e C1 ≠ C2) e as variáveis relativas à tensão e à corrente são indicadas na forma fasorial.

A partir das informações fornecidas, julgue os itens que se seguem.
Considerando o circuito como um quadripolo e assumindo que Vi é a tensão de entrada, o módulo da admitância de entrada de curto-circuito tende a um valor nulo para ω2 = \( \dfrac{1}{L_{2.}C_{1}} \).
Provas
No circuito a seguir, a frequência da fonte de excitação é ω rad/s, as capacitâncias e indutâncias têm valores diferentes entre si (L1 ≠ L2, e C1 ≠ C2) e as variáveis relativas à tensão e à corrente são indicadas na forma fasorial.

A partir das informações fornecidas, julgue os itens que se seguem.
A tensão de saída V0, está adiantada em 90º em relação à corrente I2.
Provas
Caderno Container