Foram encontradas 41.164 questões.
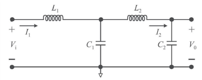
No circuito a seguir, a frequência da fonte de excitação é ω rad/s, as capacitâncias e indutâncias têm valores diferentes entre si (L1 ≠ L2, e C1 ≠ C2) e as variáveis relativas à tensão e à corrente são indicadas na forma fasorial.

A partir das informações fornecidas, julgue os itens que se seguem.
Para ω2 = \( \dfrac{1}{L_{1.}C_{1}} \) à corrente I1, estará atrasada em 90º em relação à tensão de entrada V1.
Provas

Com base no circuito precedente, julgue os próximos itens.
Conforme o método de análise nodal, a tensão entre o nó B e o nó de referência é 100 V.
Provas
Observe a imagem a seguir:

A respeito da imagem apresentada, a cor vermelha indica que o ponto de energia é
Provas
Provas
Um transmissor indicador de temperatura foi recentemente instalado para monitorar a temperatura em um reservatório químico. Durante a calibração inicial, o técnico da Empresa de Saneamento de Mato Grosso do Sul (Sanesul) observou que o indicador apresentava a temperatura do fluido do tanque como 77 ºF. Assinale a alternativa que apresenta a equivalente dessa temperatura em graus Celsius.
Provas
Em um reservatório, foi observada a existência de um indicador de nível a partir de uma régua externa graduada para verificação do nível, representando o volume atual do reservatório. Nesse contexto, é correto considerar que
Provas
Uma bomba com motor trifásico foi instalada com o objetivo de realizar a transferência entre dois reservatórios de abastecimento de água. Para garantir uma operação que varie a velocidade de transferência do fluido, de acordo com o pico de consumo de um do reservatório a jusante, qual função de controle pode ser utilizada no inversor de frequência?
Provas
Em uma estação de tratamento de efluentes, um medidor de vazão ultrassônico é utilizado para medir a vazão de um líquido em uma tubulação. Esse medidor opera com base no Efeito Doppler. Assinale a alternativa que apresenta como esse efeito é aplicado no contexto do medidor de vazão ultrassônico.
Provas
Em uma estação de bombeamento de água, um transmissor de nível é utilizado para monitorar o reservatório. Quando o nível de água atinge o ponto mínimo seguro, o transmissor envia um sinal ao Controlador Lógico Programável (CLP). O CLP, ao receber esse sinal, ativa um contator no painel de controle para iniciar o motor que bombeia água de um poço para o reservatório. Esse arranjo específico caracteriza qual tipo de partida do motor?
Provas
A norma IEC 60034-11 relaciona a necessidade de monitoramento de temperatura das fases de motores elétricos utilizados em processos críticos, como nos sistemas de saneamento e tratamento de efluentes. Esse monitoramento tem como principal objetivo
Provas
Caderno Container