Foram encontradas 41.307 questões.
Disciplina: Engenharia Elétrica
Banca: FEPESE
Orgão: Pref. Balneário Camboriú-SC
Provas
Disciplina: Engenharia Elétrica
Banca: FEPESE
Orgão: Pref. Balneário Camboriú-SC
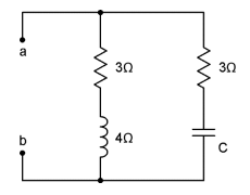
Considere o circuito da figura abaixo para responder à questão.

Neste caso considere que a capacitor possua uma reatância capacitiva três vezes maior do que o valor dos resistores do circuito.
Provas
Disciplina: Engenharia Elétrica
Banca: FEPESE
Orgão: Pref. Balneário Camboriú-SC
Considere o circuito da figura abaixo para responder à questão.

Considerando que uma fonte de tensão alternada senoidal com frequência de 60 Hz seja colocada entre os pontos a e b da fIgura 2, qual deverá ser o valor da capacitância do capacitor para que a corrente da fonte esteja em fase com a tensão?
Provas
Disciplina: Engenharia Elétrica
Banca: FEPESE
Orgão: Pref. Balneário Camboriú-SC
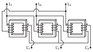
Em um dado sistema foram utilizados três transformadores monofásicos para formar uma configuração trifásica.

Fonte: Máquinas elétricas e acionamento / Edson Bim. - Rio de Janeiro: Elsevier, 2018.
Considerando L1, L2 e L3 como as entradas do primário e L’1, L’2 e L’3 são as saídas do secundário, qual a configuração de ligação do primário e secundário, respectivamente?
Provas
Disciplina: Engenharia Elétrica
Banca: FEPESE
Orgão: Pref. Balneário Camboriú-SC
Na figura abaixo, é mostrada uma representação de um modelo simplificado de transformadores monofásicos.

Considerando o modelo mostrado na figura, assinale a alternativa que indica corretamente a representação física da potência ativa no elemento Rm.
Provas
Disciplina: Engenharia Elétrica
Banca: FEPESE
Orgão: Pref. Balneário Camboriú-SC
Provas
Disciplina: Engenharia Elétrica
Banca: FEPESE
Orgão: Pref. Balneário Camboriú-SC
Responda à questão de acordo com a figura abaixo.
Considere que os valores das resistências estão na unidade ohm (Ω).

Provas
Disciplina: Engenharia Elétrica
Banca: FEPESE
Orgão: Pref. Balneário Camboriú-SC
Responda à questão de acordo com a figura abaixo.
Considere que os valores das resistências estão na unidade ohm (Ω).

A figura 1 mostra um circuito elétrico com uma fonte de tensão contínua de 100 V e uma fonte de corrente contínua de 5 A.
Qual a tensão entre os terminais a e b?
Provas
Conforme a Lei Municipal nº 11.022/2014 (Plano Diretor de Sorocaba), é uma diretriz relacionada ao consumo de energia e à iluminação pública
Provas
De acordo com a norma GED 2855 da CPFL, a potência máxima de um posto de transformação com transformador ao tempo e medição em tensão secundária, instalado em poste singelo ou em plataforma e locado na propriedade do interessado, é de
Provas
Caderno Container