Foram encontradas 41.307 questões.
Segundo a NBR 14565:2019, sobre a perda de retorno de hardware de conexão para fibra óptica, analise a tabela abaixo e assinale V, se verdadeiro, ou F, se falso.
|
Características ópticas |
Atenuação máxima (dB) |
|
|---|---|---|
|
( ) |
Multimodo |
20 |
|
( ) |
Monomodo PC |
15 |
|
( ) |
Monomodo APC |
60 |
A ordem correta de preenchimento dos parênteses, de cima para baixo, é:
Provas
O esquema TN possui um ponto da alimentação diretamente aterrado, sendo as massas ligadas a esse ponto através de condutores de proteção. São consideradas algumas variantes de esquema TN, de acordo com a disposição do condutor neutro e do condutor de proteção. Sendo assim, o esquema da Figura 7 abaixo, refere-se a:

Figura 7
I. Esquema TN-S.
II. Esquema TN-C-S.
III. Esquema TN-C.
Quais estão corretas?
Provas
Segundo a NBR 5410, assinale a alternativa que apresenta, correta e respectivamente, o significado das Imagens A, B e C abaixo.

Provas
Efeito pelicular é um parâmetro elétrico que ocorre com a corrente elétrica dentro de um cabo coaxial à medida que a frequência varia. Sendo assim, à medida que a frequência , a corrente se desloca para do condutor e a atenuação do cabo .
Assinale a alternativa que preenche, correta e respectivamente, as lacunas do trecho acima.
Provas
Disciplina: Engenharia Elétrica
Banca: FEPESE
Orgão: Pref. Balneário Camboriú-SC
Analise as afirmativas abaixo sobre as prescrições básicas contra as correntes de curto-circuito nas instalações elétricas.
1. Os dispositivos de proteção devem ter sua capacidade de interrupção inferior ao valor da corrente de curto-circuito presumida no ponto de sua instalação.
2. A energia que os dispositivos de proteção contra curtos-circuitos devem suportar não pode ser superior à energia máxima suportada pelos dispositivos e condutores localizados a jusante.
3. O dispositivo de proteção deve ser localizado no ponto em que haja mudança no circuito que provoque redução na capacidade de condução de corrente dos condutores.
Assinale a alternativa que indica todas as afirmativas corretas.
Provas
Disciplina: Engenharia Elétrica
Banca: FEPESE
Orgão: Pref. Balneário Camboriú-SC
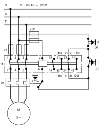
Seja o circuito de segurança mostrado na figura abaixo:

Fonte: Instalações elétricas / Hélio Creder ; Rio de Janeiro : LTC, 2022.
Assinale a alternativa correta em relação ao circuito apresentado.
Provas
Disciplina: Engenharia Elétrica
Banca: FEPESE
Orgão: Pref. Balneário Camboriú-SC
Responda à questão com relação à figura abaixo:

Fonte: Instalações elétricas / Hélio Creder ; Rio de Janeiro : LTC, 2022.
Provas
Disciplina: Engenharia Elétrica
Banca: FEPESE
Orgão: Pref. Balneário Camboriú-SC
Responda à questão com relação à figura abaixo:

Fonte: Instalações elétricas / Hélio Creder ; Rio de Janeiro : LTC, 2022.
Provas
Disciplina: Engenharia Elétrica
Banca: FEPESE
Orgão: Pref. Balneário Camboriú-SC
A figura abaixo mostra a relação entre velocidade do motor (ωm) e o torque eletromecânico (Tem) de um motor de corrente contínua.

Analise as afirmativas abaixo em relação à figura.
1. Abaixo da velocidade nominal, para manter o torque constante o fluxo de campo e a corrente de armadura são mantidos em seus valores nominais. O controle da velocidade é realizado pela variação da tensão de armadura.
2. Acima da velocidade nominal, o fluxo de campo deve ser reduzido com o aumento da velocidade do motor. A corrente de armadura é mantida em seu valor nominal.
3. Não é possível manter o torque nominal após a velocidade nominal do motor
Assinale a alternativa que indica todas as afirmativas corretas.
Provas
Disciplina: Engenharia Elétrica
Banca: FEPESE
Orgão: Pref. Balneário Camboriú-SC
Provas
Caderno Container