Foram encontradas 41.164 questões.
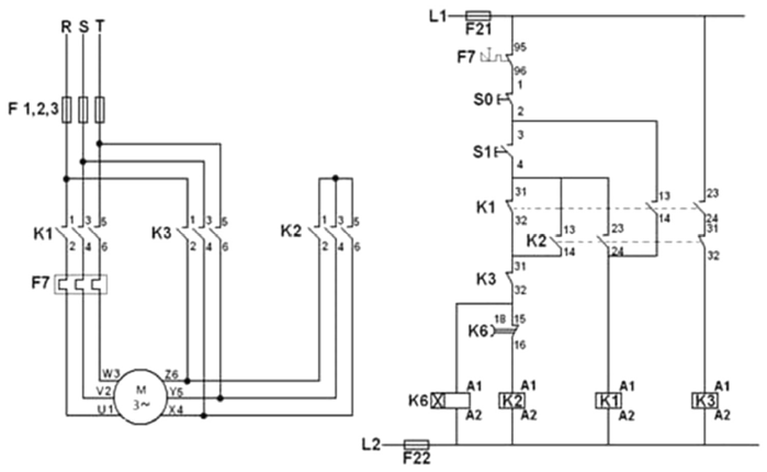
Veja a figura a seguir.

Disponível em <https://www.sabereletrica.com.br/partida-direta-e-indireta/>. Acesso em: 09 set. 2022.
A figura representa um sistema de partida de motor de indução trifásico. A partida do motor é realizada pressionando-se a botoeira S1. Ao tentar partir o motor, o operador acionou a botoeira S1, porém, o motor não partiu e se manteve vibrando e emitindo um ruído de vibração semelhante ao zumbido de abelhas. Dentre as opções a seguir, qual delas é a causa compatível com o comportamento descrito?
Provas
Na representação gráfica de elementos da engenharia elétrica em um projeto, as vias de transmissão e condução de sinais, comunicações ou potência costumam ser frequentes, com múltiplas ligações, entre múltiplas entidades ou componentes. Para simplificação dessa representação, os diagramas costumam utilizar recursos, dependendo do tipo de contexto, para racionalizar a exibição dessas ligações. Por exemplo, são usados diagramas unifilares e, eventualmente, trifilares no contexto da representação de
Provas
O sistema público de iluminação em um pavilhão de eventos foi afetado por um acidente com um guindaste que fazia um içamento sobre a rede elétrica, fato que ocasionou sobretensões no sistema elétrico do pavilhão, resultando na queima de 25,0 [%] de todas as lâmpadas do recinto. Para o imediato reparo do sistema, deve-se fazer uma manutenção
Provas
Os estudos e o projeto detalhado de um alimentador trifásico, responsável por energizar um conjunto de várias cargas em uma instalação, resulta em uma potência total instalada de 2,0 [MVA], distribuída em 4 conjuntos iguais de cargas. No local de instalação de cada conjunto, são usados transformadores trifásicos para rebaixar a tensão do alimentador para o nível de tensão das cargas. O estudo também prevê um aumento de demanda de, no mínimo, 20,0 [%] durante o tempo de vida da instalação. Após cotações no mercado, foram recebidas várias ofertas de fornecedores para esse sistema de distribuição para compatibilizar os requisitos do projeto com a disponibilidade de equipamentos no mercado. Considerando a melhor adequação ao projeto detalhado, o melhor custo e a melhor preservação da vida útil dos equipamentos, a melhor oferta é o fornecimento de
Provas
No arranjo de um cronograma físico-financeiro para um empreendimento de engenharia, 24,0 [%] do valor total orçado deve ser gasto na etapa de projeto detalhado, 40,0 [%] será aplicado na etapa de mobilização de materiais e equipamentos, 30,0 [%] na etapa de desenvolvimento e implantação e 6,0 [%] na etapa de comissionamento e entrega. A etapa de projeto detalhado tem duração de 8 meses após o início do empreendimento; a etapa de compra de materiais inicia-se no começo do mês 5 e tem duração de 10 meses; a implantação inicia-se no começo do mês 10 e tem duração de 10 meses; e a etapa de entrega tem início no começo do mês 19, com duração de 2 meses. A duração total do empreendimento e o cronograma de desembolsos que atende ao fluxo de caixa é, respectivamente, de
Provas
Devido às restrições impostas por uma pandemia recente, vários sistemas de insuflamento de ar devem ser instalados em laboratórios de ensino e salas de aula nas escolas de um município. Em uma sala específica, para atender ao volume de ar do recinto e à taxa de renovação necessária para obedecer os requisitos sanitários vigentes, faz-se necessária a instalação de um insuflador com um motor elétrico de indução monofásico, com 4 pares de polos. O motor aciona diretamente uma turbina que, por sua vez, consome em regime uma potência mecânica (no eixo) de 800,0 [W]. O motor é de 60,0 [Hz], acionamento direto, tensão de 127,0 [V], possui fator de potência 0,8 indutivo e rendimento de 80,0 [%]. O ruído sonoro de cada insuflador é de 45,0 [dB]. Sobre esse sistema, é correto afirmar que
Provas
São elementos de um sistema automatizado de detecção e alarme de incêndios:
Provas
No projeto de um sistema de proteção contra descargas atmosféricas, devido à altura do edifício, ao perímetro de sua base e ao grau de proteção desejado, será usado o método da gaiola de Faraday. Para um edifício com altura de 80,0 [m], área da base de 40 x 40 [m] e grau de proteção IV, deve ser usado um condutor de descida para cada 25,0 [m] lineares de perímetro. Sobre esse método, é correto afirmar que o comprimento total necessário de condutores de descida para essa gaiola deve ser de, no mínimo,
Provas
A eficácia luminosa é um indicador da eficiência do processo de emissão de luz em uma dada lâmpada sob o ponto de vista do aproveitamento energético. Essa eficácia é medida em
Provas
A instalação elétrica de um armazém frigorífico possui cargas essenciais e cargas não essenciais. Devido à sua importância, essa instalação possui um sistema de alimentação ininterrupta com grupos de geradores diesel-elétricos estacionários de emergência, com partida automática na falta da alimentação da rede elétrica da concessionária local, transferência com sincronismo automática, descarte seletivo e proteções de sobrecarga e curto-circuito. Sobre esse sistema, é correto afirmar que
Provas
Caderno Container