Foram encontradas 41.164 questões.
Sobre os circuitos conhecidos como retificadores de onda AC / DC, assinale a alternativa correta.
Provas
Baseado na figura, analise as afirmativas a seguir e dê valores Verdadeiro (V) ou Falso (F).

( ) A corrente em RL circula de baixo para cima.
( ) O circuito trata de um retificador de onda completa com ponto neutro.
( ) Nesse circuito, a polaridade da tensão do secundário do transformador acompanha a polaridade da tensão do primário.
Assinale a alternativa que apresenta a sequência correta de cima para baixo.
Provas
As vezes não é possível extrair dependências de rede sem a inclusão de atividades . Essas atividades são representadas por uma linha pontilhada e que não consomem recursos nem precisam de tempo. Elas são adicionadas à rede, simplesmente para completar a lógica.
Assinale a alternativa que preencha corretamente a lacuna.
Provas
Uma tomada é instalada em um circuito monofásico de uma instalação elétrica residencial alimentada por tensões trifásicas de linha iguais a 380 V eficazes, com barramento de neutro e com barramento de terra, seguindo o padrão da Norma Brasileira (NBR) n. 14136 da Associação Brasileira de Normas Técnicas (ABNT). A tomada monofásica foi montada seguindo as recomendações dessa norma e está representada pela figura a seguir.

As tensões foram medidas com um voltímetro entre os terminais A e B, B e C, e A e C, respectivamente, indicados na figura. Os valores corretos esperados para as tensões medidas são:
Provas
A figura a seguir mostra quatro componentes de um quadro de acionamento de motores de indução.

O componente responsável pela proteção contra sobrecarga do motor está indicado em qual número?
Provas
A Figura a seguir representa o projeto elétrico de uma residência, seguindo as normas técnicas.

No projeto apresentado, o que o símbolo destacado com um retângulo e um asterisco representa?
Provas
A Figura a seguir apresenta o display de um multímetro digital durante a medição de uma grandeza elétrica

Qual é a grandeza elétrica apresentada no multímetro?
Provas
Considere a curva de atuação “tempo x corrente” de um dispositivo de interrupção de corrente sob carga, conforme a Figura 1, a seguir.
Figura 1

A figura 2, a seguir, apresenta quatro diferentes dispositivos de interrupção de corrente sob carga.
Figura 2

Qual dos quatro dispositivos apresentados na Figura 2 pode ser associado à curva de atuação “tempo x corrente” da Figura 1?
Provas
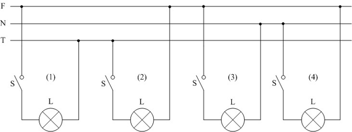
O circuito elétrico representado pela figura a seguir mostra um condutor de Fase (F), um condutor de Neutro (N) e um condutor de Terra (T). A figura também mostra quatro circuitos, numerados de 1 a 4, cada um deles alimentando uma lâmpada (L) por meio de um interruptor (S).

A lâmpada (L) irá acender com o fechamento do interruptor (S) em todos os casos, no entanto, apenas um dos circuitos está instalado de acordo com as recomendações da Norma Brasileira (NBR) n. 5410 da Associação Brasileira de Normas Técnicas (ABNT), que trata de instalações elétricas de baixa tensão. Qual dos circuitos de alimentação de lâmpadas atende às recomendações da ABNT NBR 5410?
Provas
Uma das preocupações centrais no projeto e na execução de instalações elétricas é a segurança das instalações e das pessoas com relação a eventos como curtos-circuitos, choques elétricos e surtos de tensão. Qual o dispositivo usado para desligar o sistema na presença de pequenas fugas de corrente?
Provas
Caderno Container