Foram encontradas 41.164 questões.
Um centro de carga trifásico equilibrado, que consome 40 MW e 30 MVAr indutivo,
está conectado ao sistema elétrico por meio de um transformador (trafo) trifásico
de 50 MVA, 138/15 kV e X = 1,5%. No lado da baixa tensão do trafo, onde o centro
de carga está conectado, a tensão é nominal.
A perda total (trifásica) no transformador (MVAr) é
A perda total (trifásica) no transformador (MVAr) é
Provas
Questão presente nas seguintes provas
Segundo Resolução Normativa REN 482/2012 da ANEEL, microgeradores são sistemas com potência (kW) menor ou igual a:
Provas
Questão presente nas seguintes provas
Em uma falta bifásica, qual a componente de sequência NÃO está presente?
Provas
Questão presente nas seguintes provas
A figura a seguir mostra uma usina que alimenta um centro de carga por meio de
uma linha de transmissão cuja reatância série é 0,1 pu (demais parâmetros da
linha são desprezíveis). Sabe-se que o módulo da tensão na barra (1) é 1 pu, que
ambas as barras têm tensão controladas e que a potência transmitida é 10% da
máxima capacidade de transmissão da linha. A potência de base é 100 MVA.

O módulo da tensão da barra (2) em pu é igual a

O módulo da tensão da barra (2) em pu é igual a
Provas
Questão presente nas seguintes provas
Analise o circuito abaixo:

A potência (W) dissipada pelo resistor de 10 !$ \Omega !$ é igual a:
Provas
Questão presente nas seguintes provas
Segundo a ABNT NBR 5410, os seguintes elementos são exemplos de instalações
que requerem seccionamento para manutenção mecânica, EXCETO:
Provas
Questão presente nas seguintes provas
Uma indústria tem um consumo médio de 400 kW e fator de potência igual a 0,8
atrasado.
A potência (kVAr) de um banco de capacitores, tal que o fator de potência dessa indústria se torne unitário é:
A potência (kVAr) de um banco de capacitores, tal que o fator de potência dessa indústria se torne unitário é:
Provas
Questão presente nas seguintes provas
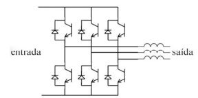
O circuito apresentado na figura a seguir representa a topologia de
um inversor trifásico.

Em relação ao conversor em questão, é correto afirmar que

Em relação ao conversor em questão, é correto afirmar que
Provas
Questão presente nas seguintes provas
Um motor de 30 CV, oito polos, 220 V com frequência
60 Hz, com comando em 220 V e TAP de 80% é acionado por
uma chave de partida compensadora. A corrente nominal do
motor, a 220 V, é de 80 A; e a corrente para cálculo de proteção
é de 500 A.
Com base nessas informações, o contator K1 deverá ser dimensionado para uma corrente de, no mínimo,
Com base nessas informações, o contator K1 deverá ser dimensionado para uma corrente de, no mínimo,
Provas
Questão presente nas seguintes provas

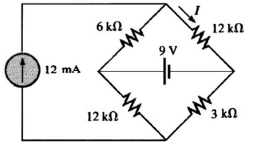
Considerando-se o circuito apresentado na figura anterior, é correto afirmar que o valor da corrente I é
Provas
Questão presente nas seguintes provas
Cadernos
Caderno Container