Foram encontradas 40.992 questões.
De acordo com o método dos lúmens para o projeto de iluminação interna, o fator de utilização da luminária é obtido por meio do índice k que se refere às dimensões do ambiente e de um código que se refere à refletância do ambiente. Um desses códigos é o 351, que significa
Provas
Embora as lâmpadas incandescentes estejam sendo substituídas gradativamente por modelos mais eficientes, ainda há alguns tipos muito utilizados, como, por exemplo, as lâmpadas
Provas
Para realizar o teste de tensão de isolação de elementos de uma subestação, deve-se usar um
Provas
Considere a afirmação abaixo.
Para a proteção de sistemas elétricos, a garantia da seletividade entre disjuntores termomagnéticos em baixa tensão pressupõe que a corrente nominal do disjuntor a I , ou seja, aquele mais próximo da II , deve ser III que a corrente nominal dos disjuntores a IV , ou seja, aqueles mais próximos das V e que todas as correntes nominais sejam VI que a corrente de curto-circuito.
Preenche correta e respectivamente as lacunas de I a VI:
Provas
Deseja-se realizar a medida e o monitoramento da corrente de carga de um sistema, sendo da ordem de 120 A, utilizando um TC que disponibiliza uma corrente da ordem de 1,5 A. Apresenta uma relação de correntes do TC que atende a esse padrão:
Provas
Na chave seccionadora, a função principal do sistema de abertura rápida dos contatos auxiliares e da câmara de extinção é
Provas
Sabe-se que as normas regulamentadores (NR’s) foram criadas para amparar os trabalhadores no seu dia a dia, garantindo sua saúde e segurança. Sendo assim, a norma regulamentadora que tem como um dos objetivos estabelecer os requisitos e condições mínimas objetivando a implementação de medidas de controle e sistemas preventivos, de forma a garantir a segurança e a saúde dos trabalhadores que, direta ou indiretamente, interajam em instalações elétricas e serviços com eletricidade, é a
Provas
Os dispositivos criados para proteção das instalações elétricas, contra sobretensões transitórias que podem atingir tanto as linhas de sinal como as linhas de energia e que são selecionados por meio de critérios mínimos conforme a IEC 61643-1, são:
Provas
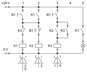
As ferramentas de simulação são muito utilizadas na engenharia para permitir ao utilizador analisar previamente os problemas e minimizar erros de execução. Porém, é necessário que o engenheiro ou eletricista realize a interpretação correta da simulação, considerando as características reais dos componentes envolvidos no comando elétrico. Essa análise também é importante para o auxílio no desenvolvimento de programas para Controladores Lógicos Programáveis, em que o programador precisa conhecer as características de processamento do respectivo controlador para que a lógica seja processada da maneira correta. O circuito abaixo foi desenvolvido em um simulador com o intuito de realizar comandos de liga e desliga utilizando apenas um botão − B1 − comutando a carga − lâmpada − entre acesa e apagada para cada pulso do botão. Porém, apesar de os testes de simulação apresentarem o resultado esperado, a montagem prática do comando não atingiu o objetivo esperado.

Após analisar o problema é correto afirmar que o comando não funcionou conforme o esperado, pois:
Provas
Uma empresa possui duas filiais em cidades distintas, porém com o mesmo projeto de construção civil e Sistema de Proteção contra Descargas Atmosféricas (SPDA). Sabendo que uma das filiais já teve seu laudo de SPDA emitido, sem nenhuma inconformidade identificada, é correto afirmar que a análise do laudo pode ser
Provas
Caderno Container