Foram encontradas 20.456 questões.
Considere o circuito de corrente alternada mostrado na figura a seguir.

O valor do módulo do valor eficaz da corrente I é aproximadamente igual a:
Provas
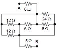
Considere a associação de resistores a seguir.

A resistência equivalente da associação entre os pontos A e B é igual a:
Provas
Para a contração de objeto que envolva inovação tecnológica ou técnica, a modalidade de licitação a ser utilizada pela Administração será
Provas
Na linguagem Assembly, assinale a alternativa que apresenta a função do registrador de acumulador (abreviado como A ou ACC) em operações aritméticas.
Provas
No contexto de sistemas embarcados baseados em microcontroladores, assinale a alternativa que apresenta a principal vantagem do uso de interrupções, em comparação a técnica de “polling”, para tratar eventos externos.
Provas
Em relação ao microcontrolador com arquitetura Harvard, assinale a alternativa correta.
Provas
Analise o circuito sequencial assíncrono da figura a seguir.

Ele é composto por dois flip-flops JK, cujas entradas são interconectadas ao nível lógico ‘1’. As saídas Q0’ e Q1’ alimentarem um circuito combinacional de Saídas (S2 S1 S0)2. Para que este circuito gere os números (000) 2 ,(101) 2,(011) 2,(100) 2 a cada borda de subida de CLK, ciclicamente, ou seja, após a saída (100) 2 retorna-se ao (000) 2, a lógica combinacional necessária, corresponde a: ______. Assinale a alternativa que preencha corretamente a lacuna.
Provas
A unidade lógica aritmética (ULA ou ALU em inglês) é responsável por realizar operações lógicas (de bit), aritméticas (como soma, subtração, multiplicação e divisão) e comparações entre dois números de sua entrada, correspondendo a uma importante parte componente de um microprocessador ou microcontrolador. Ainda, para a subtração, ela é capaz de realizar a subtração em complemento de dois. Considere a subtração do número 25 pelo 54, realizada em complemento de dois. Nestas condições, pode-se afirmar que os números de entrada (+25), (-54) e a saída serão representadas em 8 bits como:
Provas
Considere um decodificador BCD para 7 segmentos. Em relação a este circuito, assinale a alternativa correta.
Provas
Vamos considerar um MOSFET em configuração de dreno comum (seguidor de fonte) em que a resistência de carga, \( R \)\( l \), é igual a 2 KΩ. Se o MOSFET apresenta uma transcondutância, \( g \)\( m \), de 3mS, assinale a alternativa que apresenta o ganho de tensão desta configuração
Provas
Caderno Container