Foram encontradas 20.461 questões.
Qual é o componente transistor que para atuar necessita da aplicação de luz no sensor?
Provas
Questão presente nas seguintes provas
A figura a seguir ilustra a forma de onda da tensão do capacitor em um circuito RLC série, em uma

Provas
Questão presente nas seguintes provas
A função do tubo de raio X (ampola) tem a finalidade de geração do raio X. Qual é a polaridade do cátodo?
Provas
Questão presente nas seguintes provas
Para a obtenção do aumento da confiabilidade dos equipamentos médico-hospitalares é imprescindível a utilização de qual técnica?
Provas
Questão presente nas seguintes provas
Para o circuito ilustrado na figura a seguir, tem-se que D um diodo de silício, sendo a corrente através dele dada por !$ i = I_S(e^{qv/nkt} - 1), KT/q = 26mV !$, e n uma constante estando entre 1 e 2. O valor da tensão de saída V0 em termos dos parâmetros de entrada V1 e R1, é igual a

Provas
Questão presente nas seguintes provas
Para o circuito abaixo, determine a impedância !$ \stackrel{\centerdot}{\mathsf{Z}} !$ e seu respectivo ângulo de fase:

Provas
Questão presente nas seguintes provas
No circuito RLC série sem fonte da figura a seguir, seja: !$ R=10 \, Ω !$, !$ L=5 \, H !$, !$ C=2 \, mF !$. O valor do fator de amortecimento, !$ \alpha !$, é igual a

Provas
Questão presente nas seguintes provas
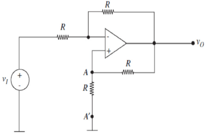
No circuito da figura a seguir, os valores da corrente e da resistência de Norton, entre os pontos A e A’ são, respectivamente, iguais a

Provas
Questão presente nas seguintes provas
É dito quando um amplificador operacional, trabalhando em qualquer um dos três modos de operação, atinge na saída um nível de tensão fixo, a partir do qual não se pode mais variar sua amplitude. Tal excerto diz respeito a
Provas
Questão presente nas seguintes provas
Considere o amplificador TBJ na configuração emissor comum, ilustrado na figura a seguir. A tensão de entrada compreende a soma de uma fonte de tensão CC igual a 0,7 V e uma senoidal de forma de onda dada por !$ V_ent = A.sen(\omega t) !$, onde !$ A = 0,001V !$ . Os valores das tensões de saída, com relação à fonte de alimentação CC de 0,7 V, V0, e à componente de pequeno sinal (da fonte senoidal), V0, são, respectivamente, iguais a

Provas
Questão presente nas seguintes provas
Cadernos
Caderno Container