Foram encontradas 20.456 questões.
A figura a seguir ilustra a tabela da verdade da seguinte expressão lógica:

Provas
Questão presente nas seguintes provas
A RCM (Reliability Centered Maintenance) é um processo utilizado para determinar os requisitos de manutenção de qualquer item físico no seu contexto operacional. Quais itens o processo analisa?
Provas
Questão presente nas seguintes provas
Em um circuito de corrente alternada, caso o valor do capacitor seja !$ { \large 0,01 \over \pi} !$ F, supondo que a tensão da fonte do circuito tenha uma frequência de 100 kHz, o valor da sua reatância capacitiva será igual a
Provas
Questão presente nas seguintes provas
Para um circuito amplificador de potência, se você obtiver a medição da potência de entrada (P1) em 100 W e a potência de saída (P2) em 2 kW, qual seria o ganho de potência equivalente em decibel?
Provas
Questão presente nas seguintes provas
Um circuito RL série é composto por um resistor de !$ 10 \Omega !$ e um indutor de !$ { \large 1 \over 37,7} \ H !$, e está conectado a uma fonte de tensão alternada !$ v(t) = 100\sqrt2.sen(\omega t) !$ , e frequência igual a 60 Hz. O valor de !$ i(t) !$ é dado por
Provas
Questão presente nas seguintes provas
Referente à questão anterior, quais são os níveis apontados por Shaffer (1985)?
Provas
Questão presente nas seguintes provas
No que concerne à estabilidade de sistemas de potência, assinale a alternativa correta.
Provas
Questão presente nas seguintes provas
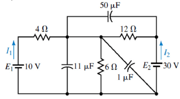
Supondo que o circuito da figura a seguir tenha atingido o regime permanente, as correntes das fontes, !$ I_1 !$ e !$ I_2 !$, são, respectivamente, iguais a

Provas
Questão presente nas seguintes provas
No circuito RC série da figura a seguir, a carga inicial do capacitor vale !$ q_0 = 2500 μ C !$ . Quando t = 0, a chave é fechada. O valor da corrente no domínio S (pela transformada de Laplace) é igual a

Provas
Questão presente nas seguintes provas
Considere o dispositivo composto de três (03) terminais, formado pela conexão de dois (02) transístores bipolares de junção (TBJ) idênticos, cada um com β =100, na configuração ilustrada na figura a seguir. Assumindo que cada TBJ esteja operando na região ativa, o valor do ganho de corrente do dispositivo composto, β’ , em função do ganho de corrente individual de cada TBJ, é igual a

Provas
Questão presente nas seguintes provas
Cadernos
Caderno Container