Foram encontradas 20.456 questões.
O fenômeno pelo qual a corrente elétrica produz calor ao atravessar um material resistivo é conhecido como
Provas
Questão presente nas seguintes provas
Considere as afirmativas I, II e III a respeito do circuito da figura abaixo. Assinale a alternativa que contém a(s) afirmativa(s) CORRETA(S):

I – O potenciômetro POT é ajustado para que, na presença de luz, o transistor corte, já que a tensão no LDR diminui.
II - Na ausência de luz (escuro) a resistência do LDR diminui, aumentando a tensão nele, o que faz o transistor saturar, ligando o relé.
III – O divisor resistivo formado por R2, POT e LDR permitem que o relé ligue quando não há presença de luz.
Provas
Questão presente nas seguintes provas
A linguagem C disponibiliza ao programador uma diversidade de tipos de variáveis. Dentre aqueles disponíveis em C padrão ANSI, são feitas as seguintes afirmações:
I. O int é utilizado para representar números inteiros de 8 bits.
II. O float é utilizado para representar grandezas compreendidas entre 3,4-38 e 3,4+38.
III. O void é utilizado em funções para representar números fracionários.
IV. O char é utilizado para representação de caracteres ASCII de 8 bits.
II. O float é utilizado para representar grandezas compreendidas entre 3,4-38 e 3,4+38.
III. O void é utilizado em funções para representar números fracionários.
IV. O char é utilizado para representação de caracteres ASCII de 8 bits.
Com base nas sentenças acima, estão corretas apenas.
Provas
Questão presente nas seguintes provas
O número 110011010 está expresso no sistema binário. Qual das alternativas mostra a representação do mesmo número no sistema hexadecimal?
Provas
Questão presente nas seguintes provas

No circuito retificador representado na figura acima, os diodos são ideais e a fonte é a rede elétrica, com tensão de 220V/60Hz.
A alternativa que indica corretamente a tensão média e máxima, respectivamente, na resistência de carga, considerando os valores indicados no circuito, é
Provas
Questão presente nas seguintes provas
Dentre os vários tipos de diodos existentes, os diodos zener, varicap e fotodiodo têm como aplicação, respectivamente:
Provas
Questão presente nas seguintes provas
O circuito combinacional que desempenha a função de selecionar qual entrada será direcionada para a sua saída é o
Provas
Questão presente nas seguintes provas
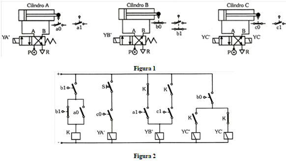
Observe as figuras abaixo.

Considerando os circuitos da figura 1 e o circuito pneumático e elétrico de comando da figura 2, ao manter pressionada a chave S, o diagrama trajeto-passo correspondente à sequência executada corretamente é
Provas
Questão presente nas seguintes provas
Suponha um circuito exclusivamente indutivo. Neste caso:
Provas
Questão presente nas seguintes provas
Analise as figuras 1, 2 e 3 para responder à questão.

A figura 1 representa um retificador trifásico meia-onda a tiristor alimentando uma carga resistiva. A figura 2 apresenta as formas de onda das tensões de alimentação do retificador, !$ v_1, v_2 !$e !$ v_3 !$. A figura 3 mostra a forma de onda da tensão na carga para um determinado ângulo de disparo !$ \alpha !$.
Qual a forma de onda que representa a tensão !$ v_{T1} !$, sobre o tiristor T1, para a situação mostrada?
Provas
Questão presente nas seguintes provas
Cadernos
Caderno Container