Foram encontradas 355 questões.
O aquecimento, com temperaturas distintas, das extremidades de dois metais diferentes, gera o aparecimento de uma F.E.M. (da ordem de mV). Este princípio, conhecido como efeito de Seebeck, propiciou a utilização de sensor para medição de temperatura.
A descrição acima refere-se ao sensor
A descrição acima refere-se ao sensor
Provas
Questão presente nas seguintes provas
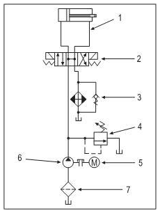
O sistema hidráulico representado pelo circuito abaixo mostra o acionamento de um cilindro de dupla ação avançando e recuando conforme posicionamento da válvula nº 2, determinado pela ação dos dois solenoides. Os elementos que compõem o sistema estão numerados de 1 a 7.

O elemento 4 representa uma válvula, cuja função, nesse circuito, é

O elemento 4 representa uma válvula, cuja função, nesse circuito, é
Provas
Questão presente nas seguintes provas

A variável medida pelo equipamento mostrado na figura acima e o fundo de escala são, respectivamente,
Provas
Questão presente nas seguintes provas

A figura acima ilustra a escala de um micrômetro 0-25 x 0,001 mm, onde se lê, em mm,
Provas
Questão presente nas seguintes provas

Provas
Questão presente nas seguintes provas

Provas
Questão presente nas seguintes provas

Provas
Questão presente nas seguintes provas
Um dos elementos constituintes de uma estação de medição (EMED) de gás natural é o filtro. Este deve possibilitar a limpeza do gás da maneira mais expressiva possível para o consumidor. O grau de filtragem deverá ser adequado ao tipo de medidor utilizado e à pureza do gás entregue ao mesmo.
Com respeito a esse aspecto, a estação de medição deve manter sem impurezas a rede de distribuição
Com respeito a esse aspecto, a estação de medição deve manter sem impurezas a rede de distribuição
Provas
Questão presente nas seguintes provas
Para monitoramento ou controle da velocidade angular em instalações industriais ou laboratoriais, pode-se empregar um
Provas
Questão presente nas seguintes provas

Considerando o processo esquematizado na figura acima e os
princípios da instrumentação, julgue os itens seguintes.
Provas
Questão presente nas seguintes provas
Cadernos
Caderno Container