Foram encontradas 3.470 questões.
Informe se é verdadeiro (V) ou falso (F) o que se afirma sobre alotropia do ferro.
( ) O ferro cúbico de face centrada é denominado ferro Alfa. ( ) O ferro cúbico de corpo centrado é denominado ferro Delta. ( ) O ferro puro até a temperatura de 910°C se cristaliza no sistema cúbico de corpo centrado (CCC). ( ) Entre as temperaturas de 910° e 1400° o ferro mantém a estrutura cúbica de face centrada (CFC). ( ) Acima de temperatura de 1400° até à temperatura de fusão, a fase mais estável volta a ser a cúbica de corpo centrado (CCC).
De acordo com as afirmações, a sequência correta é:
( ) O ferro cúbico de face centrada é denominado ferro Alfa. ( ) O ferro cúbico de corpo centrado é denominado ferro Delta. ( ) O ferro puro até a temperatura de 910°C se cristaliza no sistema cúbico de corpo centrado (CCC). ( ) Entre as temperaturas de 910° e 1400° o ferro mantém a estrutura cúbica de face centrada (CFC). ( ) Acima de temperatura de 1400° até à temperatura de fusão, a fase mais estável volta a ser a cúbica de corpo centrado (CCC).
De acordo com as afirmações, a sequência correta é:
Provas
Questão presente nas seguintes provas
Ensaios mecânicos são métodos utilizados para conhecer o comportamento de um material.
NÃO se considera um ensaio destrutivo:
NÃO se considera um ensaio destrutivo:
Provas
Questão presente nas seguintes provas
A imagem a seguir ilustra o código ISO de um incerto para torneamento. 
É correto afirmar que as letras referentes às posições de 1 a 4 representam:

É correto afirmar que as letras referentes às posições de 1 a 4 representam:
Provas
Questão presente nas seguintes provas
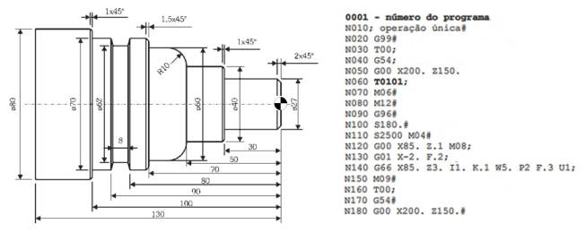
Analise o trecho da programação de torneamento a seguir.

É correto afirmar que
Provas
Questão presente nas seguintes provas
Analise as asserções a seguir e a relação proposta entre elas.
I - Em todos os comandos de torneamento na programação CNC, podemos programar a função G1 somente na primeira linha do programa que requer esta função, não precisando repetir nas próximas linhas que utilizarão o código G1 para realização do deslocamento coordenado
PORQUE
II - G1 pertence à classe de funções modais; são aquelas que, uma vez programadas, permanecem na memória do comando, valendo para todos os blocos posteriores até que se programe outra função. S/
Sobre as asserções, é correto afirmar que
I - Em todos os comandos de torneamento na programação CNC, podemos programar a função G1 somente na primeira linha do programa que requer esta função, não precisando repetir nas próximas linhas que utilizarão o código G1 para realização do deslocamento coordenado
PORQUE
II - G1 pertence à classe de funções modais; são aquelas que, uma vez programadas, permanecem na memória do comando, valendo para todos os blocos posteriores até que se programe outra função. S/
Sobre as asserções, é correto afirmar que
Provas
Questão presente nas seguintes provas
Layers são camadas de um desenho, independentes
entre si, que agrupam os elementos do desenho criados pelo usuário.
Analise as afirmações a seguir.
I - Função ativada: Esse botão serve para ligar/desligar uma layer. Todos os objetos na camada sumirão, mas ainda poderão ser rastreados.
II - Função congelar: Serve para congelar uma layer. Os objetos desaparecerão da tela, mas poderão ser rastreados.
III - Função bloquear: Esse botão é utilizado para travar uma layer. Embora visível, nenhum objeto poderá ser modificado.
IV - Função cor: O botão serve para alterar a cor de todas as linhas do desenho.
V - Função plotar: A pequena impressora é utilizada para permitir/impedir a impressão dos objetos contidos na camada em questão.
Está correto apenas o que se afirma em
Analise as afirmações a seguir.
I - Função ativada: Esse botão serve para ligar/desligar uma layer. Todos os objetos na camada sumirão, mas ainda poderão ser rastreados.
II - Função congelar: Serve para congelar uma layer. Os objetos desaparecerão da tela, mas poderão ser rastreados.
III - Função bloquear: Esse botão é utilizado para travar uma layer. Embora visível, nenhum objeto poderá ser modificado.
IV - Função cor: O botão serve para alterar a cor de todas as linhas do desenho.
V - Função plotar: A pequena impressora é utilizada para permitir/impedir a impressão dos objetos contidos na camada em questão.
Está correto apenas o que se afirma em
Provas
Questão presente nas seguintes provas
Preencha corretamente as lacunas do texto a seguir
quanto a definições do fluido hidráulico.
O fluido hidráulico tem como função principal transmitir , além de lubrificar todas as partes , dissipar o calor gerado, remover e vedar folgas entre peças em movimento. O mais comumente utilizado é o fluido à base de petróleo, que contém que adicionam características apropriadas para cada aplicação desejada.
A sequência que preenche corretamente as lacunas do texto é:
O fluido hidráulico tem como função principal transmitir , além de lubrificar todas as partes , dissipar o calor gerado, remover e vedar folgas entre peças em movimento. O mais comumente utilizado é o fluido à base de petróleo, que contém que adicionam características apropriadas para cada aplicação desejada.
A sequência que preenche corretamente as lacunas do texto é:
Provas
Questão presente nas seguintes provas
Ar é um fluido que pode ser comprimido por meio de
um equipamento chamado compressor; trata-se de
uma máquina que converte energia
Provas
Questão presente nas seguintes provas
O motor de combustão interna é considerado uma máquina térmica.

Observe a figura e indique quais são, respectivamente, as variáveis de entrada e de saída de um motor.
Provas
Questão presente nas seguintes provas
Sobre a viscosidade de um fluido, é correto afirmar
que
Provas
Questão presente nas seguintes provas
Cadernos
Caderno Container