Foram encontradas 3.467 questões.
Em relação às partículas magnéticas via úmida, o método de ensaio por partículas magnéticas secas utilizado em materiais ferromagnéticos na detecção de descontinuidades superficiais, apresenta:
Provas
Questão presente nas seguintes provas
Um determinado produto químico precisa ser pesado sob
condições ambientais controladas. Para isso, deverá ser
utilizada, pelo técnico, a balança
Provas
Questão presente nas seguintes provas
A leitura de um ângulo no sistema sexagesimal é igual a
32°6’18’’. O valor do ângulo, em graus, é igual a
Provas
Questão presente nas seguintes provas
As figuras I e II mostram, respectivamente, o aspecto da morfologia dos grãos de um aço antes e depois da recristalização.

Trata-se, então, de um aço

Trata-se, então, de um aço
Provas
Questão presente nas seguintes provas
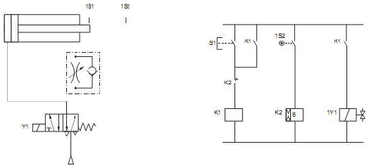
Atenção: Considere as figuras abaixo para responder às questões de números 39 e 40. As figuras mostram um circuito pneumático com seu respectivo comando elétrico.
Além do atuador de dupla ação e da válvula simples solenoide 5/2 vias, esse circuito pneumático é composto por uma válvula
Além do atuador de dupla ação e da válvula simples solenoide 5/2 vias, esse circuito pneumático é composto por uma válvula
Provas
Questão presente nas seguintes provas
Observe a figura abaixo.

Nela está representado o processo de soldagem

Nela está representado o processo de soldagem
Provas
Questão presente nas seguintes provas
Observe o diagrama esquemático de transformação apresentado abaixo.

Ele refere-se ao tratamento térmico denominado martêmpera,

Ele refere-se ao tratamento térmico denominado martêmpera,
Provas
Questão presente nas seguintes provas
No ensaio de impacto Charpy, o corpo de prova tipo A é uma barra de seção transversal quadrada de 10 mm de lado, 55 mm de comprimento e um entalhe central com profundidade de
Provas
Questão presente nas seguintes provas
Ao técnico foi solicitada a medição de uma peça de aço
inoxidável. A precisão da medição da largura da peça
precisa garantir uma exatidão de 0,01 mm. Para que se
obtenha êxito no serviço solicitado, deverá ser utilizado
Provas
Questão presente nas seguintes provas
A Classe de Exatidão de uma medida de massa em
balança consiste na classe de medidas materializadas que
satisfazem a certas exigências metrológicas destinadas a
enquadrar os erros dentro de limites especificados. Em
uma classe de exatidão do tipo E1, o erro máximo
tolerável em uma medição de massa de 50 kg, é, em mg,
igual a
Provas
Questão presente nas seguintes provas
Cadernos
Caderno Container