Foram encontradas 3.467 questões.
De acordo com o Quadro Geral de Unidades do INMETRO,
que se baseia na tradução do Sistema Internacional de
Unidades − SI e contempla sete unidades de base para a
representação de algumas grandezas físicas, as unidades de
base para a representação das grandezas de massa,
comprimento e tempo, são, respectivamente,
Provas
Questão presente nas seguintes provas
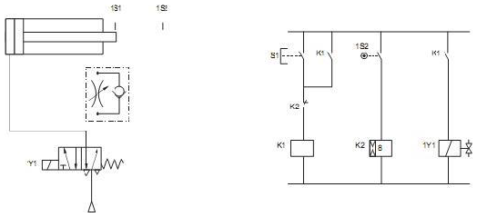
Atenção: Considere as figuras abaixo para responder às questões de números 39 e 40.
As figuras mostram um circuito pneumático com seu respectivo comando elétrico.

Nesse circuito, ao se acionar o botão S1, a haste do atuador linear
As figuras mostram um circuito pneumático com seu respectivo comando elétrico.

Nesse circuito, ao se acionar o botão S1, a haste do atuador linear
Provas
Questão presente nas seguintes provas
De acordo com as características do micrômetro, ..I.. não pode ser uma parte desse tipo de instrumento de medição.
Preenche corretamente a lacuna I:
Provas
Questão presente nas seguintes provas
Considere:

Nos ajustes adotados entre: chaveta x rasgo do cubo e chaveta × rasgo do eixo têm-se, respectivamente, os ajustes

Nos ajustes adotados entre: chaveta x rasgo do cubo e chaveta × rasgo do eixo têm-se, respectivamente, os ajustes
Provas
Questão presente nas seguintes provas
O lubrificante industrial AGMA 5, equivalente ao óleo ISO VG 220,
Provas
Questão presente nas seguintes provas
A figura abaixo mostra a sobreposição de dois diagramas tensão-deformação resultantes de ensaios de tração de dois materiais diferentes, A e B.

Comparando-se os diagramas, conclui-se que o material B em relação ao material A apresenta maior

Comparando-se os diagramas, conclui-se que o material B em relação ao material A apresenta maior
Provas
Questão presente nas seguintes provas
Atenção: Considere o enunciado abaixo para responder à questão.
Um trecho da barra da figura abaixo está submetido a uma carga uniformemente distribuída.

A reação vertical no apoio B é
Um trecho da barra da figura abaixo está submetido a uma carga uniformemente distribuída.

A reação vertical no apoio B é
Provas
Questão presente nas seguintes provas
A figura abaixo representa um rolamento em meio-corte montado sobre um trecho de um eixo.

Trata-se de um rolamento de agulhas sem

Trata-se de um rolamento de agulhas sem
Provas
Questão presente nas seguintes provas
É correto afirmar:
Provas
Questão presente nas seguintes provas
Em relação ao tema “Resistência do Materiais” assinale a alternativa correta:
Provas
Questão presente nas seguintes provas
Cadernos
Caderno Container