Foram encontradas 2.300 questões.
Julgue os itens que se seguem quanto à equivalência dos números em diferentes bases, considerando que a base do sistema de numeração está representada como subscrito.
Provas

No que se refere aos circuitos combinacionais mostrados nas figuras I e II acima, julgue os itens seguintes.
O circuito na figura I pode funcionar como um decodificador de 2 para 4, com um pino de habilitação.
Provas

No que se refere aos circuitos combinacionais mostrados nas figuras I e II acima, julgue os itens seguintes.
No circuito da figura II, se D1 = 1, D2 = 0 e A = 1, então Y = 1.
Provas

No que se refere aos circuitos combinacionais mostrados nas figuras I e II acima, julgue os itens seguintes.
O circuito na figura II pode funcionar como um multiplexador de 2 para 1.
Provas

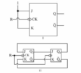
As figuras I e II acima mostram dois circuitos sequenciais que utilizam flip-flops JK TTL gatilhados por borda de descida. Ambos os circuitos são acionados por um relógio R, caracterizado por uma onda quadrada em nível TTL com frequência de 10 kHz. Com relação a esses circuitos, julgue os itens a seguir.
A saída Q do circuito na figura I corresponde a uma onda quadrada em nível TTL com frequência de 5 kHz.
Provas

As figuras I e II acima mostram dois circuitos sequenciais que utilizam flip-flops JK TTL gatilhados por borda de descida. Ambos os circuitos são acionados por um relógio R, caracterizado por uma onda quadrada em nível TTL com frequência de 10 kHz. Com relação a esses circuitos, julgue os itens a seguir.
Se, no circuito da figura II, o estado inicial das saídas Q1 e Q0 for Q1Q0 = 01, então a sequência que esses dois bits deverão percorrer é 01, 10, 01, 10, ..., com o ciclo se repetindo indefinidamente.
Provas

As figuras I e II acima mostram dois circuitos sequenciais que utilizam flip-flops JK TTL gatilhados por borda de descida. Ambos os circuitos são acionados por um relógio R, caracterizado por uma onda quadrada em nível TTL com frequência de 10 kHz. Com relação a esses circuitos, julgue os itens a seguir.
O circuito sequencial da figura II é do tipo assíncrono.
Provas
Com relação às tecnologias de microeletrônica utilizadas na implementação de sistemas digitais, julgue os itens que se seguem.
Os dispositivos TTL padrão são fabricados com uma tecnologia que utiliza transistores bipolares em conjunto com transistores do tipo MOS; por isso, é desnecessário o uso de resistores nesse tipo de porta lógica.
Provas
Com relação às tecnologias de microeletrônica utilizadas na implementação de sistemas digitais, julgue os itens que se seguem.
As portas lógicas construídas com tecnologia CMOS apresentam maior consumo e menor tempo de comutação que as portas do tipo ECL.
Provas
Com relação às tecnologias de microeletrônica utilizadas na implementação de sistemas digitais, julgue os itens que se seguem.
Uma porta lógica TTL do tipo LS com fanout igual a 10 é projetada de forma que mantenha-se em funcionamento normal quando sua saída for conectada a até 10 entradas de portas lógicas TTL do mesmo tipo.
Provas
Caderno Container